找回密码
 立即注册

QQ登录

只需一步,快速开始

工控课堂 首页 工控文库 PLC学习 查看内容

三菱PLC控制步进电机驱动刀具位移的绝对位置定位指令代...

2022-2-20 12:33| 发布者: 198366809| 查看: 2633| 评论: 9|原作者: 198366809

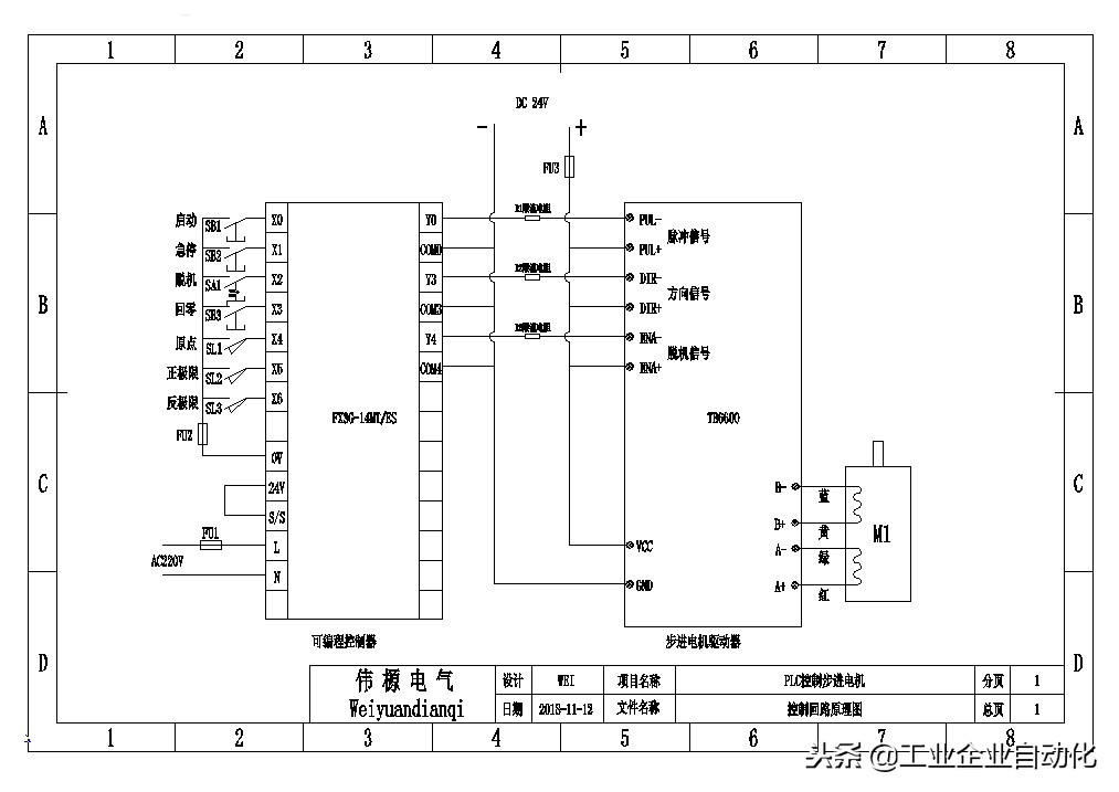
摘要: 设备示意图 电气原理图 输入输出端子功能X0 启动X1 急停X2 脱机运行X3 回零X4 原点限位X5 正转限位X6 反转限位Y0 脉冲输出端子Y3 方向端子Y4 脱机端子已知条件步进电机步距角1.8度,2相4线,电压4.7V,电流3.5A。 ...
设备示意图

电气原理图

输入输出端子功能
X1 急停
X2 脱机运行
X3 回零
X4 原点限位
X5 正转限位
X6 反转限位
Y0 脉冲输出端子
Y3 方向端子
Y4 脱机端子
已知条件
步进电机步距角1.8度,2相4线,电压4.7V,电流3.5A。丝杆导程5MM。步进电机驱动器型号为TB6600 32细分 电流3.5A。
程序要求
首先启动设备时,按动“原点回归”按钮将刀具归为零位,按动“启动”按钮,将刀具定位到一个可以通过触摸屏设定距离的可变位置,此刀具有正向及反向极限限位功能。
步进电机开关设置

将细分设定为8,对应开关S1关闭,S2打开,S3关闭


电流设定为3.5A,对应开关S4关闭,S5关闭,S6关闭。
程序实例

参数设定


回原点程序


D200数值由触摸屏换算距离后设定,D200数值=(移动距离/5)X1600

绝对位置定位


停止及限位程序



关注公众号,加入500人微信群,下载100G免费资料!
发表评论

最新评论

引用 淡定yong 2025-11-13 17:31
我先占个楼,等下再慢慢看~
引用 wangyongqiang 2025-11-13 17:45
来凑个热闹,为楼主增加点人气!
引用 wx_TG73JkeG 2025-11-13 17:50
说得对!狠狠赞同,没毛病~
引用 孙宇隽 2025-11-13 19:20
谁懂啊!这内容我能循环看十遍
引用 380992141 2025-11-13 20:48
同款经历!我当初也这么过来的😂
引用 天涯学徒 2025-11-14 00:25
赞同 + 10086,完全说出了我的想法!
引用 飞鱼 2025-11-14 01:11
这评论区卧虎藏龙,个个都是人才!
引用 秦岭 2025-11-14 03:15
路过打卡,为优质内容疯狂打 call
引用 小石头 2025-11-17 13:57
楼主太会说了,字字句句都在理

查看全部评论(9)

热门文章
关闭

站长推荐上一条 /1 下一条

QQ|手机版|免责声明|本站介绍|工控课堂 ( 沪ICP备20008691号-1 )

GMT+8, 2025-12-21 15:52 , Processed in 0.113352 second(s), 32 queries .

Powered by Discuz! X3.5

© 2001-2025 Discuz! Team.

返回顶部