找回密码
 立即注册

QQ登录

只需一步,快速开始

工控课堂 首页 工控文库 PLC学习 查看内容

PLC脉宽调制(PWM)指令代码秒传给大家!

2022-2-20 12:42| 发布者: 198366809| 查看: 6071| 评论: 8|原作者: 198366809

摘要: 脉宽调制指令PWM概要指定了脉冲的周期和ON时间的脉冲输出的指令。功能和动作说明1. 16位运算(PWM)以周期单位输出ON脉冲宽度为 S1ms的脉冲。 • 在 S1中指定脉宽t。 设定范围: 0~32,767ms• 在S2 中指定周期T0。 设 ...
脉宽调制指令PWM概要
指定了脉冲的周期和ON时间的脉冲输出的指令。
功能和动作说明1. 16位运算(PWM)
以周期[S2 ms]单位输出ON脉冲宽度为 S1ms的脉冲。


• 在 S1中指定脉宽t。 设定范围: 0~32,767ms
• 在S2 中指定周期T0。 设定范围: 1~32,767ms
• 在 D在中指定输出脉冲的Y编号。 设定范围: Y000、Y001、Y002、Y003
注意要点1. 设定脉宽及周期的时间
脉宽S1和周期S2 的值,请设定为S1 ≦ S2。
2. 有关脉冲输出
• 可以在D 中指定的软元件,根据系统配置情况仅有下列的输出有效。
-使用高速输出特殊适配器*1时 Y000、Y001、Y002*2、Y003*2
-使用基本单元的晶体管输出时 : Y000、Y001、Y002*3
*1. 高速输出特殊适配器只能连接到FX3U可编程控制器。
请使用晶体管输出型的可编程控制器。
*2. 指定高速输出特殊适配器的Y002、Y003时,需要第2个高速输出特殊适配器。
*3. FX3G可编程控制器(14点、24点型)或FX3GC可编程控制器时,不能使用Y002。
• 采用不受顺控程序(运算周期)的影响的中断处理方式来执行输出控制。
• 指令输入为OFF时,则D 输出也为OFF。
• 脉冲输出过程中监控 (BUSY/READY) 的标志位置 ON 时,不能执行使用了相同输出的脉冲输出指令和定位指 令。
因此,即使指令驱动触点为OFF,只要是脉冲输出过程中监控的标志位为ON,就请勿执行指定了同一输出编 号的定位指令和脉冲输出指令。
被驱动时,当脉冲输出监控的标志位为OFF后,请经过1个扫描周期以上后再次执行指令。


程序举例
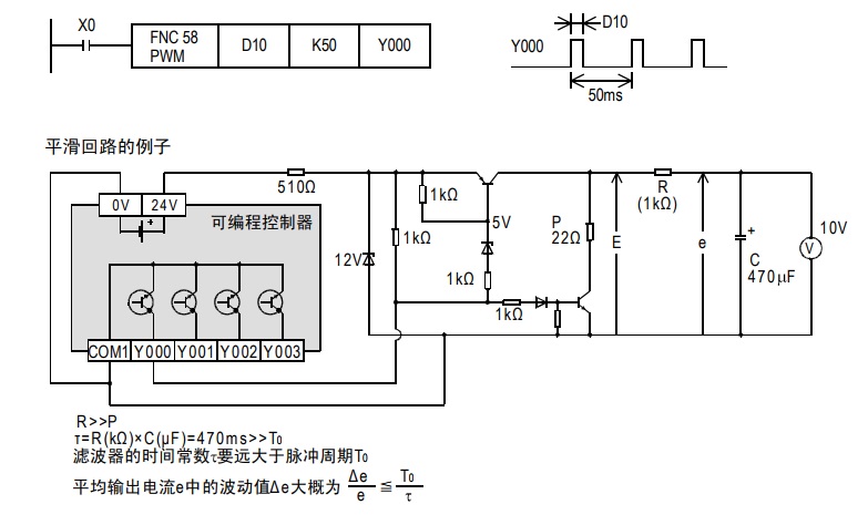
在下面例举的程序举例中,使D10的内容在0~50间变化时,Y000的平均输出为0~100%。 (D10)的内容超出50时会错误。
在下面的例子中,使用了FX3U系列的基本单元(漏型输出)。请根据所使用的可编程控制器的下述手册进行连接。

程序举例



关注公众号,加入500人微信群,下载100G免费资料!
发表评论

最新评论

引用 wangzhaolost 2025-11-12 18:02
已转发给朋友,一起感受这份快乐~
引用 薛文宾 2025-11-12 19:26
蹲一波同款,有没有姐妹 / 兄弟推荐?
引用 小海Okay 2025-11-12 19:39
楼主太会说了,字字句句都在理~
引用 zym0907 2025-11-12 21:09
救命!这回复笑到我捶桌,必须置顶~
引用 1508673170 2025-11-12 22:59
水贴也要有仪式感,我先来打卡~
引用 wx_r115Em3E 2025-11-15 00:31
笑不活了,评论区比正文还精彩!
引用 wx_Tae5D3E5 2025-11-15 05:02
求个链接 / 教程,楼主好人一生平安~
引用 陈朵朵她爸 2025-11-15 13:48
水个经验,支持楼主,加油呀

查看全部评论(8)

热门文章
关闭

站长推荐上一条 /1 下一条

QQ|手机版|免责声明|本站介绍|工控课堂 ( 沪ICP备20008691号-1 )

GMT+8, 2025-12-21 15:50 , Processed in 0.075804 second(s), 32 queries .

Powered by Discuz! X3.5

© 2001-2025 Discuz! Team.

返回顶部