工控课堂

 找回密码
 立即注册

QQ登录

只需一步,快速开始

扫一扫,访问微社区

工控课堂 首页 工控文库 PLC 查看内容

图解西门子S7-300plc模拟量模块接线方法

2019-4-8 19:41| 发布者: gkket| 查看: 1| 评论: 0|原作者: gkket

摘要: 模拟量输入模块 SM 331;AI 8 x 16 位;(6ES7331-7NF00-0AB0) 接线:电压和电流测量在测量电流时,使用相应的分流电阻将通道电压的电压输入并联。可将通道输入端子与相邻的连接器端子桥接。示例:将端子 22 与 2 短 ...
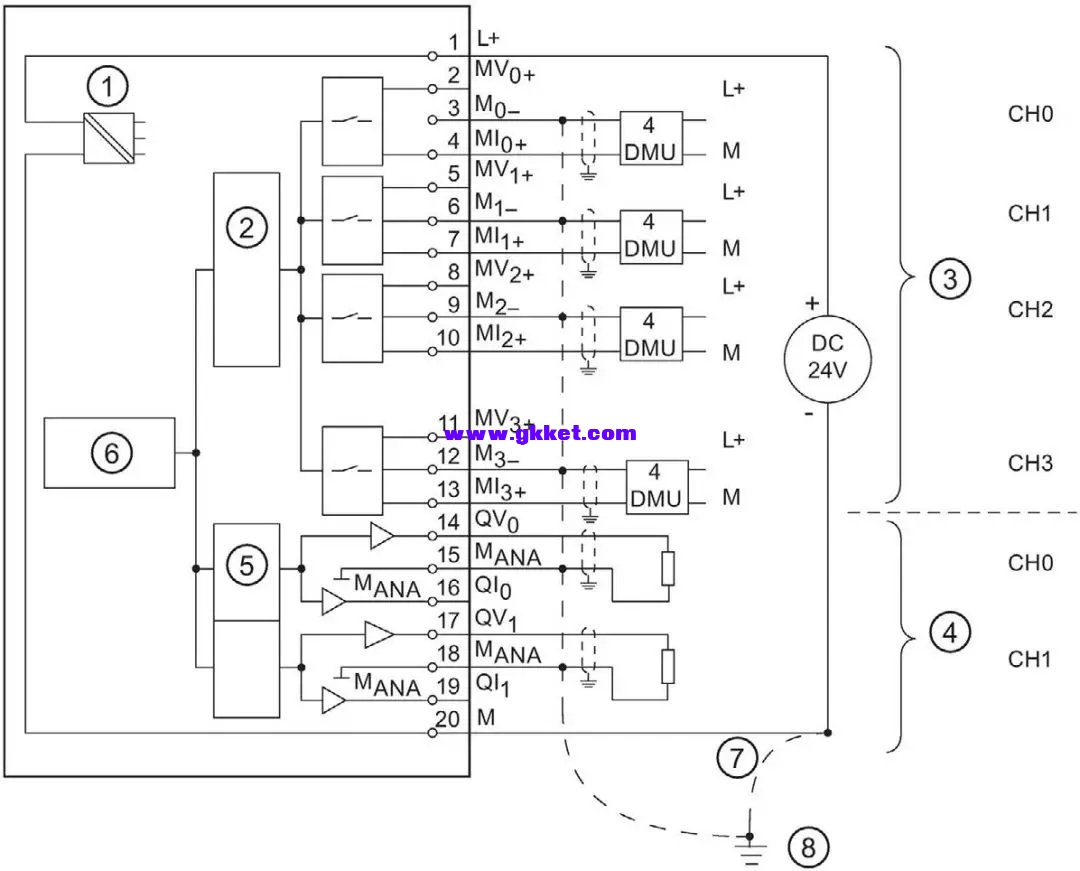
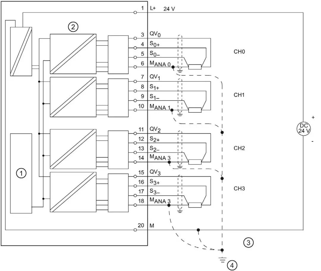
模拟量输入模块 SM 331;AI 8 x 16 位;(6ES7331-7NF00-0AB0)
接线:电压和电流测量
在测量电流时,使用相应的分流电阻将通道电压的电压输入并联。可将通道输入端子与相邻的连接器端子桥接。
示例:将端子 22 与 2 短接,端子 23 与 3 短接,可将通道 0 组态为电流测量。
在组态用于电流测量的通道上,将分流电阻连接到相邻的通道端子,以获得指定的精度。
6ES7331-7NF00-0AB0 图 6-1 接线图与方框图
①电压测量
②背板总线接口
③电气隔离
④模数转换器 (ADC)
⑤等电位连接
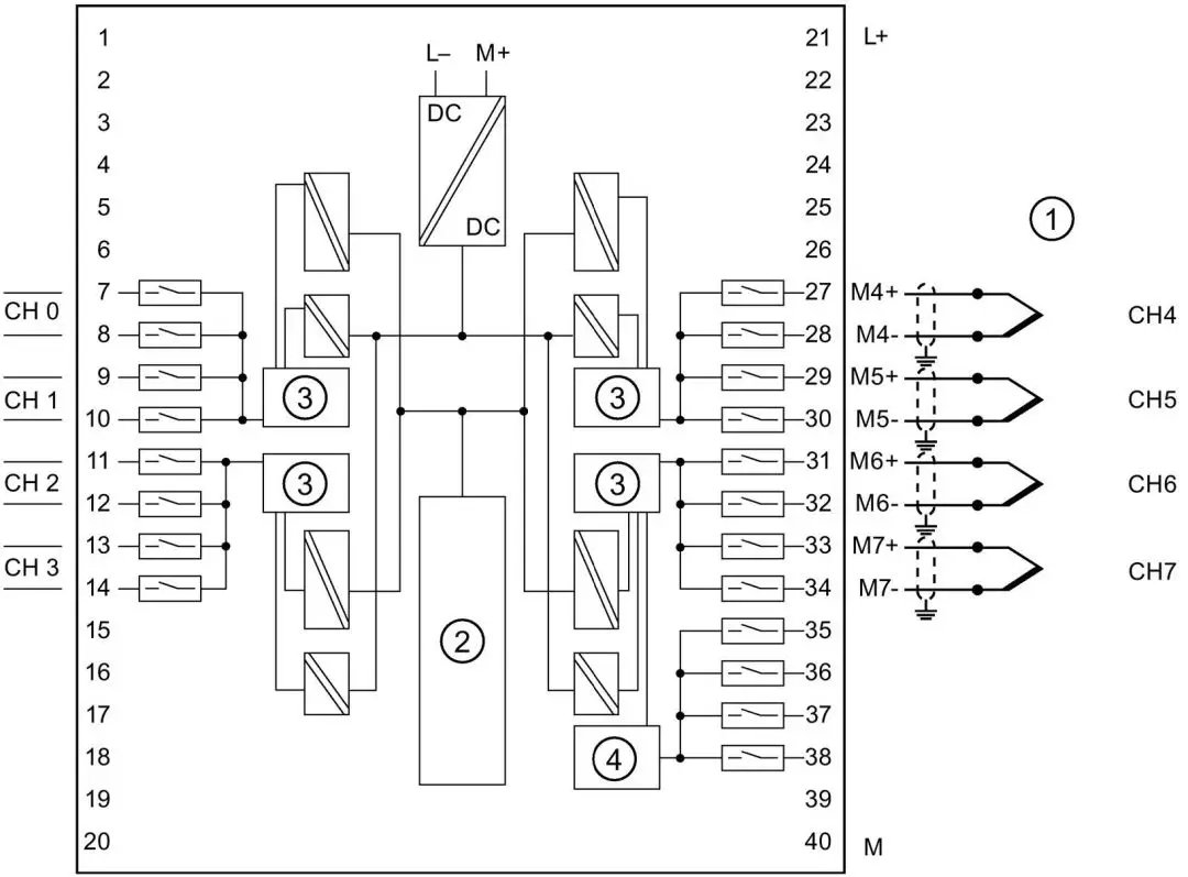
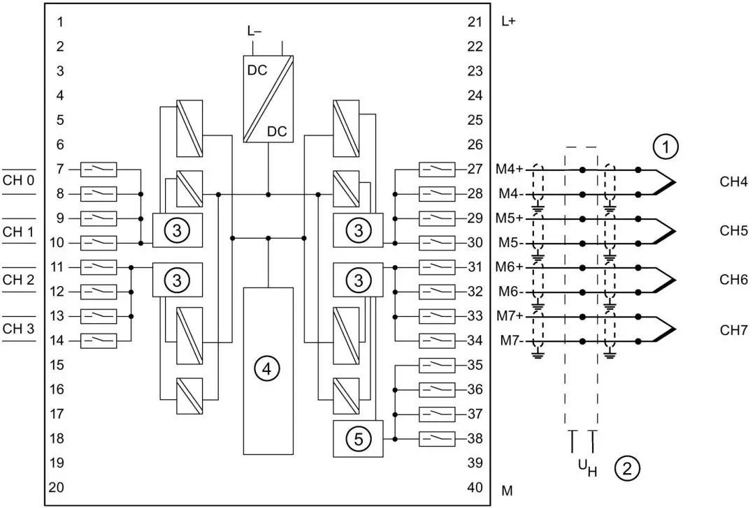
接线:2 线制和 4 线制传感器

图 6-2 接线图与方框图
①背板总线接口
②电气隔离
③模数转换器 (ADC)
④适用于 4 线制传感器的通道 0
⑤适用于 2 线制传感器的通道 7(具有外部电源)
⑥等电位连接


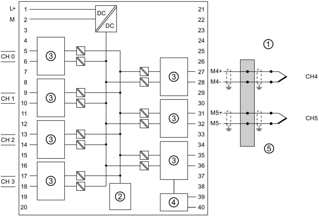
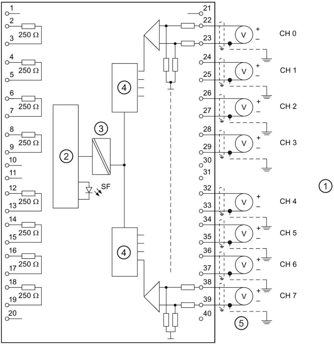
模拟输入模块 SM 331; AI 8 x 16 位;(6ES7331-7NF10-0AB0)
接线:电压和电流测量
通道 0 到 7 两侧可进行的连接
图 6-3 接线图与方框图
①用于电压测量的连接
②等电位连接

接线:2 线制和 4 线制传感器
通道 0 到 7 两侧可进行的连接
图 6-4 接线图与方框图
①2 线制传感器
②4 线制传感器
③等电位连接

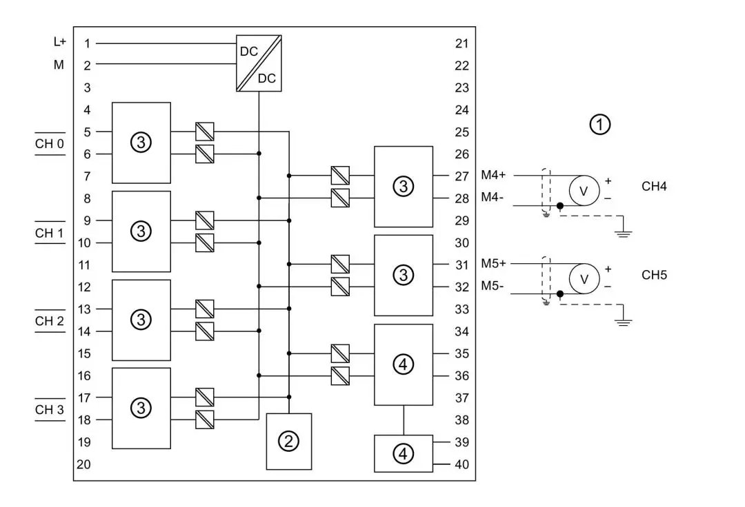
模拟输入模块 SM 331;AI 8 x 14 位高速;同步;(6ES7331-7HF0x-0AB0)
接线:电压测量
图 6-7 方框图和接线图

接线:用于电流测量的 2 线制和 4 线制测量传感器
图 6-8 方框图和接线图


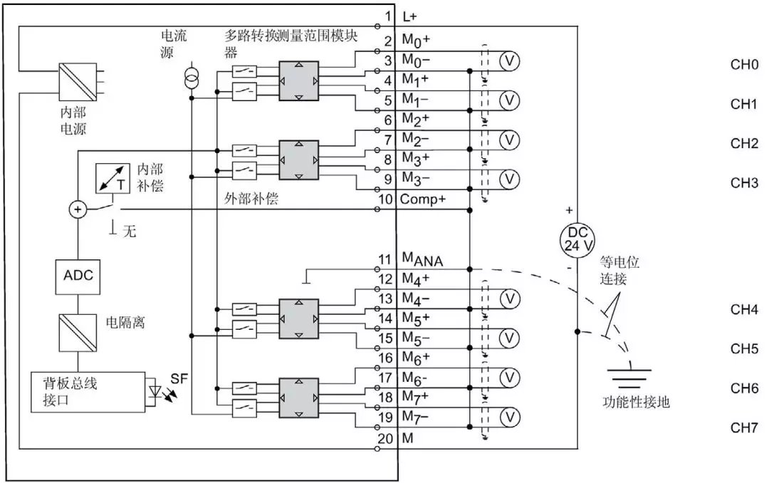
模拟量输入模块 SM 331, AI 8 x 13 位;(6ES7331-1KF02-0AB0)
接线:电压测量
图 6-10 方框图和端子图
①电压测量:(± 5V、± 10V、1 ... 5V 和 0...10V)
②电压测量(± 50 mV、± 500 mV、± 1 V)(请注意技术数据中定义的输入电阻)
③等电位连接
④内部电源
⑤来自背板总线的 + 5 V 电压
⑥逻辑和背板总线接口
⑦电气隔离
⑧多路转换器
⑨模数转换器 (ADC)
⑩电流源

接线:用于电流测量的 2 线制和 4 线制测量传感器
图 6-11 方框图和接线图
①4 线制传感器(0/4 mA 到 20 mA 或 ± 20 mA)
②2 线制传感器(4 mA 到 20 mA)
③等电位连接
④内部电源
⑤来自背板总线的 + 5 V 电压
⑥逻辑和背板总线接口
⑦电气隔离
⑧多路转换器
⑨模数转换器 (ADC)
⑩电流源

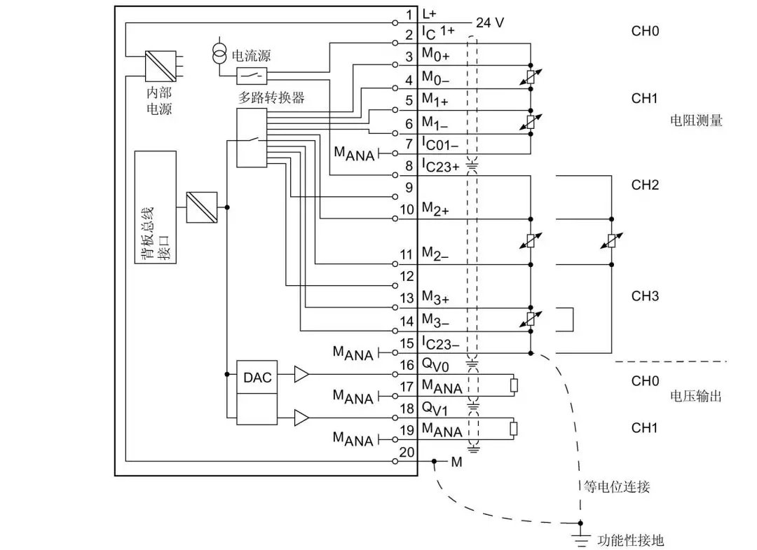
接线:2 线制、3 线制和 4 线制连接的电阻测量
以下可能的接线方式也适用于硅温度传感器和 PTC。
图 6-12 方框图和端子图
①2 线制连接。在 M 和 S 间插入桥接器(无线路阻抗补偿)。
②3 线制连接
③4 线制连接。不得为第四条线路接线(保持未使用)
④4 线制连接。将第四条线路路由到机柜中的端子板,但不接线。
⑤内部电源
⑥来自背板总线的 + 5 V 电压
⑦逻辑和背板总线接口
⑧电气隔离
⑨多路转换器
⑩模数转换器 (ADC)
⑪电流源


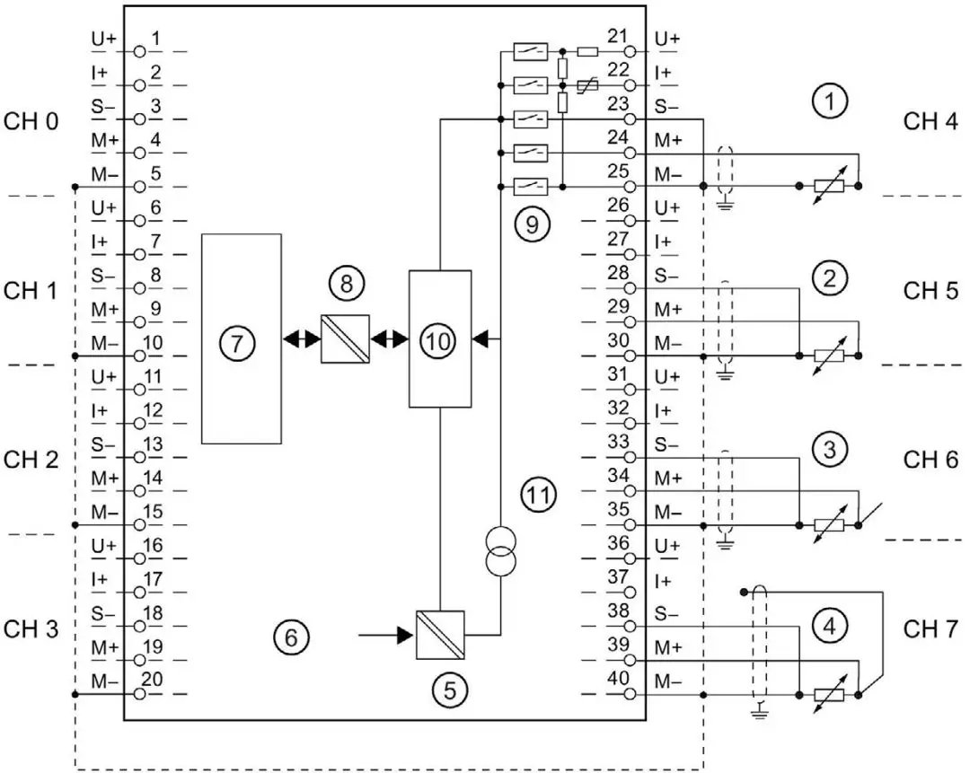
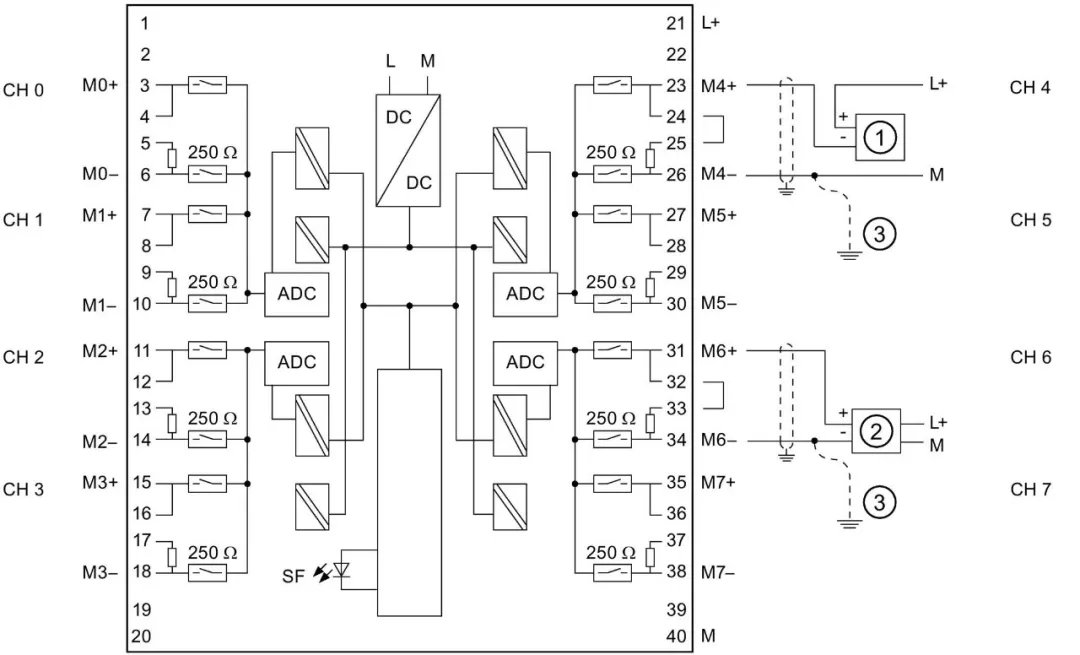
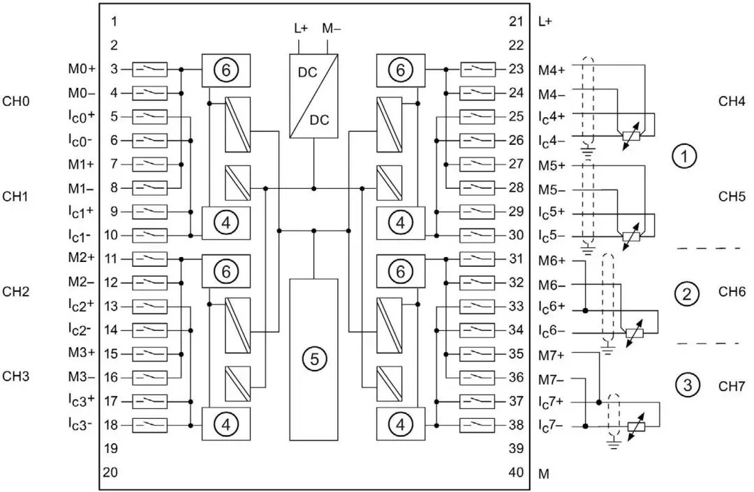
模拟量输入模块 SM 331;AI 8 x 12 位;(6ES7331-7KF02-0AB0)
接线:电压测量
图 6-13 方框图和接线图

接线:用于电流测量的 2 线制和 4 线制测量变送器
图 6-14 方框图和接线图

接线:阻性变送器或热电阻的 2 线制、3 线制和 4 线制连接
图 6-15 方框图和接线图
①4 线制连接
②3 线制连接(不补偿线路电阻)
③2 线制连接(不补偿线路电阻)
接线:带外部补偿的热电偶
使用内部补偿时,必须在 Comp+ 和 MANA 间进行桥接。



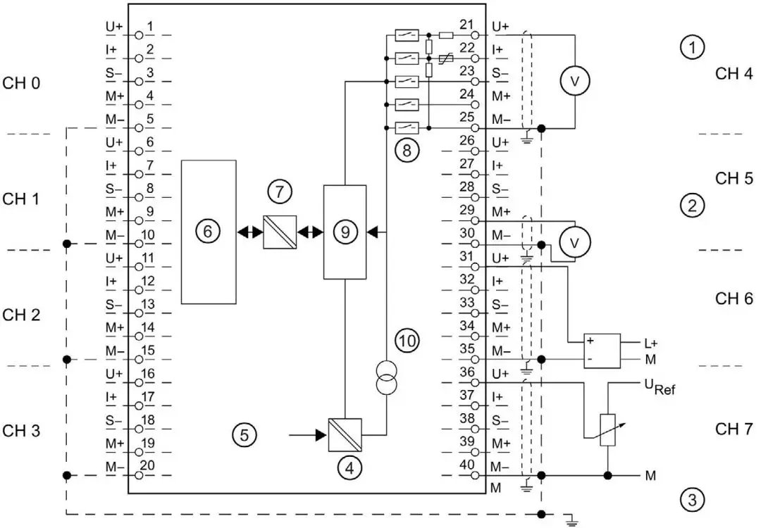
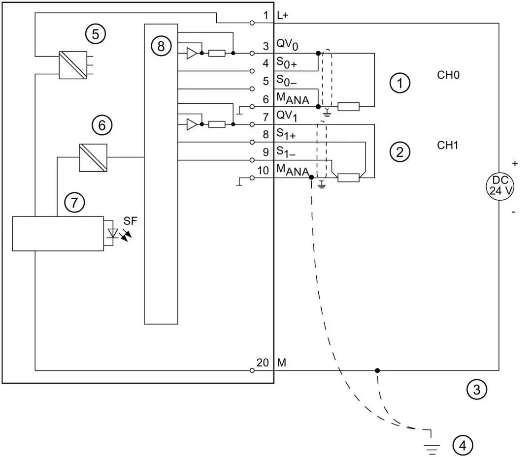
模拟输入模块 SM 331; AI 2 x 12 位;(6ES7 331-7KB02-0AB0)
接线:电压测量
图 6-17 接线图与方框图
接线:带外部补偿的热电偶
使用内部补偿时,必须在 Comp+ 和 MANA 间进行桥接。
图 6-18 接线图与方框图
接线:阻性变送器或热电阻的 2 线制、3 线制和 4 线制连接
图 6-19 接线图与方框图
①4 线制连接
②3 线制连接(不补偿线路电阻)
③2 线制连接(不补偿线路电阻)
接线:用于电流测量的 2 线制和 4 线制测量变送器
图 6-20 接线图与方框图

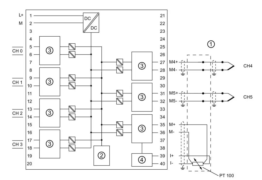
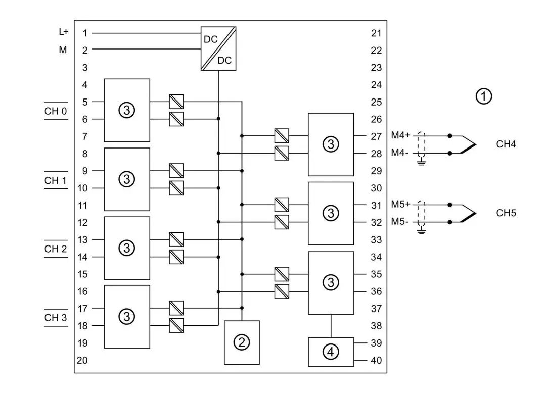
模拟输入模块 SM 331; AI 8 x RTD;(6ES7 331-7PF01-0AB0)
接线:电阻和热电阻测量的 2 线制、3 线制以及 4 线制连接
通道 0 到 7 两侧可进行的连接
图 6-21 接线图与方框图
①4 线制连接
②3 线制连接
③2 线制连接
④数模转换器
⑤背板总线接口
⑥模数转换器 (ADC)
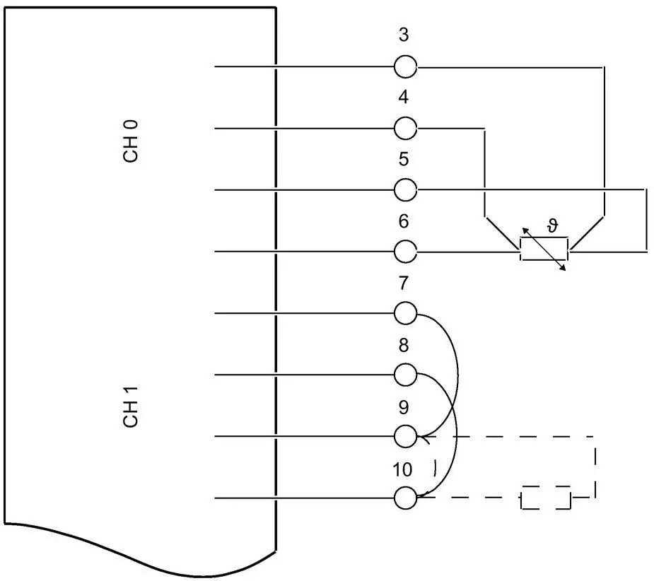
图 6-22 未使用的通道

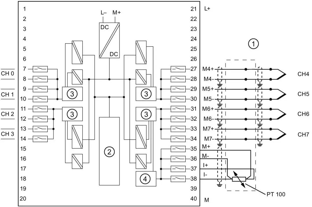
模拟输入模块 SM 331; AI 8 x TC;(6ES7 331-7PF11-0AB0)
接线:通过基准结的热电偶
如果热电偶通过调节为 0°C 或 50°C 的基准结接线,则所有 8 个输入都可作为测量通道使用。
图 6-26 接线图与方框图
①通过基准结的热电偶
②基准结调节为 0°C 或 50°C例如,补偿盒(每个通道)或自动调温器
③模数转换器 (ADC)
④背板总线接口
⑤外部冷端比较
接线:带外部补偿的热电偶
使用这种类型的补偿,基准结上端子的温度由温度范围为 -25°C 到 85°C 的热电阻 Pt 100 确定(请参见端子 35 到 38)。
图 6-27 接线图与方框图
①带外部温度补偿的热电偶
②背板总线接口
③模数转换器 (ADC)
④外部冷端比较
接线:带内部补偿的热电偶
使用这种补偿,模块记录连接器基准结中的温度。
图 6-28 接线图与方框图
①将导体均衡到前连接器的热电偶
②背板总线接口
③模数转换器 (ADC)
④外部冷端比较


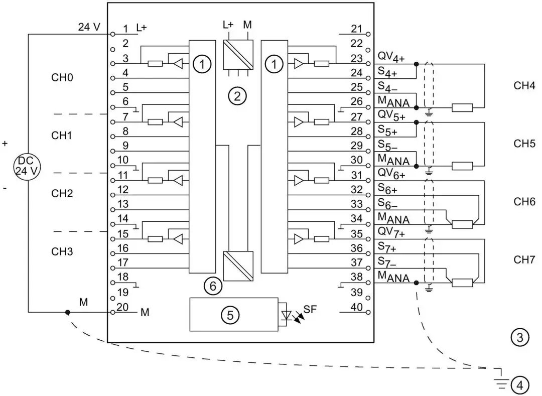
隔离式模拟量输入模块 SM 331, AI 6 x TC (6ES7331-7PE10-0AB0)
接线: 带内部补偿的热电偶
使用这种补偿,模块检测连接器基准结的温度。
①热电偶通过补偿导线(延伸)连接到前连接器
②背板总线接口
③模数转换器 (ADC)
④外部冷端比较(ADC 和电流源)
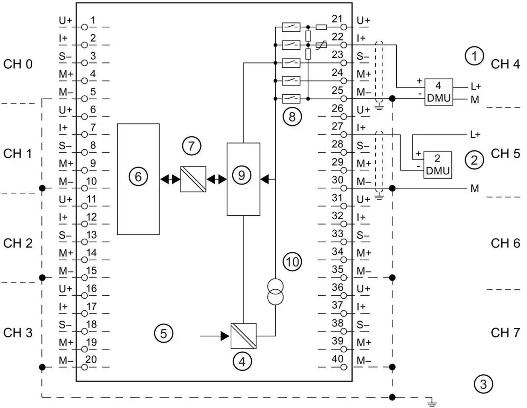
接线: 带外部补偿的热电偶
使用这种补偿类型,基准结端子上的温度将由温度范围为 -145 °C 到 +155 °C 的 Pt 100 气候型热电阻确定(请参见端子 35、36、39 和 40)。
图 6-33 外部补偿
①热电偶的外部温度补偿端子通过铜导线连接到前连接器上
②背板总线接口
③模数转换器 (ADC)
④外部冷端比较(ADC 和电流源)
接线: 通过基准结的热电偶
使用这种类型的补偿,需要将基准结端子的温度调节为 0 °C 或 50 °C。
图 6-34 基准结
①热电偶的参比接点端子通过铜导线连接到前连接器上
②背板总线接口
③模数转换器 (ADC)
④外部冷端比较(ADC 和电流源)
⑤基准结的温度调节为 0 °C 或 50 °C,例如,通过自动调温器或每个通道的补偿盒
接线: 电压输入
图 6-35 电压输入
①施加的输入电压
②背板总线接口
③模数转换器 (ADC)
④外部冷端比较(ADC 和电流源)


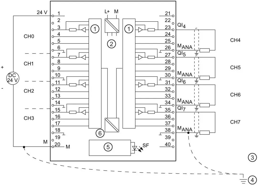
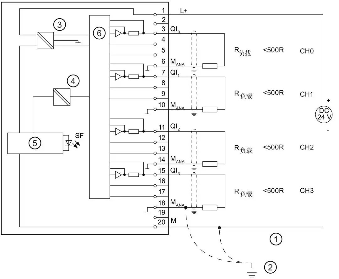
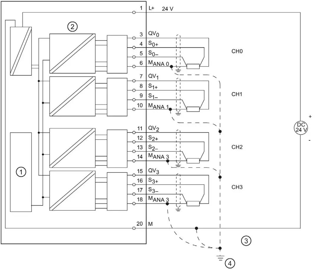
模拟量输出模块 SM 332;AO 8 x 12 位;(6ES7332-5HF00-0AB0)
接线:电压输出的 2 线和 4 线连接
下图描述了:
● 2 线制连接(对线路阻抗无补偿)和
● 4 线制连接(对线路阻抗有补偿)
图 6-41 接线图与方框图
接线:电流输出
图 6-33 外部补偿


图 6-42 接线图与方框图
①DAC
②内部电源
③等电位连接
④功能性接地
⑤背板总线接口
⑥电气隔离


模拟输出模块 SM 332;AO 4 x 16 位;同步;(6ES7332-7ND02-0AB0)
接线:4 线制连接
图 6-43 接线图与方框图
①背板总线接口
②电气隔离
③等电位连接
④功能性接地
接线:电流输出
图 6-44 接线图与方框图
①背板总线接口
②电气隔离
③等电位连接
④功能性接地


模拟输出模块 SM 332; AO 4 x 12 位;(6ES7332-5HD01-0AB0)
接线:电压输出的 2 线和 4 线连接
下图描绘了 2 线制连接(对线路电阻无补偿)和 4 线制连接(对线路电阻有补偿)。
图 6-46 接线图与方框图
①2 线制连接(对线路电阻无补偿)
②4 线制连接(对线路电阻有补偿)
③等电位连接
④功能性接地
⑤内部电源
⑥电气隔离
⑦背板总线接口
⑧模数转换器 (ADC
接线:电流输出
图 6-47 接线图与方框图
①等电位连接
②功能性接地
③内部电源
④电气隔离
⑤背板总线接口
⑥模数转换器 (ADC)


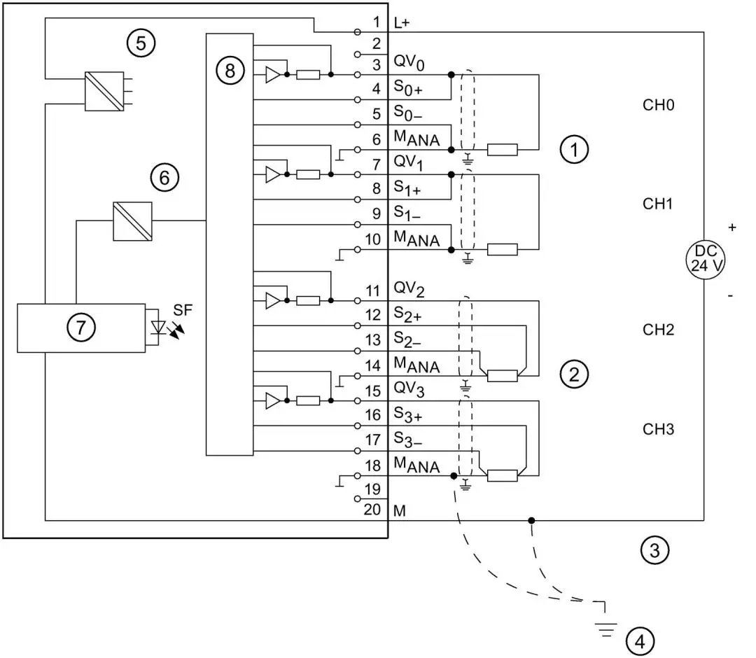
模拟输出模块 SM 332; AO 2 x 12 位;(6ES7332-5HB01-0AB0)
接线:电压输出的 2 线和 4 线连接
图 6-48 接线图与方框图
①2 线制连接:对线路阻抗无补偿
②4 线制连接:对线路阻抗有补偿
③等电位连接
④功能性接地
⑤内部电源
⑥电气隔离
⑦背板总线接口
⑧模数转换器 (ADC)
电流输出的接线
图 6-49 接线图与方框图
①等电位连接
②功能性接地
③内部电源
④电气隔离
⑤背板总线接口
⑥数模转换器 (DAC)


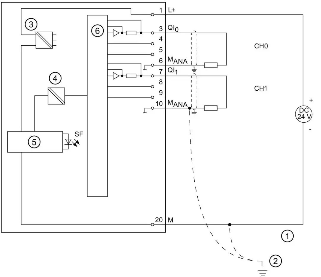
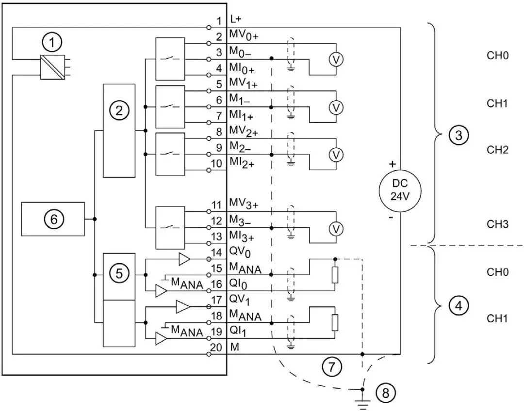
模拟 IO 模块 SM 334; AI 4/AO 2 x 8/8 位;(6ES7334-0CE01-0AA0)
接线: 电压测量和电流输出
图 6-50 接线图和方框图
①内部电源
②模数转换器 (ADC)
③输入: 电压测量
④输出:电压输出
⑤数模转换器 (DAC)
⑥背板总线接口
⑦等电位连接
⑧功能性接地
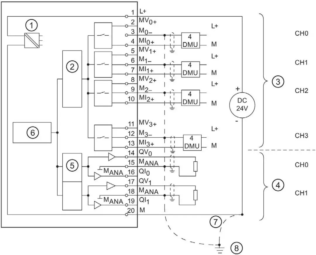
接线: 用于电流测量和电压输出的 4 线制传感器
图 6-51 接线图和方框图
①内部电源
②模数转换器 (ADC)
③输入: 用 4 线传感器进行的电流测量
④输出:电压输出
⑤数模转换器 (DAC)
⑥背板总线接口
⑦等电位连接
⑧功能性接地

模拟 IO 模块 SM 334; AI 4/AO 2 x 12 位;(6ES7334-0KE00-0AB0)
接线:电阻测量、电压测量和电压输出
图 6-52 接线图与方框图
接线:电阻测量和电压输出
图 6-53 接线图与方框图


197dd0e6773846d7b6d2308d653381b4.jpeg

路过

雷人

握手

鲜花

鸡蛋

相关阅读

最新评论

热门文章

QQ|免责声明|本站介绍|工控课堂 ( 沪ICP备14007696号-3 )|网站地图

GMT+8, 2019-4-8 19:41 , Processed in 0.059471 second(s), 34 queries .

Powered by Discuz! X3.4

© 2001-2017 Comsenz Inc.

返回顶部