找回密码
 立即注册

QQ登录

只需一步,快速开始

工控课堂 首页 工控文库 查看内容

月薪8000元电工师傅的标配--看懂6个回路?

2023-8-22 21:20| 发布者: gk-auto| 查看: 1055| 评论: 0

摘要: 对于初学电工的朋友,很多在现场接线是没有问题的,但是给电路图开始施工,很多师傅开始犯难了,不明白不明确电路图,在电路图中所用到的元器件不清晰,从而领料施工就困难了。今天来分享下,个人对电路图的理解,一 ...

对于初学电工的朋友,很多在现场接线是没有问题的,但是给电路图开始施工,很多师傅开始犯难了,不明白不明确电路图,在电路图中所用到的元器件不清晰,从而领料施工就困难了。


今天来分享下,个人对电路图的理解,一同学习下。


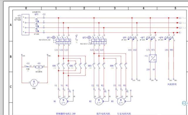
在下面这个电路中,我们需要从左到右看,先看主回路,然后看控制回路。

电路图

第1个回路是主回路

输入AC380V三相电 经过 3P D60型断路器 QF0 接入端子X1 ,过端子后到最后L1、L2、L3、N。在这里说明下三相电直接任何两相都是AC380V,任何一相和零线N之间是AC220V。

交流电动机起动器

第2个回路

接入交流电动机起动器NS2-25 4-6.3A 。L11、L12、L13接入交流接触器KM1然后接入电机M1,KM1交流接触器是对电机M1进行正转控制。在L11、L12、L13线下面同时接入KM2交流接触器,KM2交流接触是对电机M1进行反转控制。正转接线需要接线相线黄、绿、红,那么反转需要相线进行调序接入红、绿、黄。PE是电机地线。

第3个回路

出线接入交流电动机起动器NS2-25(1-1.6A) ,经过交流电动机起动器NS2-25(1-1.6A)L21、L22、L23、接入交流接触器KM3 到电机M2 ,电机M2是提升电机风机。

第4个回路

从L1、L2主回路出现接入QF6 2P D 断路器 出线L61、L62 作为预留。

QF6 2P D

第5个回路

从L1、N主回路出线接入QF7 2P D 断路器出线L71、N71接入AC220V转换DC24V电源,输出直流24V给PLC进行供电。

第6个回路

从L1、N主回路出线接入QF8 2P D 断路器出线L81、N81接入控制柜散热风扇,同时在L81、N81并出1个回路接门限开关常闭点控制柜内照明灯,门开灯亮,门闭上灯灭。

学懂电路图是我们作为电工精进的基础,明白电路后我们再学PLC就非常简单。学懂电路图让我们从事操作工,变成指挥工作。电路图就是指导图,让我们共同学习提升自己吧!

关注公众号,加入500人微信群,下载100G免费资料!

最新评论

关闭

站长推荐上一条 /1 下一条

QQ|手机版|免责声明|本站介绍|工控课堂 ( 沪ICP备20008691号-1 )

GMT+8, 2025-12-23 12:46 , Processed in 0.048893 second(s), 18 queries .

Powered by Discuz! X3.5

© 2001-2025 Discuz! Team.

返回顶部