找回密码
 立即注册

QQ登录

只需一步,快速开始

查看: 4147|回复: 13

西门子PLC 8种入门实例接线与控制

 火.. [复制链接]
  • 打卡等级:即来则安
  • 打卡总天数:27
  • 打卡月天数:6
  • 打卡总奖励:7736
  • 最近打卡:2025-12-20 00:35:11

3317

主题

285

回帖

2万

积分

管理员

积分
23881
发表于 2020-2-3 17:03:32 | 显示全部楼层 |阅读模式
此次为大家带来的是关于一些PLC编程控制入门常用到的实例,以此为借鉴,让学PLC的进度条缩短,加大掌握程度。里面包含的知识点是较为齐全的,如:I/O分配表、PLC接线图、梯形图程序等。
一、电动机顺序启动、顺序停止控制(I/O分配表、PLC接线图、梯形图程序)




二、 电动机的顺序启动、同时停止(I/O分配表、PLC接线图、梯形图程序)




三、电动机的顺序启动、逆序停止(I/O分配表、PLC接线图、梯形图程序)




四、电动机延时启动、停止控制(I/O分配表、PLC接线图、梯形图程序)




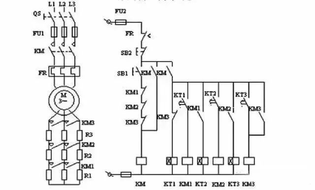
五、笼型感应电动机定子绕组从串电阻降压启动控制系统(I/O分配表、PLC接线图、梯形图程序)




六、三相绕线感应电动机转子绕组串电阻降压启动控制系统(I/O分配表、PLC接线图、梯形图程序)




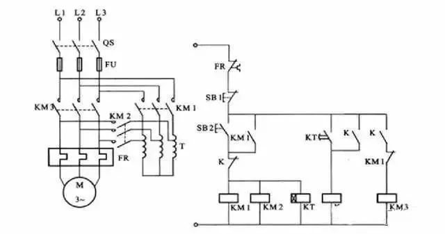
七、Y-降压启动控制系统(I/O分配表、PLC接线图、梯形图程序)
Y-降压启动控制(1)




Y-降压启动控制(2)




八、自耦变压器降压启动控制系统(I/O分配表、PLC接线图、梯形图程序)



本帖子中包含更多资源

您需要 登录 才可以下载或查看,没有账号?立即注册

×
工控课堂 www.gkket.com

0

主题

119

回帖

293

积分

注册会员

积分
293
发表于 2020-2-3 17:03:33 | 显示全部楼层
看到这帖子真是高兴!
工控课堂 www.gkket.com

0

主题

556

回帖

1086

积分

中级会员

积分
1086
发表于 2020-3-3 11:27:45 | 显示全部楼层
强烈支持楼主ing……
工控课堂 www.gkket.com

0

主题

95

回帖

344

积分

注册会员

积分
344
发表于 2020-10-8 14:18:22 | 显示全部楼层
真是难得给力的帖子啊。
工控课堂 www.gkket.com

0

主题

72

回帖

123

积分

新手上路

积分
123
发表于 2025-11-23 18:29:18 | 显示全部楼层
原来还有这种操作,长见识了!
工控课堂 www.gkket.com

0

主题

100

回帖

192

积分

新手上路

积分
192
发表于 2025-11-25 18:21:35 | 显示全部楼层
蹲一波同款,有没有姐妹 / 兄弟推荐?
工控课堂 www.gkket.com

0

主题

73

回帖

107

积分

新手上路

积分
107
发表于 2025-11-25 18:30:13 | 显示全部楼层
来凑个热闹,为楼主增加点人气!
工控课堂 www.gkket.com

0

主题

100

回帖

217

积分

注册会员

积分
217
发表于 2025-11-25 18:31:46 | 显示全部楼层
赞同 + 10086,完全说出了我的想法!
工控课堂 www.gkket.com

0

主题

95

回帖

153

积分

新手上路

积分
153
发表于 2025-11-25 18:33:06 | 显示全部楼层
同款经历!简直是世另我
工控课堂 www.gkket.com

0

主题

172

回帖

445

积分

注册会员

积分
445
发表于 2025-11-25 18:33:08 | 显示全部楼层
评论区人才辈出,笑到停不下来😂
工控课堂 www.gkket.com
您需要登录后才可以回帖 登录 | 立即注册

本版积分规则

关闭

站长推荐上一条 /1 下一条

QQ|手机版|免责声明|本站介绍|工控课堂 ( 沪ICP备20008691号-1 )

GMT+8, 2025-12-22 17:01 , Processed in 0.123190 second(s), 28 queries .

Powered by Discuz! X3.5

© 2001-2025 Discuz! Team.

快速回复 返回顶部 返回列表