找回密码
 立即注册

QQ登录

只需一步,快速开始

查看: 5165|回复: 12

变频器与PLC如何接线,图纸都在这里!

 火.. [复制链接]
  • 打卡等级:即来则安
  • 打卡总天数:27
  • 打卡月天数:6
  • 打卡总奖励:7736
  • 最近打卡:2025-12-20 00:35:11

3317

主题

285

回帖

2万

积分

管理员

积分
23881
发表于 2020-4-16 21:23:15 | 显示全部楼层 |阅读模式
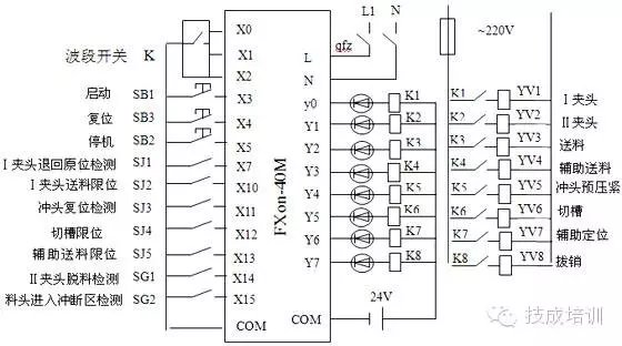
PLC系统的IO接线图


PLC接线图


变频器接线图

PLC的I\O分配及接线

变频器接线图

PLC外部接线图

三菱PLC接线图
西门子变频器接线图


变频器接线图


PLC与变频器接线图


变频器接线图

本帖子中包含更多资源

您需要 登录 才可以下载或查看,没有账号?立即注册

×
工控课堂 www.gkket.com

0

主题

94

回帖

490

积分

注册会员

积分
490
发表于 2020-4-16 22:56:19 | 显示全部楼层
绝对干货,楼主给力,支持了!!!
工控课堂 www.gkket.com

0

主题

94

回帖

237

积分

注册会员

积分
237
发表于 2020-11-29 14:16:46 | 显示全部楼层
无私奉献,好工控人,32个赞送给你!!
工控课堂 www.gkket.com

0

主题

90

回帖

141

积分

新手上路

积分
141
发表于 2025-11-22 09:33:46 | 显示全部楼层
楼主辛苦啦,期待下一篇分享
工控课堂 www.gkket.com

0

主题

531

回帖

2056

积分

高级会员

积分
2056
发表于 2025-11-22 09:40:04 | 显示全部楼层
赞同 + 10086,没毛病,完全没毛病
工控课堂 www.gkket.com

0

主题

106

回帖

327

积分

注册会员

积分
327
发表于 2025-11-22 09:44:19 | 显示全部楼层
楼主太会说了,字字句句都在理~
工控课堂 www.gkket.com

0

主题

71

回帖

102

积分

新手上路

积分
102
发表于 2025-11-22 09:46:40 | 显示全部楼层
蹲一波同款,有没有姐妹 / 兄弟推荐?
工控课堂 www.gkket.com

0

主题

466

回帖

2545

积分

高级会员

积分
2545
发表于 2025-11-22 09:47:12 | 显示全部楼层
路过混个脸熟,顺便为优质内容打 call~
工控课堂 www.gkket.com

0

主题

129

回帖

316

积分

注册会员

积分
316
发表于 2025-11-22 09:47:25 | 显示全部楼层
浅评一下:内容优质,值得推荐~
工控课堂 www.gkket.com

0

主题

89

回帖

141

积分

新手上路

积分
141
发表于 2025-11-22 09:51:28 | 显示全部楼层
内容太顶了!疯狂点赞,已默默收藏~
工控课堂 www.gkket.com
您需要登录后才可以回帖 登录 | 立即注册

本版积分规则

关闭

站长推荐上一条 /1 下一条

QQ|手机版|免责声明|本站介绍|工控课堂 ( 沪ICP备20008691号-1 )

GMT+8, 2025-12-22 17:00 , Processed in 0.113230 second(s), 28 queries .

Powered by Discuz! X3.5

© 2001-2025 Discuz! Team.

快速回复 返回顶部 返回列表