找回密码
 立即注册

QQ登录

只需一步,快速开始

查看: 3568|回复: 12

接触器控制电路?这篇文章足矣

 火.. [复制链接]
  • 打卡等级:即来则安
  • 打卡总天数:29
  • 打卡月天数:1
  • 打卡总奖励:7791
  • 最近打卡:2025-12-13 17:25:16

2540

主题

1355

回帖

2万

积分

管理员

积分
21304
发表于 2020-8-14 20:00:31 | 显示全部楼层 |阅读模式


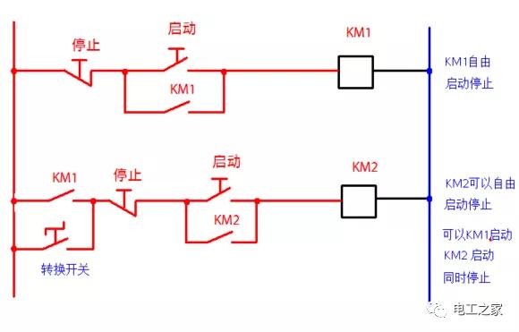
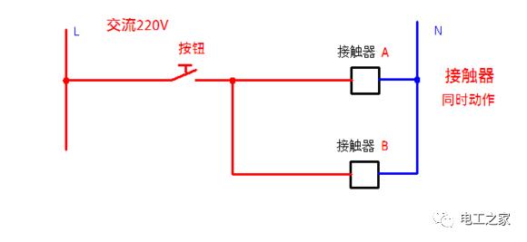
从最简单电路开起,可能有的认为太简单,不过我认为只有从简单的练起,才能理解复杂电路。 所谓原理,先有 工作原理:我们首先必须知道我们要做什么。后有 控制原理:我们根据需要,研究,设计我们的电器控制电路,以满足需要




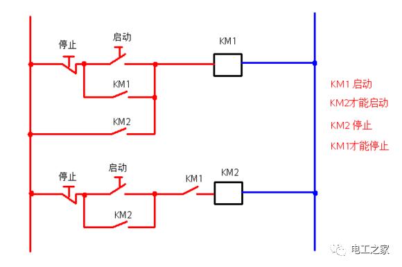
这个是启动优先,不过用的很少!必须说明才行,不然新手可不懂这些






实际已测试,两者存在这不确定性!总会有一个先吸合!先吸合的跟线阻大小没有关系。














































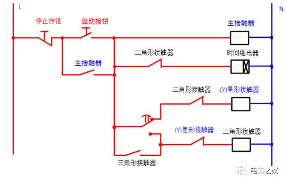
可以用于星三角










一般星形,三角形启动电路必须是三角形运转的电动机,线圈电压380V,三角形接法,做星形连接后,线圈就会串联,线圈电压就会降低到220V,所以启动电流就会减小。星形启动的电流小,启动后就断开,主接触器和三角形接触器,工作时电流大。不过要看情况,如果启动频繁,星形接触器就会容易损坏






看第一个时间继电器动作以后,星形接触器断电,第二个时间继电器得电开始计时,第二个时间继电器动作,三角形接触器得电自锁,断开时间继电器1,断开时间继电器2,断开星形接触器,开始正常工作。时间继电器1 控制星形启动时间,时间继电器2,控制星形与三角形接触器的转换时间。
































本帖子中包含更多资源

您需要 登录 才可以下载或查看,没有账号?立即注册

×
工控课堂 www.gkket.com

0

主题

116

回帖

505

积分

中级会员

积分
505
发表于 2020-8-14 20:03:50 | 显示全部楼层
真是难得给力的帖子啊。
工控课堂 www.gkket.com

0

主题

80

回帖

186

积分

新手上路

积分
186
发表于 2020-10-13 08:08:21 | 显示全部楼层
看完楼主的帖子,我的心情竟是久久不能平息,受教了
工控课堂 www.gkket.com

0

主题

122

回帖

380

积分

注册会员

积分
380
发表于 2025-11-13 23:07:17 | 显示全部楼层
原来还有这种操作,长见识了!
工控课堂 www.gkket.com

0

主题

78

回帖

118

积分

新手上路

积分
118
发表于 2025-11-15 19:49:06 | 显示全部楼层
已转发给朋友,一起感受这份快乐~
工控课堂 www.gkket.com

0

主题

70

回帖

106

积分

新手上路

积分
106
发表于 2025-11-15 19:59:18 | 显示全部楼层
学到了学到了,这波分享太实用啦!
工控课堂 www.gkket.com

0

主题

85

回帖

129

积分

新手上路

积分
129
发表于 2025-11-15 20:02:08 | 显示全部楼层
画面感太强了,仿佛身临其境!
工控课堂 www.gkket.com

0

主题

82

回帖

125

积分

新手上路

积分
125
发表于 2025-11-15 20:02:38 | 显示全部楼层
这波反向操作,我属实没想到!
工控课堂 www.gkket.com

0

主题

59

回帖

71

积分

新手上路

积分
71
发表于 2025-11-15 20:03:48 | 显示全部楼层
笑不活了,评论区比正文还精彩
已转发给朋友,一起快乐一下
工控课堂 www.gkket.com

0

主题

121

回帖

198

积分

新手上路

积分
198
发表于 2025-11-15 20:11:08 | 显示全部楼层
打卡路过,支持优质原创内容~
工控课堂 www.gkket.com
您需要登录后才可以回帖 登录 | 立即注册

本版积分规则

关闭

站长推荐上一条 /1 下一条

QQ|手机版|免责声明|本站介绍|工控课堂 ( 沪ICP备20008691号-1 )

GMT+8, 2025-12-22 19:30 , Processed in 0.116116 second(s), 28 queries .

Powered by Discuz! X3.5

© 2001-2025 Discuz! Team.

快速回复 返回顶部 返回列表