找回密码
 立即注册

QQ登录

只需一步,快速开始

查看: 4258|回复: 12

PLC与各种传感器连接方案

 火.. [复制链接]
  • 打卡等级:即来则安
  • 打卡总天数:29
  • 打卡月天数:1
  • 打卡总奖励:7791
  • 最近打卡:2025-12-13 17:25:16

2540

主题

1353

回帖

2万

积分

管理员

积分
21301
发表于 2020-11-10 21:13:19 | 显示全部楼层 |阅读模式
[size=0.8]工业传感器概述
[size=0.8]搜索
[size=0.8]在工业现场中,压力、位移、温度流量、转速等各类模拟量传感器因设计使用的技术方法不同。传感器工作配电的方式主要分为两线制和四线制,其输出的模拟信号也各有差异,而常见的有0-20mA、4-20mA电流信号和0-75mV、0-5V、1-5V电压信号。
[size=0.8]要把各类传感器模拟信号成功采集到PLC/DCS/FCS/MCU/FA/PC系统,就要根据传感器与数据采集系统的功能和技术特点进行匹配选型,同时也要考虑到工业现场传感器与PLC等数据采集系统的供电差异及各种EMC干扰的影响,通常把传感器输出的模拟信号隔离、放大、转换后送到PLC等数据采集系统。PLC通过信号线采集传感器的模拟或数字信号,然后进行处理,如果传感器是模拟输出,PLC就要接模拟输入接口,如果传感器是数字信号输出,PLC就要接数字输入接口.
[size=0.6]PLC与各种传感器连接方案

[size=0.8]开关量传感器就是一个无触点的开关,开关量传感器可作为PLC的开关量输入信号。一般用于开关量控制的设备,机床,机器等。模拟量传感器是把不同的物理量(如压力、流量、温度)转换成模拟量(4-20MA的电流或1-5V的电压)。模拟量传感器作为PLC的模拟量输入模块的输入信号。一般用于过程控制。数字传感器是指将传统的模拟式传感器经过加装或改造A/D转换模块,使之输出信号为数字量(或数字编码)的传感器,主要包括:放大器、A/D转换器、微处理器(CPU)、存储器、通讯接口电路等。
[size=0.8]常用的模拟量传感器分为两线制和四线制,两线制和四线制都只有两根信号线,它们之间的主要区别在于:两线制的两根信号线既要给传感器或者变送器供电,又要提供电流电压信号;而四线制的两根信号线只提供电流信号。通常提供两线制电流电压信号的传感器或者变送器是无源的;而提供四线制电流信号的传感器或者变送器是有源的。因此,当PLC等数据采集系统的模板输入通道设定为连接四线制传感器时,PLC只从模板通道的端子上采集模拟信号,而当PLC等数据采集系统的模板输入通道设定为连接二线制传感器时,PLC的模拟输入模板的通道上还要向外输出一个直流24V的电源,以驱动两线制传感器工作。
[size=0.6]PLC与各种传感器连接方案

[size=0.8]4-20mA和电工标准有关,4-20mA信号制是国际电工委员会(IEC)过程控制系统用模拟信号标准。我国从DDZ-Ⅲ型电动仪表开始采用这一国际标准信号制,仪表传输信号采用4-20mA,联络信号采用1-5VDC,即采用电流传输、电压接收的信号系统。因为信号起点电流为4mA,为变送器提供了静态工作电流,同时仪表电气零点为4mA,不与机械零点重合,这种活零点有利于识别断电和断线等故障。
[size=0.6]PLC与各种传感器连接方案

[size=0.8]根据模拟信号传感器的性能选型
[size=0.8]搜索
[size=0.8]1、两线制电流/电压输出传感器(无供电电源,由负载提供16—24V配电,输出4-20mA/0-5V)。
[size=0.6]PLC与各种传感器连接方案

[size=0.8]1.1 两线制无源4-20mA输入型传感器,经电流隔离配电器配电后与PLC连接。如图1所示,称重、测距传感器正端接16—24VDC,负端输出4-20mA电流。
[size=0.6]PLC与各种传感器连接方案

[size=0.8]图1 两线制4-20mA隔离配电器典型应用图
[size=0.6]PLC与各种传感器连接方案

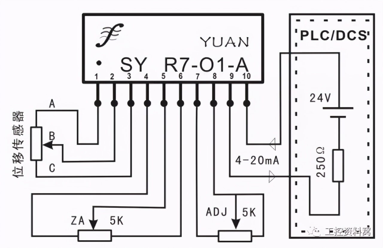
[size=0.8]1.2 两线制无源电压信号输入型传感器,经电压配电器配电后与PLC连接。如图2、图3所示,位移、电子尺传感器正端、负端接16—24VDC电压。
[size=0.6]PLC与各种传感器连接方案

[size=0.8]图2 非隔离两线无源电压配电器
[size=0.6]PLC与各种传感器连接方案

[size=0.8]图3 隔离型电压配电器
[size=0.8]如图4、图5所示,应力片、称重电桥传感器正端、负端接16—24VDC电压。
[size=0.6]PLC与各种传感器连接方案

[size=0.8]图4 隔离型电压信号转换放大
[size=0.6]PLC与各种传感器连接方案

[size=0.8]图5 隔离型电桥电压配电器
[size=0.6]PLC与各种传感器连接方案

[size=0.8]1.3 两线制传感器输出4-20mA电流环路经隔离器隔离后与PLC连接。如图6所示,压力、流量传感器正端接9—32VDC,负端输出4-20mA电流。
[size=0.6]PLC与各种传感器连接方案

[size=0.8]图6 两线制4-20mA电流环路隔离器典型应用图
[size=0.6]PLC与各种传感器连接方案

[size=0.8]1.4 两线制传感器输出4-20mA电流经隔离调理匹配(解决输入输出间冲突)后与PLC连接。如图7所示,温度、转速传感器正端接12—24VDC,负端输出4-20mA电流。
[size=0.6]PLC与各种传感器连接方案

[size=0.8]图7 两线制4-20mA信号与PLC匹配隔离调理典型应用图
[size=0.8]2、四线制电流/电压(输入/输出)型传感器(有自己的供电电源24VDC,输入/输出:4-20mA或0-5V)。
[size=0.6]PLC与各种传感器连接方案

[size=0.8]2.1 四线制电流输出型传感器经模拟信号隔离放大后与PLC连接。如图8所示,温度、湿度传感器正端接24VDC,负端输出4-20mA电流。
[size=0.6]PLC与各种传感器连接方案

[size=0.8]图8 四线制传感器信号I/I隔离放大后与PLC连接典型应用图
[size=0.8]如图9所示,压力、转速传感器正端接24VDC,负端输出4-20mA电流。
[size=0.6]PLC与各种传感器连接方案

[size=0.8]图9 四线制传感器信号I/V转换后与PLC连接典型应用图
[size=0.6]PLC与各种传感器连接方案

[size=0.8]2.2 四线制电压输出型传感器经模拟信号隔离放大后与PLC连接。如图10所示,压力、转速传感器正、负端接24V电源,输出端输出0-5V电压。
[size=0.6]PLC与各种传感器连接方案

[size=0.8]图10 四线制传感器信号V/I转换后与PLC连接典型应用图
[size=0.8]如图11所示,液位、流量传感器正、负端接24V电源,输出端输出0-5V电压。
[size=0.6]PLC与各种传感器连接方案

[size=0.8]图11 四线制传感器信号V/V隔离后与PLC连接典型应用图

本帖子中包含更多资源

您需要 登录 才可以下载或查看,没有账号?立即注册

×
工控课堂 www.gkket.com

0

主题

115

回帖

463

积分

注册会员

积分
463
发表于 2020-11-10 21:22:23 | 显示全部楼层
感恩无私的分享与奉献
工控课堂 www.gkket.com

0

主题

106

回帖

296

积分

注册会员

积分
296
发表于 2020-11-11 01:27:55 | 显示全部楼层
绝对干货,楼主给力,支持了!!!
工控课堂 www.gkket.com

0

主题

79

回帖

118

积分

新手上路

积分
118
发表于 2025-11-12 10:05:27 | 显示全部楼层
哈哈哈哈笑不活,楼主这脑洞绝了!
工控课堂 www.gkket.com

0

主题

84

回帖

124

积分

新手上路

积分
124
发表于 2025-11-12 10:17:54 | 显示全部楼层
同款经历!简直是世另我
工控课堂 www.gkket.com

0

主题

84

回帖

127

积分

新手上路

积分
127
发表于 2025-11-12 10:30:44 | 显示全部楼层
原来还有这种操作,长见识了!
工控课堂 www.gkket.com

0

主题

101

回帖

428

积分

注册会员

积分
428
发表于 2025-11-12 10:38:03 | 显示全部楼层
水贴也要有仪式感,我先来打卡~
工控课堂 www.gkket.com

0

主题

83

回帖

123

积分

新手上路

积分
123
发表于 2025-11-12 10:46:32 | 显示全部楼层
这评论区卧虎藏龙,个个都是人才!
工控课堂 www.gkket.com

0

主题

73

回帖

112

积分

新手上路

积分
112
发表于 2025-11-12 10:47:35 | 显示全部楼层
内容太顶了!疯狂点赞,已默默收藏~
工控课堂 www.gkket.com

0

主题

121

回帖

419

积分

注册会员

积分
419
发表于 2025-11-12 10:56:55 | 显示全部楼层
蹲个后续,楼主记得更新呀,在线等挺急的~
工控课堂 www.gkket.com
您需要登录后才可以回帖 登录 | 立即注册

本版积分规则

关闭

站长推荐上一条 /1 下一条

QQ|手机版|免责声明|本站介绍|工控课堂 ( 沪ICP备20008691号-1 )

GMT+8, 2025-12-22 14:06 , Processed in 0.143734 second(s), 27 queries .

Powered by Discuz! X3.5

© 2001-2025 Discuz! Team.

快速回复 返回顶部 返回列表