找回密码
 立即注册

QQ登录

只需一步,快速开始

查看: 3332|回复: 12

应用案例 | 变频器在曝气机的解决方案

 火.. [复制链接]
  • 打卡等级:常驻代表
  • 打卡总天数:34
  • 打卡月天数:6
  • 打卡总奖励:9027
  • 最近打卡:2025-12-17 23:15:51

2823

主题

541

回帖

2万

积分

管理员

积分
22569
发表于 2021-5-9 12:02:26 | 显示全部楼层 |阅读模式
变频器解决方案:利用变频器的调速范围宽,机械特性等特点,在鼓风机上应用了7800系列变频器。由于变频器的软启动大大的减小了电机起动时对电网的冲击,而且在正常运行的时候,将出气阀门开到最大,根据工艺和参数的要求,适当的调节(通过控制系统的电位器)电机的转速来调节管道的风量,从而来调节污水中的氧气含量。或根据溶解氧传感器反馈的信号( 4~20mA )很方便的实现闭环自动控制。免去了许多繁琐的人工操作,并且具有明显的节电效果。
图(一)污水处理池


图(二)现场控制设备
工作原理:污水→格栅→水泵房→沉砂池→初沉池→曝气生物滤池(鼓风机将压缩空气通过管道送入曝气池,让空气中的氧溶解在污水中供给活性污泥中的微生物。)→二沉池→处理水排放
图(三)控制柜内视图


图(四)控制柜操作面板


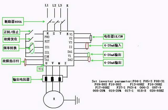
图(五)变频控制柜


图(六)变频控制柜原理图


相应的参数设置如下:
F04=1
F05=3
F08=31
F09=80S
F10=80S
F16=30HZ
F13=60HZ
F17=60HZ
F27=1
F63=4(
频率设定模式切换:手动控制与自动控制)F69中的参数O06=3
O07=9
008=20%
010=20%
017=1
018=8
020=60HZ



本帖子中包含更多资源

您需要 登录 才可以下载或查看,没有账号?立即注册

×
工控课堂 www.gkket.com

0

主题

306

回帖

1037

积分

中级会员

积分
1037
发表于 2021-5-9 12:02:27 | 显示全部楼层
真是难得给力的帖子啊。
工控课堂 www.gkket.com

0

主题

92

回帖

276

积分

注册会员

积分
276
发表于 2021-5-9 17:21:57 | 显示全部楼层
感谢分享,佩服佩服!
工控课堂 www.gkket.com

0

主题

135

回帖

376

积分

注册会员

积分
376
发表于 2025-11-12 19:53:02 | 显示全部楼层
楼主太会说了,字字句句都在理
工控课堂 www.gkket.com

0

主题

81

回帖

127

积分

新手上路

积分
127
发表于 2025-11-12 20:13:24 | 显示全部楼层
原来还有这种操作,长见识了!
工控课堂 www.gkket.com

0

主题

119

回帖

281

积分

注册会员

积分
281
发表于 2025-11-12 20:15:41 | 显示全部楼层
水贴也要有仪式感,我先来打卡~
工控课堂 www.gkket.com

0

主题

94

回帖

143

积分

新手上路

积分
143
发表于 2025-11-12 21:29:34 | 显示全部楼层
水个经验,楼主加油,支持你~
工控课堂 www.gkket.com

0

主题

87

回帖

184

积分

新手上路

积分
184
发表于 2025-11-12 21:45:04 | 显示全部楼层
画面感太强了,仿佛身临其境!
工控课堂 www.gkket.com

0

主题

75

回帖

110

积分

新手上路

积分
110
发表于 2025-11-12 21:50:36 | 显示全部楼层
赞同 + 10086,完全说出了我的想法!
工控课堂 www.gkket.com

0

主题

90

回帖

139

积分

新手上路

积分
139
发表于 2025-11-12 22:00:41 | 显示全部楼层
内容太顶了!疯狂点赞,已默默收藏~
工控课堂 www.gkket.com
您需要登录后才可以回帖 登录 | 立即注册

本版积分规则

关闭

站长推荐上一条 /1 下一条

QQ|手机版|免责声明|本站介绍|工控课堂 ( 沪ICP备20008691号-1 )

GMT+8, 2025-12-22 15:55 , Processed in 0.086084 second(s), 27 queries .

Powered by Discuz! X3.5

© 2001-2025 Discuz! Team.

快速回复 返回顶部 返回列表