找回密码
 立即注册

QQ登录

只需一步,快速开始

查看: 3875|回复: 12

西门子PLC控制变频器,实现3段速控制的方法

 火.. [复制链接]
  • 打卡等级:常驻代表
  • 打卡总天数:34
  • 打卡月天数:6
  • 打卡总奖励:9027
  • 最近打卡:2025-12-17 23:15:51

2823

主题

541

回帖

2万

积分

管理员

积分
22569
发表于 2021-5-10 20:10:07 | 显示全部楼层 |阅读模式
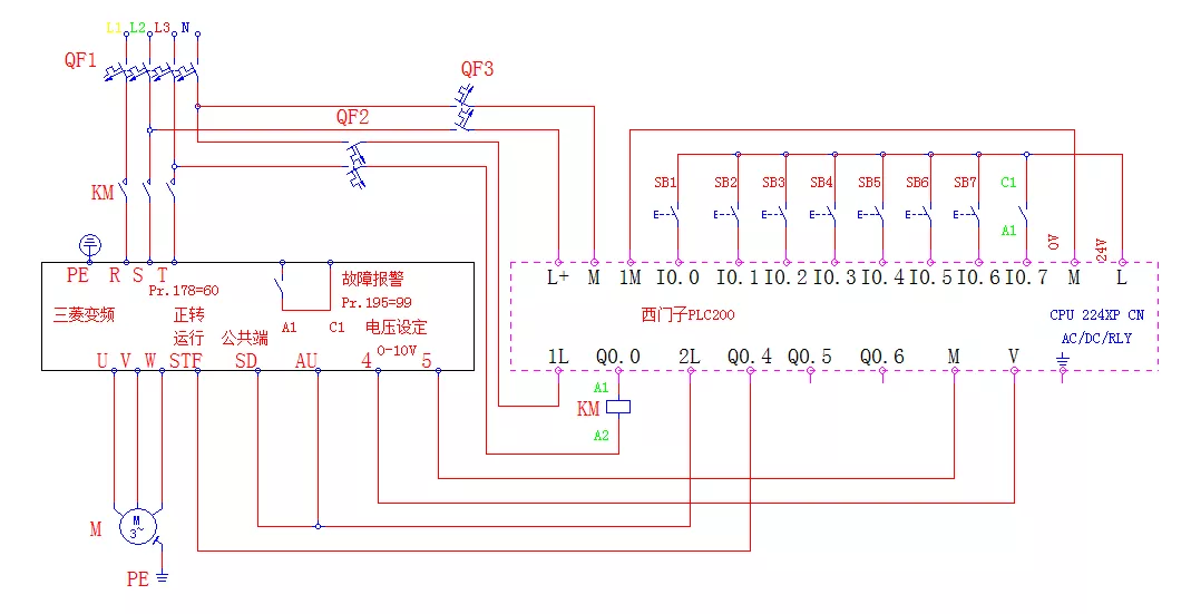
今天与大家一同学习的是西门子PLC控制变频器实现3段速控制电路,首先我们先看下原理图


从上面的原理图中我们先来分析下所需要的元件都有哪些,我给大家做了个图片:




参数设定
Pr.77:参数禁止写入选择:参数值为1(停止过程中可以写入)
ALLC:功能:参数全部清除:设定值为1(参数恢复初始值)。
Pr.79:功能:操作模式选择:设定值为3(外部与面板PU组合运行)。
Pr.178:功能:正转运行STF:参数值60(为端子STF设置为正转运行指令功能)。
Pr.184:功能:端子4输入选择AU:参数值:4(讲AU端子设置为端子4输入有效无效选择,只有当ON时候才有效)。

数字输入公共端SD:数字输入的公共端入SD,STF,STOP等数字量输入。
模拟量公共端5:频率设定信号端子2,14的公共端子,ON状态输入有效
Pr.267:功能:端子4频率输入模式选择:参数值:2(在端子4-5之间输入0-10V信号有效)。
Pr.195:功能:多功能端子功能选择:参数设定99(端子异常时候输出我们选用的是常开点A1,C1).

下面 我们要做的是把程序传到PLC中。程序给大家截图了:














本帖子中包含更多资源

您需要 登录 才可以下载或查看,没有账号?立即注册

×
工控课堂 www.gkket.com

0

主题

103

回帖

448

积分

注册会员

积分
448
发表于 2021-5-10 21:04:33 | 显示全部楼层
看到这帖子真是高兴!
工控课堂 www.gkket.com

0

主题

330

回帖

2085

积分

高级会员

积分
2085
发表于 2021-5-11 02:45:57 | 显示全部楼层
楼主您的技术水准,我最服你,其他都是浮云
工控课堂 www.gkket.com

0

主题

159

回帖

575

积分

中级会员

积分
575
发表于 2025-11-13 00:01:15 | 显示全部楼层
笑不活了,评论区比正文还精彩
已转发给朋友,一起快乐一下
工控课堂 www.gkket.com

0

主题

97

回帖

147

积分

新手上路

积分
147
发表于 2025-11-13 00:20:24 | 显示全部楼层
不请自来,只为说一句:太精彩了!
工控课堂 www.gkket.com

0

主题

128

回帖

211

积分

注册会员

积分
211
发表于 2025-11-19 17:37:08 | 显示全部楼层
我先占个楼,等下再慢慢看~
工控课堂 www.gkket.com

0

主题

111

回帖

173

积分

新手上路

积分
173
发表于 2025-11-19 17:50:26 | 显示全部楼层
水个经验,支持楼主,加油呀
工控课堂 www.gkket.com

0

主题

89

回帖

270

积分

注册会员

积分
270
发表于 2025-11-19 17:53:14 | 显示全部楼层
路过打卡,为优质内容疯狂打 call
工控课堂 www.gkket.com

0

主题

84

回帖

127

积分

新手上路

积分
127
发表于 2025-11-19 17:53:25 | 显示全部楼层
学到了学到了,这波分享太实用啦!
工控课堂 www.gkket.com

0

主题

85

回帖

133

积分

新手上路

积分
133
发表于 2025-11-19 17:54:29 | 显示全部楼层
评论区人才辈出,笑到停不下来😂
工控课堂 www.gkket.com
您需要登录后才可以回帖 登录 | 立即注册

本版积分规则

关闭

站长推荐上一条 /1 下一条

QQ|手机版|免责声明|本站介绍|工控课堂 ( 沪ICP备20008691号-1 )

GMT+8, 2025-12-22 14:02 , Processed in 0.444625 second(s), 26 queries .

Powered by Discuz! X3.5

© 2001-2025 Discuz! Team.

快速回复 返回顶部 返回列表