找回密码
 立即注册

QQ登录

只需一步,快速开始

查看: 3802|回复: 12

12种常用的电动机接线方式图纸

 火.. [复制链接]
  • 打卡等级:即来则安
  • 打卡总天数:28
  • 打卡月天数:7
  • 打卡总奖励:7961
  • 最近打卡:2025-12-22 17:16:30

3317

主题

285

回帖

2万

积分

管理员

积分
24106
发表于 2021-8-18 21:27:38 | 显示全部楼层 |阅读模式
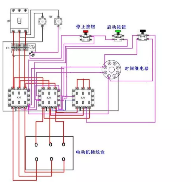
1.基本的直接启动控制线路



按下启动按钮,KM线圈得电,KM常开辅助触点自锁,绿灯亮,电机运行;
按下停止按钮,KM线圈失点,辅助触点复位,红灯亮,电机停止。
2 直接启动,延时停止



通过时间继电器作用,延时使回路断开。
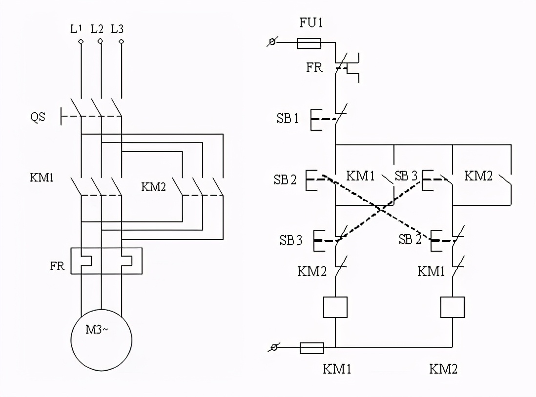
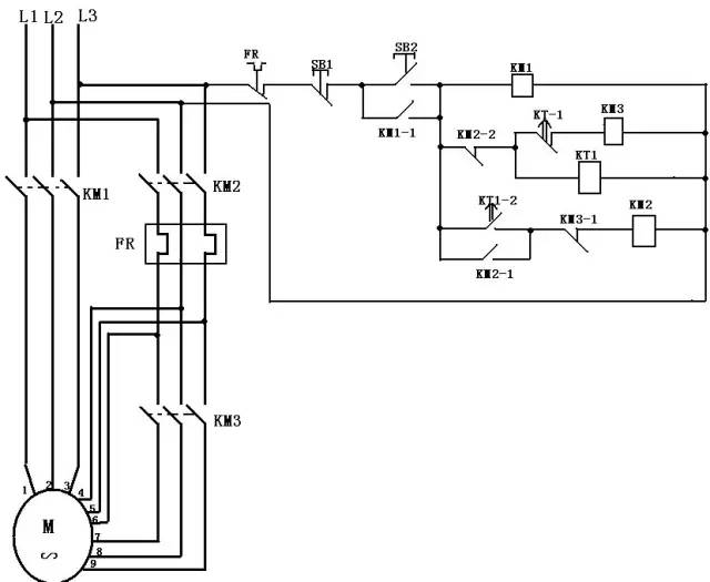
3 控制电机正反转







5 电机轮流循环启动



6 三台电机轮流循环




7 单按钮控制电机启动停止




8 时间继电器控制双速电机



9 定子串电阻降压启动



这个不太常用!
10 延边三角形降压启动



这个知道就行!!!
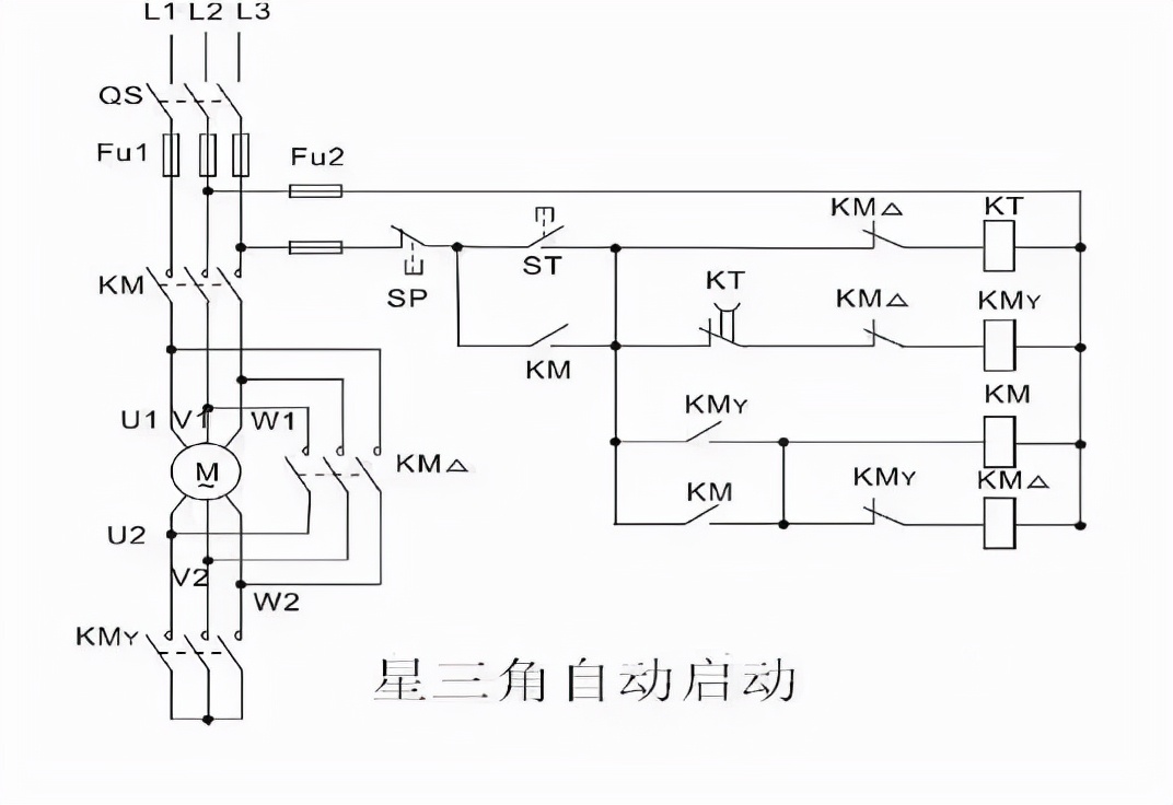
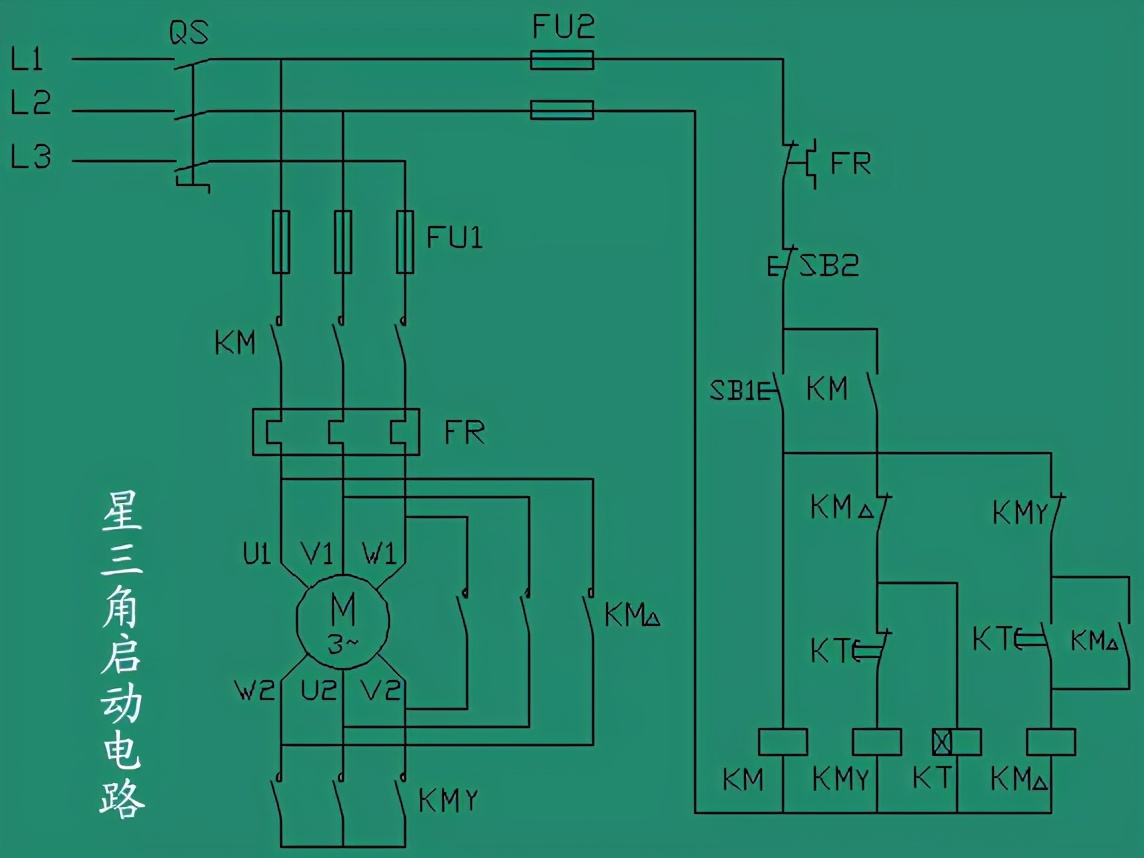
11 星三角降压启动



照片名称:星三角降压启动实物接线图




照片名称:星三角




照片名称:星三角启动控制线路图




照片名称:星三角
(这个很重要,也和简单,也很实用的降压启动,一般电机大于7.5千瓦,为了保护电压网就应该采取降压的方式。)
12 自耦降压




这也是很使用的降压启动控制线路。一般大于40千瓦的电机使用。

本帖子中包含更多资源

您需要 登录 才可以下载或查看,没有账号?立即注册

×
工控课堂 www.gkket.com

0

主题

84

回帖

214

积分

注册会员

积分
214
发表于 2021-8-18 22:34:38 | 显示全部楼层
论坛有你更精彩!
工控课堂 www.gkket.com

0

主题

124

回帖

368

积分

注册会员

积分
368
发表于 2021-8-18 23:09:16 | 显示全部楼层
楼主您的技术水准,我最服你,其他都是浮云
工控课堂 www.gkket.com

0

主题

427

回帖

2382

积分

高级会员

积分
2382
发表于 2025-11-15 05:53:47 | 显示全部楼层
原来还有这种操作,长见识了!
工控课堂 www.gkket.com

0

主题

106

回帖

169

积分

新手上路

积分
169
发表于 2025-11-15 06:35:07 | 显示全部楼层
我先占个楼,等下再慢慢看~
工控课堂 www.gkket.com

11

主题

428

回帖

2354

积分

高级会员

积分
2354
发表于 2025-11-15 08:12:00 | 显示全部楼层
蹲个后续,楼主记得更新呀,在线等挺急的~
工控课堂 www.gkket.com

0

主题

111

回帖

168

积分

新手上路

积分
168
发表于 2025-11-15 08:23:32 | 显示全部楼层
救命!这回复笑到我捶桌,必须置顶~
工控课堂 www.gkket.com

0

主题

86

回帖

132

积分

新手上路

积分
132
发表于 2025-11-15 08:24:21 | 显示全部楼层
打卡路过,支持优质原创内容~
工控课堂 www.gkket.com

0

主题

107

回帖

169

积分

新手上路

积分
169
发表于 2025-11-15 08:27:52 | 显示全部楼层
这评论区卧虎藏龙,个个都是人才!
工控课堂 www.gkket.com

0

主题

98

回帖

153

积分

新手上路

积分
153
发表于 2025-11-15 08:29:50 | 显示全部楼层
不请自来,就想夸一句:太顶了!
工控课堂 www.gkket.com
您需要登录后才可以回帖 登录 | 立即注册

本版积分规则

关闭

站长推荐上一条 /1 下一条

QQ|手机版|免责声明|本站介绍|工控课堂 ( 沪ICP备20008691号-1 )

GMT+8, 2025-12-22 19:30 , Processed in 0.114550 second(s), 28 queries .

Powered by Discuz! X3.5

© 2001-2025 Discuz! Team.

快速回复 返回顶部 返回列表