找回密码
 立即注册

QQ登录

只需一步,快速开始

查看: 12062|回复: 20

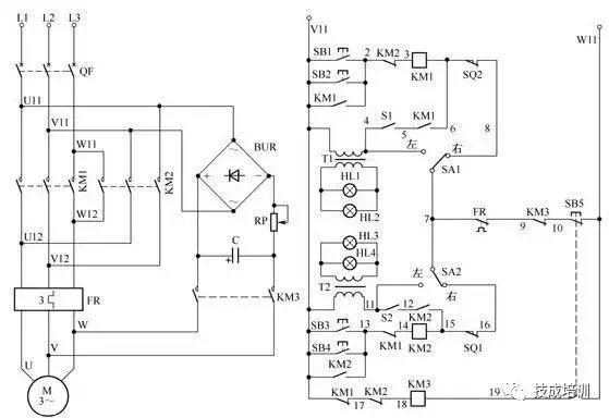
50张图,涵盖所有电机控制回路,收藏备用!

 火.. [复制链接]
  • 打卡等级:即来则安
  • 打卡总天数:27
  • 打卡月天数:6
  • 打卡总奖励:7736
  • 最近打卡:2025-12-20 00:35:11

3317

主题

285

回帖

2万

积分

管理员

积分
23881
发表于 2019-3-16 19:40:36 | 显示全部楼层 |阅读模式
用胶盖瓷底的刀开关进行手动正转控制电路

利用铁壳开关手动正转控制电路

采用转换开关的控制电路

用倒顺开关的正反转控制电路

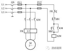
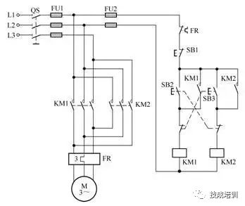
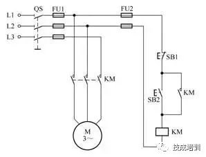
具有自锁的正转控制电路

具有过载保护的正转控制电路

点动与连续运行控制电路

避免误操作的两地控制电路

三地(多地点)控制电路

电动机间歇运行电路

电动机短时间停电来电后自动快速再起动电路

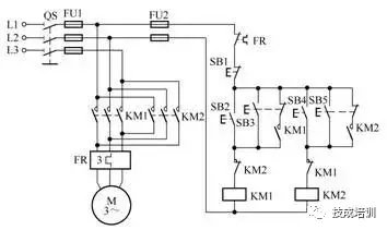
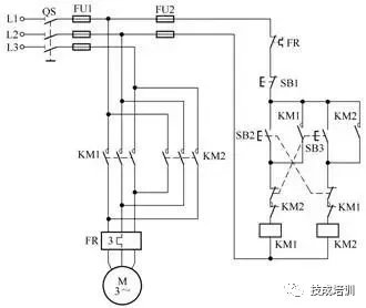
按钮连锁的正反转控制电路

接触器连锁的正反转控制电路

按钮、接触器复合连锁的正反转控制电路

用按钮点动控制电动机启停电路

具有三重互锁保护的正反转控制电路

接触器连锁的点动和长动正反转控制电路

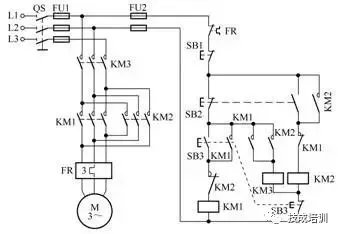
防止正反转转换期间相间短接的三接触器控制电路

用连锁继电器防止正反转转换相间短接的控制电路

单线远程正反转控制电路

仅用一个按钮控制电动机正反转的电路

直流电动机正反转控制电路

用转换开关预选的正反转启停控制电路

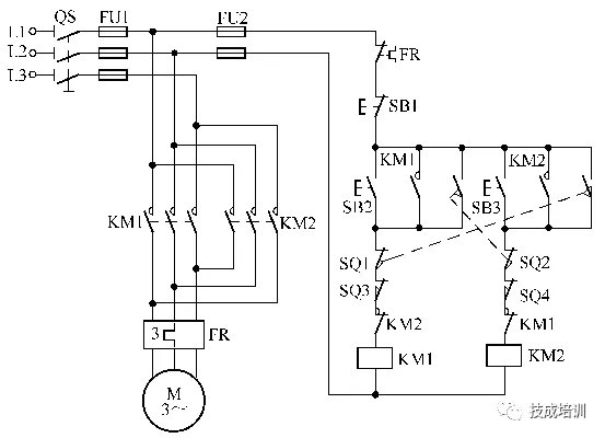
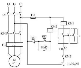
自动往返控制电路

仅用一个行程开关实现自动往返控制电路

带有起动熔丝的起动电路

仅用一个按钮控制电动机启停电路

单线远程控制电动机启停电路

能发出启停信号的控制电路

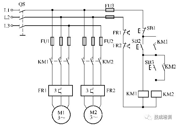
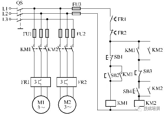
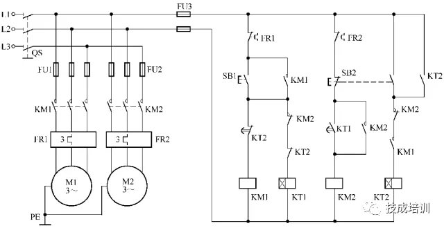
两台电动机按顺序起动同时停止的控制电路

两台电动机按顺序起动分开停止的控制电路

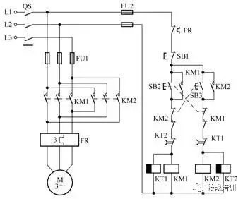
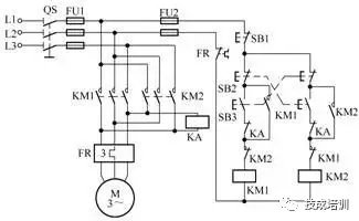
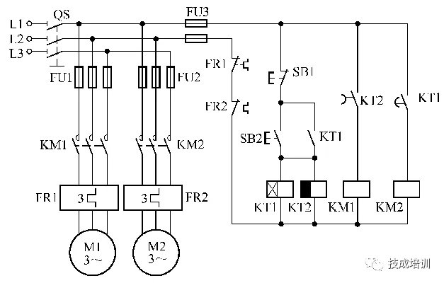
自动切换的两台电动机按顺序起动逆序停止电路

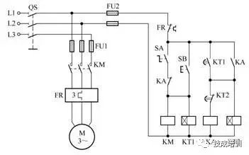
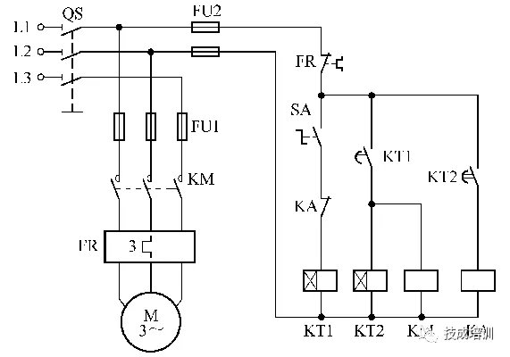
电动机延时开机的间歇运行电路

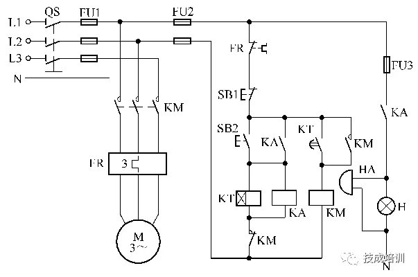
带有报警装置的电动机短暂停电来电后自动再起动电路

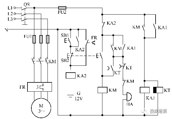
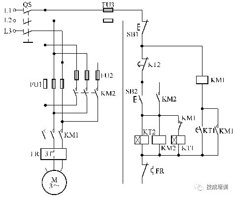
电动机长时间停电来电后自动再起动电路

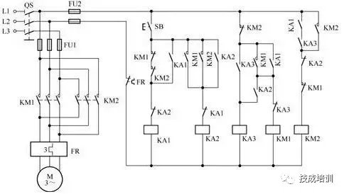
两条运输原料传送带的电气控制电路

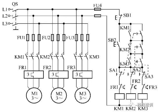
多台电动机可同时起动又可有选择起动的控制电路

低速脉动控制电路

电动阀门控制电路(之一)

电动阀门控制电路(之二)

串励直流电动机刀开关可逆控制电路

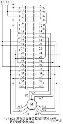
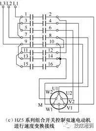
HZ5系列组合开关应用电路

用GYD-16/C型气压开关控制电动机电

电动葫芦的电气控制电路

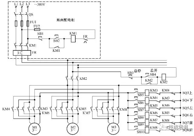
用八挡按钮操作的行车控制电路

本帖子中包含更多资源

您需要 登录 才可以下载或查看,没有账号?立即注册

×
工控课堂 www.gkket.com

0

主题

157

回帖

390

积分

注册会员

积分
390
发表于 2019-3-16 19:52:41 | 显示全部楼层
党的好公民,人民的好公仆。。。
工控课堂 www.gkket.com

0

主题

133

回帖

258

积分

注册会员

积分
258
发表于 2019-3-16 19:54:00 | 显示全部楼层
真是被感动的痛哭流涕……
工控课堂 www.gkket.com

0

主题

163

回帖

544

积分

中级会员

积分
544
发表于 2019-3-16 20:08:37 | 显示全部楼层
看到这帖子真是高兴!
工控课堂 www.gkket.com

0

主题

142

回帖

392

积分

注册会员

积分
392
发表于 2019-3-16 20:20:39 | 显示全部楼层
论坛有你更精彩!
工控课堂 www.gkket.com

0

主题

189

回帖

452

积分

注册会员

积分
452
发表于 2019-3-16 20:20:56 | 显示全部楼层
好东西一定要看看!
工控课堂 www.gkket.com

0

主题

345

回帖

2785

积分

高级会员

积分
2785
发表于 2019-3-20 14:42:13 | 显示全部楼层
太生气了,无法HOLD啦 >_<......
工控课堂 www.gkket.com

0

主题

304

回帖

1016

积分

中级会员

积分
1016
发表于 2019-5-16 12:10:42 | 显示全部楼层
加油,加油,不要沉下去,我是最热贴
工控课堂 www.gkket.com

0

主题

382

回帖

1640

积分

高级会员

积分
1640
发表于 2019-5-26 21:16:04 | 显示全部楼层
楼主您的技术水准,我最服你,其他都是浮云
工控课堂 www.gkket.com

0

主题

146

回帖

390

积分

注册会员

积分
390
发表于 2019-6-3 04:36:09 | 显示全部楼层
无回帖,不论坛,这才是人道。
工控课堂 www.gkket.com
您需要登录后才可以回帖 登录 | 立即注册

本版积分规则

关闭

站长推荐上一条 /1 下一条

QQ|手机版|免责声明|本站介绍|工控课堂 ( 沪ICP备20008691号-1 )

GMT+8, 2025-12-22 14:03 , Processed in 0.152573 second(s), 26 queries .

Powered by Discuz! X3.5

© 2001-2025 Discuz! Team.

快速回复 返回顶部 返回列表