找回密码
 立即注册

QQ登录

只需一步,快速开始

查看: 5342|回复: 19

变频器应用设计技术大全,都是干货电路图!

  [复制链接]
  • 打卡等级:即来则安
  • 打卡总天数:28
  • 打卡月天数:7
  • 打卡总奖励:7961
  • 最近打卡:2025-12-22 17:16:30

3317

主题

285

回帖

2万

积分

管理员

积分
24106
发表于 2019-4-18 21:48:41 | 显示全部楼层 |阅读模式
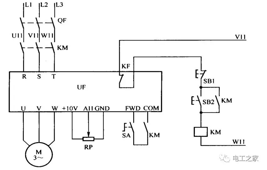
一、变频调速电动机正转控制电路(之一)
(一)、电  路 构  成
该变频调速电动机正转控制电路由主电路和控制电路等组成。主电路包括自动空气开关QF、交流接触器KM的主触头、变频器内置的AC/DC/AC转换电路以及三相交流电动机M等。控制电路包括控制按钮SA、SB1、SB2,交流接触器KM的线圈和辅助接点以及频率给定电路等。
(二)、电 路 工 作 原 理
在控制电路中,变频器的过热保护接点用KF表示。+10V电压由变频器UF提供;RP为频率给定信号电位器,频率给定信号通过调节其滑动触点得到。
合上电源开关QF,电路输入端得电进人备用状态。按下控制按钮SB2后;电流依次经过V11→KF→SBl→SB2→KM线圈→W11,接触器的线圈得电吸合,它的一组动合接点闭合自锁,另一组动合接点也闭合,为SA按钮操作作好准备。同时,接触器主触头闭合,变频器进入热备用状态。
操作旋转开关SA,闭合FWD(正转控制端子)-COM(公共端)端子,变频器启动运行,电动机工作在变频调速状态。变频器可按厂方设定的参数值运行,也可按用户给定的参数条件运行。REV(反转控制端子)
(三)注  意 事  项
①变频器的接线必须严格按产品上标注的符号对号入座,R、S、T是变频器的电源线输入端,接电源线;U、V、W是变频器的输出端,接交流电动机。一旦将电源进线误接到U、V、W端上,将电动机误接到R、S、T端上,必将引起相间短路而烧坏变频管。
②变频器有一个接地端,用户应将这个端子与大地相接。如果多台变频器一起使用,则每台设备必须分别与大地相接,不得串联后再与大地相接。
③模拟量的控制线所用的屏蔽线,应接到变频器的公共端(COM),但不要接到变频器的地端或大地端。
④控制线不要与主电路的导线交叉,无法回避时可采取垂直交叉方式布线。控制线与主电路的导线的间距应大于100mm。
二、 变频调速电动机正转控制电路(之二)
电路构成:
该变频调速电动机正转控制电路由主电路和控制电路等组成。主电路包括自动空气开关QF、交流接触器KM的主触头、变频器内置的AC/DC/AC转换电路以及三相交流电动机M等组成。控制电路包括控制按钮SBl~SB4、中间继电器KA、交流接触器的线圈和辅助接点以及频率给定电路等。
电路工作原理:
在控制电路中,变频器的过热保护接点用KF表示。+10V电压由变频器提供;RP为频率给定信号电位器,频率给定信号通过调节其滑动触点得到。
控制电路中的接触器与中间继电器之间有连锁关系:一方面,只有在接触器KM动作使变频器接通电源后,中间继电器KA才能动作;另一方面,只有在中间继电器KA断开,电动机减速并停机时,接触器KM才能断开变频器的电源。
图中SB1、SB2用于控制接触器KM的线圈,从而控制变频器的电源通断。按钮开关SB1、SB3用于控制继电器KA,从而控制电动机的启动和停止。当电动机工作过程中出现异常而使接点KF断开时,KM、KA线圈失电,电动机停止运行。
合上电源开关QF,控制电路得电。按下启动按钮SB2后,电流依次经过V11→KF→SBl→SB2→KM线圈→W11,KM线圈得电动作并自锁;KM的接点(201—204)闭合,为中间继电器运行作好准备;KM主触头闭合,主电路进入热备用状态。
按下开关SB4后,电流依次经过V11→KF→KM的接点(201—204)→SB3→SIM→KA线圈→W11,KA线圈得电动作,其接点(205—206)闭合自锁;KA的接点(201—202)闭合,防止操作SB1时断电;KA的接点(FWD--COM)闭合,变频器内置的AC/DC/AC电路工作,电动机M得电运行。
停机时,按下SB3开关,中间继电器KA的线圈失电复位,KA的接点(FWD-COM)断开,变频器内置的AC/DC/AC电路停止工作,电动机M失电停机。同时,KA的接点(201--202)解锁,为KM线圈停止工作作好准备。如果设备暂停使用,就按下开关SB1,KM线圈失电复位,其主触头断开,变频器的R、S、T端脱离电源。如果设备长时间不用,应断开电源开关QF。






























本帖子中包含更多资源

您需要 登录 才可以下载或查看,没有账号?立即注册

×
工控课堂 www.gkket.com

0

主题

170

回帖

527

积分

中级会员

积分
527
发表于 2019-4-18 21:49:47 | 显示全部楼层
楼主您的技术水准,我最服你,其他都是浮云
工控课堂 www.gkket.com

0

主题

389

回帖

2509

积分

高级会员

积分
2509
发表于 2019-4-18 21:50:04 | 显示全部楼层
我顶,我顶,我顶顶顶
工控课堂 www.gkket.com

0

主题

152

回帖

383

积分

注册会员

积分
383
发表于 2019-4-18 21:50:04 | 显示全部楼层
老师四个微信公众号都可以关注吗?是否有免费资料下载!
工控课堂 www.gkket.com

0

主题

156

回帖

356

积分

注册会员

积分
356
发表于 2019-4-18 21:51:08 | 显示全部楼层
楼主加油,我们都看好你哦。
工控课堂 www.gkket.com

0

主题

139

回帖

315

积分

注册会员

积分
315
发表于 2019-4-18 21:54:39 | 显示全部楼层
我只是路过打酱油的。
工控课堂 www.gkket.com

0

主题

447

回帖

2601

积分

高级会员

积分
2601
发表于 2019-4-18 21:58:46 | 显示全部楼层
无回帖,不论坛,这才是人道。
工控课堂 www.gkket.com

0

主题

408

回帖

2802

积分

高级会员

积分
2802
发表于 2019-4-20 02:17:08 | 显示全部楼层
激动人心,无法言表!
工控课堂 www.gkket.com

0

主题

168

回帖

440

积分

注册会员

积分
440
发表于 2019-5-16 13:10:01 | 显示全部楼层
党的好公民,人民的好公仆。。。
工控课堂 www.gkket.com

0

主题

298

回帖

1949

积分

高级会员

积分
1949
发表于 2019-5-24 20:18:25 | 显示全部楼层
加油,加油,不要沉下去,我是最热贴
工控课堂 www.gkket.com
您需要登录后才可以回帖 登录 | 立即注册

本版积分规则

关闭

站长推荐上一条 /1 下一条

QQ|手机版|免责声明|本站介绍|工控课堂 ( 沪ICP备20008691号-1 )

GMT+8, 2025-12-22 18:46 , Processed in 0.086255 second(s), 26 queries .

Powered by Discuz! X3.5

© 2001-2025 Discuz! Team.

快速回复 返回顶部 返回列表