找回密码
 立即注册

QQ登录

只需一步,快速开始

查看: 7387|回复: 35

64个气动与液压动画,轻轻松松全学会!

  [复制链接]
  • 打卡等级:即来则安
  • 打卡总天数:27
  • 打卡月天数:6
  • 打卡总奖励:7736
  • 最近打卡:2025-12-20 00:35:11

3317

主题

285

回帖

2万

积分

管理员

积分
23881
发表于 2018-11-21 19:30:30 | 显示全部楼层 |阅读模式



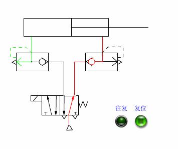
背压回路




直动溢流阀




比例远调压力回路




齿轮泵




变量泵回路




叶片式液压马达




冲液阀回路




普通单向阀




串联同步回路




液控单向阀.




电磁泄荷回路




先导溢流阀




低压溢流阀




分流阀同步回路.




二位二通换向阀




换向回路1




二位四通换向阀




换向回路2




节流阀出口节流回路




三位四通换向阀




节流阀旁路旁路节流调速回路




三位五通换向阀




单级调压回路





手动换向阀




无级减压回路




平衡回路




液动换向阀




减压阀




减压回路




水冷却器




增速缸快速回路




液压缸差动连接快速回路




调速阀并联的速度换接回路




调速阀串联的速度换接回路




电磁溢流回路




电磁溢流回路2




进油调速回路


节流阀进油调速回路




蓄能器油缸回路




气缸快速往复运动回路.




三压回路




双泵回路




双压调压回路


行程阀控制顺序动作回路.


行程开关电磁阀控制顺序动作回路




双作用增压缸的增压回路




液压泵保压回路




锁紧回路




蓄能器保压回路.




中位泄荷回路




单作用增压缸增压回路




远程调压回路




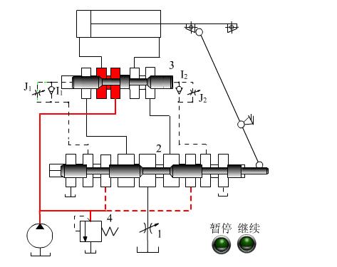
典型机床回路




典型机床回路2




快进工进回路




用行程阀的速度换接回路




调速阀串联的二次进给速度换接回路




调速阀并联的二次进给速度换接回路




调速阀并联的二次进给速度换接回路2




行程阀控制的快慢速换接回路




行程控制制动式换向回路




行程开关和电磁换向阀控制的顺序运动回路







本帖子中包含更多资源

您需要 登录 才可以下载或查看,没有账号?立即注册

×
工控课堂 www.gkket.com

0

主题

438

回帖

2450

积分

高级会员

积分
2450
发表于 2018-11-21 19:35:46 | 显示全部楼层
激动人心,无法言表!
工控课堂 www.gkket.com

0

主题

435

回帖

2361

积分

高级会员

积分
2361
发表于 2018-11-21 19:36:33 | 显示全部楼层
谢谢您的分享!
工控课堂 www.gkket.com

0

主题

231

回帖

2670

积分

高级会员

积分
2670
发表于 2018-11-21 20:15:46 | 显示全部楼层
老师四个微信公众号都可以关注吗?是否有免费资料下载!
工控课堂 www.gkket.com

0

主题

451

回帖

2972

积分

高级会员

积分
2972
发表于 2018-11-21 20:18:52 | 显示全部楼层
看了楼主的帖子,不由得精神一振,豁然开朗,牛掰
工控课堂 www.gkket.com

0

主题

263

回帖

1905

积分

高级会员

积分
1905
发表于 2018-11-21 20:20:44 | 显示全部楼层
我只是路过打酱油的。
工控课堂 www.gkket.com

0

主题

473

回帖

2666

积分

高级会员

积分
2666
发表于 2018-11-21 20:28:15 | 显示全部楼层
激动人心,无法言表!
工控课堂 www.gkket.com

8

主题

415

回帖

2672

积分

高级会员

积分
2672
发表于 2018-11-21 20:36:46 | 显示全部楼层
看了楼主的帖子,不由得精神一振,豁然开朗,牛掰
工控课堂 www.gkket.com

0

主题

453

回帖

2302

积分

高级会员

积分
2302
发表于 2018-11-21 20:39:13 | 显示全部楼层
好东西一定要看看!
工控课堂 www.gkket.com

0

主题

408

回帖

2650

积分

高级会员

积分
2650
发表于 2018-11-21 20:45:54 | 显示全部楼层
楼主您的技术水准,我最服你,其他都是浮云
工控课堂 www.gkket.com
您需要登录后才可以回帖 登录 | 立即注册

本版积分规则

关闭

站长推荐上一条 /1 下一条

QQ|手机版|免责声明|本站介绍|工控课堂 ( 沪ICP备20008691号-1 )

GMT+8, 2025-12-22 16:02 , Processed in 0.091929 second(s), 26 queries .

Powered by Discuz! X3.5

© 2001-2025 Discuz! Team.

快速回复 返回顶部 返回列表