找回密码
 立即注册

QQ登录

只需一步,快速开始

查看: 4861|回复: 13

PLC模拟量接线方法与图纸

 火.. [复制链接]
  • 打卡等级:即来则安
  • 打卡总天数:29
  • 打卡月天数:1
  • 打卡总奖励:7791
  • 最近打卡:2025-12-13 17:25:16

2540

主题

1355

回帖

2万

积分

管理员

积分
21304
发表于 2020-2-8 16:37:41 | 显示全部楼层 |阅读模式

1、确定基准电位点很重要
近期有学员后台咨询关于模拟量模块的问题,反映在现场的S7-300模拟量模块读数不变化,怎么弄都读数是32767。尽管模拟量模块大家都很熟悉,但是类似的问题还经常有用户反应。为此小编特意咨询了老师,老师将自己的经验归纳总结一下。
关于读不出值的问题,如果总是32767没有变化,其实值已经有了,只不过是超量程了。如果值为0,那就要注意模拟量是否有问题了,使用万用表测量现场信号并没有超限。为什么会出现这两种现象呢?这是因为选择的参考电位不同,例如,现场过来的信号为5V,那首先要问一下,基准点是几伏?10~15是5V,-10~ -5同样也是5V,如果测量端基准点是0V,那么测量就会有问题,所以一定要保证两端等电位。模拟量模块的基准电位点就是MANA ,所有的接线都与之有关。
2、隔离与非隔离问题系列
这里的隔离是指模拟量模块的基准电位点MANA 与地(也是PLC的数据地)隔离。隔离模块MANA 与地M可以不连接,以MANA 作为测量端的参考电位;非隔离模块MANA 与地M必须连接, 这样地M 变为MANA作为测量端的参考电位。隔离模块的好处就是可以避免共模干扰。如何知道模块是否是隔离模块,例如SM331模块,可以从模板规范中查到。S7-300中只有一款SM334(SM355除外)模块是非隔离的,此外CPU31XC集成的模拟量也是非隔离的,共同特点就是模块的输出和输入公用M端。
同样传感器也有隔离与非隔离的问题。通常非隔离的传感器电源的负端与信号的负端公用一个端子,例如传感器有三个端子 L, M 和S+,通过L, M端子向传感器供电,S+,M为信号的输出,公用M端。判断传感器是否隔离最好还是参考手册。隔离传感器信号负端与地M可以不连接,以信号负端作为信号源端的参考电位。非隔离传感器信号负端必须在源端(设备端)接地,以源端的地作为信号的参考电位。
下面就是如何保证测量端与信号源端等电位接线的问题。在下面建议的连接图中所用的缩写词和助记符含义如下:
M +:测量导线(正)
M -:测量导线(负)
MANA:模拟量模块基准电位点
这里需要注意MANA ,不同的接线方式都是以MANA 为参考基准电位。
M:接地端子
L +:24 VDC电源端子
UCM:MANA与模拟量输入通道之间或模拟量输入通道之间的电位差
UCM共模电压,有两种:
1)不同输入信号负端的电位差,例如一个输入信号为3V,另一个输入信号也为3V,但是它们的基准点电位可能不同,可能是1~4V或3~6V,那么它们之间的共模电压为2V。
2)输入信号负端与MANA的电位差。
模块的UCM 是造成模拟量值超上限的主要原因。不同模块UCM 的最大值不同。
UISO:MANA和CPU的M端子之间的电位差
3、使用隔离的模拟量模块连接隔离的传感器
隔离传感器与隔离模拟量信号连接图如图1所示:

图1 连接隔离的传感器至隔离的模拟量输入模块
这种方式最简单,都与地隔离,都不需要接地,但是输入信号(传感器)负端与MANA 电压超过UCM最大限制,例如SM331(6ES7331-7KF02-0AB0)为2.5 VDC,就需要短接信号负端与MANA ,否则会出现超上限问题。现场可以查看一下,几乎所有超上限问题都是没有连接信号负端与MANA 。如果UISO 超过限制,例如75V DC,就需要连接信号负端、MANA 端以及接地端M,这时模块以大地M端为参考电位,实际变为非隔离使用了,这种情况很少见。
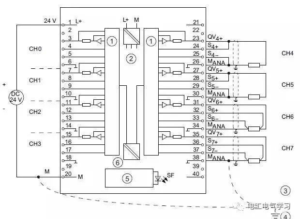
有的模块通道组间都是隔离的,没有MANA ,例如模块6ES7331-7NF10-0AB0,接线如图2所示:

这时每一个通道组(每组2通道)的M-就是MANA ,输入通道组间UCM 最大为以达到75VDC。
都隔离的情况下连接信号负端与MANA 端就可以了(2线制和电阻测量除外)。手册每个模块接线图中MANA都是建议接地的,我认为这是在接地良好、不会产生共模电压(例如单端接地)的情况下.
4、使用非隔离的模拟量模块连接隔离的传感器
这回我来讲讲使用非隔离的模拟量模块连接隔离的传感器的情况,模块的MANA与地M不隔离,这样必须连接MANA与地M,模拟量的参考点电位变成地M,典型接线如图3所示:

非隔离的模块都要求连接连接MANA与地M,例如模块SM334(6ES7334-0CE01-0AA0),在提示中强调必须连接,下面为引用手册的提示部分。

5、使用隔离的模拟量模块连接非隔离的传感器
传感器不隔离,那么信号源端以传感器本地的地为基准点电位。模块是隔离的,以MANA点为测量基准电位。典型接线如图4所示,

从图4可以看到,非隔离的传感器信号负端在源端接地,但是如果连接多个非隔离的传感器并且分布在不同的地方(不同的接地点),这种情况下就比较麻烦。各个传感器信号的负端会有共模电压UCM ,为了消除UCM ,将各个信号的负端在源端使用短而粗的导线进行等电位连接,由于模块的MANA和信号源端的地可能存在电位差,还要将MANA与源端的地进行等电位连接。在这里不能在模块处进行短接,否则不能消除UCM。
如果工厂接地不好,最好还是使用隔离的传感器。
6、使用非隔离的模拟量模块连接非隔离的传感器
如果使用非隔离的模拟量连接非隔离的传感器,那么一定将所有的点接地并进行等电位处理。典型接线如图5所示,

从图5可以看到,按照隔离与非隔离的要求,模块不隔离,必须连接MANA与地M,传感器不隔离则需要连接信号负端到本地的地,这样一边以信号源的地作为基准点,一边以模块的地M作为基准点,为了消除两者之间的电位差(共模电压UCM),需要使用足够粗的导线进行等电位连接。
如果整个工厂有等电位的接地网,使用非隔离的仪表和模块就比较简单,只需要连接MANA到本地的地M即可,因为每个点都等电位。往往事与愿违,由于非隔离的仪表价格便宜,越是使用这样仪表的地方,地通常打得都不会好,就更别提接地网和等电位连接了。不采取措施肯定有问题,必须保证等电位。使用万用表可以测量,那是因为万用表与地是隔离的,最大的共模电压UCM 也可能不同 ,与模块不在相同的条件下。建议使用隔离的传感器和模块。
讲了一系列的接线方式,最终的结论就是模拟量接线的几种方式都集中在一点上,就是信号源端与测量端一定要等电位。

讲到这里要再扩展一下,利用这个原则同样也可以解决数字量接线问题。下面是在现场遇见的一个问题,如图6所示,CPU与I/O的供电分开,I/O是一个非隔离模块,当现场给出信号,但是I/O模块的输入灯没有点亮,在CPU中也不能读出,使用万用表测量,在端子上有24V电压。模块没有问题,将两个电源PS的M端短接,就可以检测到输入信号,这也是由于参考点电位不同造成的。希望一点小小的提示可以帮助大家解决现场模拟量接线的问题。

本帖子中包含更多资源

您需要 登录 才可以下载或查看,没有账号?立即注册

×
工控课堂 www.gkket.com

0

主题

77

回帖

308

积分

注册会员

积分
308
发表于 2020-2-8 16:37:41 | 显示全部楼层
感谢楼主无私分享!
工控课堂 www.gkket.com

0

主题

556

回帖

1086

积分

中级会员

积分
1086
发表于 2020-3-3 11:12:24 | 显示全部楼层
强烈支持楼主ing……
工控课堂 www.gkket.com

0

主题

102

回帖

263

积分

注册会员

积分
263
发表于 2020-11-18 11:16:08 | 显示全部楼层
无回帖,不论坛,这才是人道。
工控课堂 www.gkket.com

0

主题

130

回帖

348

积分

注册会员

积分
348
发表于 2025-11-17 07:49:49 | 显示全部楼层
学到了学到了,这波分享太实用啦!
工控课堂 www.gkket.com

0

主题

83

回帖

135

积分

新手上路

积分
135
发表于 2025-11-17 13:41:35 | 显示全部楼层
浅评一下:内容优质,值得推荐~
工控课堂 www.gkket.com

0

主题

435

回帖

2361

积分

高级会员

积分
2361
发表于 2025-11-17 23:07:20 | 显示全部楼层
评论区人才辈出,笑到停不下来😂
工控课堂 www.gkket.com

0

主题

139

回帖

353

积分

注册会员

积分
353
发表于 2025-11-17 23:17:52 | 显示全部楼层
路过混个脸熟,顺便为优质内容打 call~
工控课堂 www.gkket.com

0

主题

99

回帖

169

积分

新手上路

积分
169
发表于 2025-11-17 23:18:34 | 显示全部楼层
水贴也要有仪式感,我先来打卡~
工控课堂 www.gkket.com

0

主题

65

回帖

97

积分

新手上路

积分
97
发表于 2025-11-17 23:18:50 | 显示全部楼层
原来还有这种操作,长见识了!
工控课堂 www.gkket.com
您需要登录后才可以回帖 登录 | 立即注册

本版积分规则

关闭

站长推荐上一条 /1 下一条

QQ|手机版|免责声明|本站介绍|工控课堂 ( 沪ICP备20008691号-1 )

GMT+8, 2025-12-23 19:46 , Processed in 0.127003 second(s), 28 queries .

Powered by Discuz! X3.5

© 2001-2025 Discuz! Team.

快速回复 返回顶部 返回列表