工控课堂

 找回密码
 立即注册

QQ登录

只需一步,快速开始

扫一扫,访问微社区

工控课堂 首页 工控文库 PLC学习 查看内容

西门子PLC控制变频器实现3段速控制电路

2020-2-3 17:07| 发布者: gk-auto| 查看: 1| 评论: 0|原作者: gk-auto

摘要: 今天与大家一同学习的是西门子PLC控制变频器实现3段速控制电路,首先我们先看下原理图。 从上面的原理图中我们先来分析下所需要的元件都有哪些,我给大家做了个图片: 参数设定Pr.77:参数禁止写入选择:参数值为1 ...
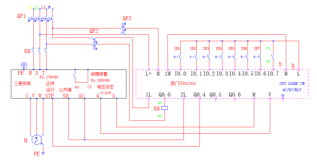
今天与大家一同学习的是西门子PLC控制变频器实现3段速控制电路,首先我们先看下原理图

从上面的原理图中我们先来分析下所需要的元件都有哪些,我给大家做了个图片:


参数设定
Pr.77:参数禁止写入选择:参数值为1(停止过程中可以写入)
ALLC:功能:参数全部清除:设定值为1(参数恢复初始值)。
Pr.79:功能:操作模式选择:设定值为3(外部与面板PU组合运行)。
Pr.178:功能:正转运行STF:参数值60(为端子STF设置为正转运行指令功能)。
Pr.184:功能:端子4输入选择AU:参数值:4(讲AU端子设置为端子4输入有效无效选择,只有当ON时候才有效)。
数字输入公共端SD:数字输入的公共端入SD,STF,STOP等数字量输入。
模拟量公共端5:频率设定信号端子2,14的公共端子,ON状态输入有效
Pr.267:功能:端子4频率输入模式选择:参数值:2(在端子4-5之间输入0-10V信号有效)。
Pr.195:功能:多功能端子功能选择:参数设定99(端子异常时候输出我们选用的是常开点A1,C1).

下面 我们要做的是把程序传到PLC中。程序给大家截图了:

原理分析:

一变频合闸

1闭合总电源空开QF1,PLC控制电源QF3,以及变频器输入接触器控制电源QF2,控制器PLC是讲输出输出的电压信号(0-10V) 或电流信号(4-20mA)转换成中间变量(0-32000)。程序中把频率10HZ,20HZ,40HZ,换算成了6400,12800,25600.

2变频器上电,按下变频器合闸按钮SB1,梯形图中的I0.0闭合,输出电器Q0.0得电,PLC外接接点Q0.0与1L接点接通,主交流接触器KM线圈得电,主触点闭合,变频器得电。同时梯形图中Q0.0动合触点闭合自锁,保证KM持续吸合。

3根据参数表设定好变频参数

二PLC控制变频运行
按下变频器运行按钮SB3,梯形图中的I0.2闭合,输出继电器Q4.0得电,PLC外接接点Q4.0与2L接通,变频端子STF与SD端子闭合,同时Q4.0常开点闭合自锁,梯形图中所有的Q4.0都闭合,准备多段速运行

三:三段速运行
1按下频率1按钮SB5,梯形图中的I0.4闭合,上升沿触发并输出,内部继电器M0.0,M0.1,M0.2复位一次,各频率输出复位,同时内部继电器M0.0得电,讲频率1赋值给了PLC的模拟量输出,输出2V的电压加在与变频器外接端子的4和5上,变频器按照频率10HZ运行。

2按下频率2按钮SB6,梯形图中的I0.5闭合,上升沿触发并输出,内部继电器M0.0,M0.1,M0.2复位一次,各频率输出复位,同时内部继电器M0.1得电,讲频率2赋值给了PLC的模拟量输出,输出2V的电压加在与变频器外接端子的4和5上,变频器按照频率20HZ运行。

3按下频率3按钮SB7,梯形图中的I0.6闭合,上升沿触发并输出,内部继电器M0.0,M0.1,M0.2复位一次,各频率输出复位,同时内部继电器M0.2得电,讲频率3赋值给了PLC的模拟量输出,输出2V的电压加在与变频器外接端子的4和5上,变频器按照频率40HZ运行。

频率可以随意给定,不需要按顺序,因为不论按那个速度都回吧所有的频率复位。

按下停止输出按钮SB4,梯形图中的I0.3失电,输出继电器Q0.1失电,变频外接端子STF与SD断开,变频器按照Pr.8减速时间1减速到0HZ后电动机停止运转。变频面板运行指示熄灭。显示0.00HZ。回路中所有的Q0.4常开点断开,输出继电器M0.0 M0.1 M0.2停止输出,I0.1解除自锁。4和5端子给定的频率为停止

变频器断电
在变频器运行过程中按下变频器断电按钮SB2是无效的,只有当变频器停止运行后,按下变频断电按钮SB2,梯形图中的I0.1输出继电器Q0.0失电,PLC的输出点Q0.0与1L断开,KM接触器断电释放。变频器控制面板指示灯及信息熄灭。Q0.0常开点断开,解除自锁。

当变频故障时候,A1和C1端子接通,回路中的I0.7得电,输出继电器Q0.0和Q0.4失电,PLC输出点Q0.0,Q0.4失电;接触器断开,变频器停止输出。如有出错的地方大家指出来一同进步哦。。。
留言处大家可以补充文章解释不对或欠缺的部分,这样下一个看到的人会学到更多,你知道的正是大家需要的。。。


640.png

路过

雷人

握手

鲜花

鸡蛋

相关阅读

最新评论

热门文章

QQ|免责声明|本站介绍|工控课堂 ( 沪ICP备14007696号-3 )|网站地图

GMT+8, 2020-2-3 17:07 , Processed in 0.048125 second(s), 42 queries .

Powered by Discuz! X3.4

© 2001-2017 Comsenz Inc.

返回顶部