工控课堂

 找回密码
 立即注册

QQ登录

只需一步,快速开始

扫一扫,访问微社区

工控课堂 首页 工控文库 PLC学习 查看内容

三菱CC-LINK网络设置方法简介

2020-4-25 11:19| 发布者: 198366809| 查看: 6| 评论: 1|原作者: 198366809

摘要: 来源:自动化慕课网三菱CC-LINK作为基于串行通讯总线的工业总线之一,在工业分布式I/O配置中得到广泛应用。工业现场总线在实际工程应用中,具有省配线、系统更加稳定、距离以及灵活拓展等优点。以下以三菱 Q03UDE+QJ ...
来源:自动化慕课网
三菱CC-LINK作为基于串行通讯总线的工业总线之一,在工业分布式I/O配置中得到广泛应用。工业现场总线在实际工程应用中,具有省配线、系统更加稳定、距离以及灵活拓展等优点。
以下以三菱 Q03UDE+QJ61BT11N与变频器CC-LINK通讯做简单介绍。

1.新建工程



2.软件中打开工程-参数-网络参数-CC-LINK进行参数的设定

2.1 需要设置网络类型,起始I/O号、模式、对应远程软元件RX/RY,RWw/RWr设置以及站信息设置


2.2 站设置
远程设备站连接的是E700变频器,智能设备站连接的是FX3U,注意:这里占有站数要根据实际设备进行判断,我们这里默认设置为一个站。


2.3 系统配置图


(1) PLC
在用作主站的 PLC CPU 的主基架单元或扩展基架单元上装入“QJ61BT11N”、“QJ61BT11” 、
“AJ61QBT11”、“A1SJ61QBT11”、“AJ61BT11”或“A1SJ61BT11”“控制和通讯链接系统主模块/本地
模块”。
(2) 变频器侧
将选件(FR-A7NC)安装在变频器上。
(3) 使用 CC-Link 专用电缆连接 PLC CC-Link 模块主站和 FR-A7NC 附带的端子排。将端子排连接至
FR-A7NC 后,安装前盖板。
2.5接线
工厂自动化中可采用共享一个链接系统如 CC-Link 远程设备站的多个变频器,并通过 PLC 用户程序进行控
制和监视。
对于 CC-Link 专用电缆的屏蔽线,请将其连接至各单元的“SLD”并始终通过“FG”接地。
端子 SLD 和 FG 在单元内部连接。



2.6变频器参数一览
下列参数用于内置选件(FR-A7NC)。
根据需要设置参数值。



2.7 I/O信号表
6.2.1 CC-Link Ver.1 占用 1 站(兼容 FR-A5NC)时的 I/O 信号(Pr.544 = 0)
(1) 远程 I/O (32 点)




(2) 远程寄存器



3编程示例
3.1参数设置
(1)主站的网络参数设定,网络参数设定如下。



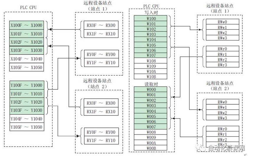
(2)PLC CPU 设备和远程设备站的远程 I/O (RX,RY)之间的关系如下:实际使用的设备带阴影显示。(左图)
PLC CPU 设备和远程设备站的远程寄存器(RWw,RWr)之间的关系如下:实际使用的设备带阴影显示。(右图)



3.2读取变频器状态的程序示例



3.3设定运行指令的程序示例



3.4监视输出频率的程序示例
以下程序将变频器的输出频率读取至 D1。输出频率读取代码编号:H0001(十六进制)有关监视器代码编号的详情,请参见变频器手册。(示例)60Hz 的输出频率显示为 H1770 (6000)。



3.5参数写入的程序示例
以下程序将 变频器的 Pr.7 加速时间的设定,更改至 3.0s。⋅加速时间写入代码编号:H87(十六进制)加速时间设定数据K30 (十进制)有关参数代码编号,请参见变频器使用手册。命令代码执行时的应答代码设至 D2



3.6设定运行频率的程序示例
以下程序示例将 变频器的运行频率改为 50.00Hz设定频率:K5000 十进制命令代码执行时的应答代码设至 D2。



3.7异常内容读取的程序示例
以下程序读取 变频器的异常内容至D1。异常(错误)记录 No. 1,No. 2 读取代码编号:H74 (十六进制)有关异常代码编号,请参见第 72 页。命令代码执行时的应答代码设至 D2。



e19480de58f34052a944fd6d99a68323.png

路过

雷人

握手

鲜花

鸡蛋

相关阅读

发表评论

最新评论

nmhonghong 2020-4-25 11:52
真是难得给力的帖子啊。

查看全部评论(1)

热门文章

QQ|免责声明|本站介绍|工控课堂 ( 沪ICP备20008691号-1 || 沪公网安备 31010602005455号 )|网站地图

GMT+8, 2020-4-28 22:10 , Processed in 0.086329 second(s), 45 queries .

Powered by Discuz! X3.4

© 2001-2017 Comsenz Inc.

返回顶部