工控课堂

 找回密码
 立即注册

QQ登录

只需一步,快速开始

扫一扫,访问微社区

工控课堂 首页 工控文库 PLC学习 查看内容

三台S7-200 SMART 之间的MODBUS-RTU 通讯

2020-9-19 21:34| 发布者: 198366809| 查看: 1| 评论: 0|原作者: 198366809

摘要: 01主站编程 MODBUS 子程序: 02从站1程序 子程序: 03从站2程序 子程序:
01
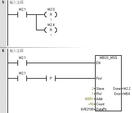
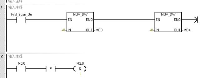
主站编程


MODBUS 子程序:














02
从站1程序


子程序:




03
从站2程序


子程序:





路过

雷人

握手

鲜花

鸡蛋

相关阅读

最新评论

热门文章

QQ|免责声明|本站介绍|工控课堂 ( 沪ICP备20008691号-1 || 沪公网安备 31010602005455号 )|网站地图

GMT+8, 2020-9-19 21:34 , Processed in 0.061366 second(s), 44 queries .

Powered by Discuz! X3.4

© 2001-2017 Comsenz Inc.

返回顶部