|
编码器的定义与功能 在数字系统里,常常需要将某一信息(输入)变换为某一特定的代码(输出)。把二进制码按一定的规律编排,例如8421码、格雷码等,使每组代码具有一特定的含义(代表某个数字或控制信号)称为编码。具有编码功能的逻辑电路称为编码器。编码器有若干个输入,在某一时刻只有一个输入信号被转换成为二进制码。如果一个编码器有N个输入端和n个输出端,则输出端与输入端之间应满足关系N≤2n。例如8线—3线编码器和10线—4线编码器分别有8输入、3位二进制码输出和10输入、4位二进制码输出。
▲ 4线—2线编码器 下面分析4输入、2位二进制输出的编码器的工作原理。  根据逻辑表达式画出逻辑图如图1所示。  图1 该逻辑电路可以实现如表1所示的功能,即当I0~I3中某一个输入为1,输出 Y1Y0即为相对应的代码,例如当I1为1时,Y1Y0为01。这里还有一个问题请读者注意。当I0为1,I1~I3都为0和I0~I3均为0时Y1Y0 都是00,而这两种情况在实际中是必须加以区分的,这个问题留待后面加以解决。当然,编码器也可以设计为低电平有效。
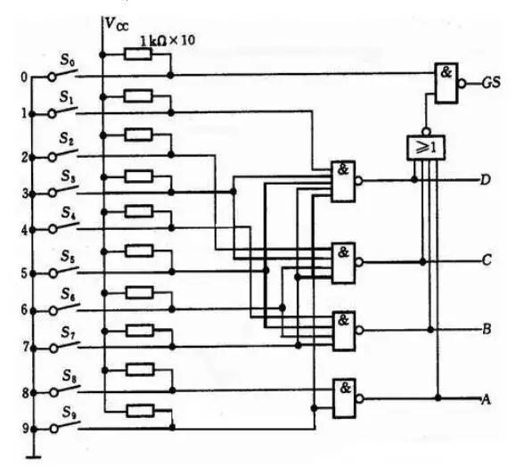
▲ 键盘输入8421BCD码编码器 计算机的键盘输入逻辑电路就是由编码器组成。图2是用十个按键和门电路组成的8421码编码器,其功能如表2所示, 其中S0~S9代表十个按键,即对应十进制数0~9的输入键,它们对应的输出代码正好是8421BCD码,同时也把它们作为逻辑变量,ABCD 为输出代码(A为最高位),GS为控制使能标志。
对功能表和逻辑电路进行分析,都可得知:①该编码器为输入低电平有效;②在按下S0~S9中任意一个键时,即输入信号中有一个为有效电平时,GS=1,代表有信号输入,而只有S0~S9均为高电平时GS=0,代表无信号输入,此时的输出代码0000为无效代码。由此解决了前面提出的如何区分两种情况下输出都是全0的问题。  图2  表2
▲ 优先编码器 上述机械式按键编码电路虽然比较简单,但当同时按下两个或更多个键时,其输出将是混乱的。在数字系统中,特别是在计算机系统中,常常要控制几个工作对象,例如微型计算机主机要控制打印机、磁盘驱动器、输入键盘等。当某个部件需要实行操作时,必须先送一个信号给主机(称为服务请求),经主机识别后再发出允许操作信号(称为服务响应),这里会有几个部件同时发出服务请求的可能,而在同一时刻只能给其中一个部件发出允许操作信号。因此,必须根据轻重缓急,规定好这些控制对象允许操作的先后次序,即优先级别。识别这类请求信号的优先级别并进行编码的逻辑部件称为优先编码器。4线—2线优先编码器的功能表如表3所示。  表3
编码器的工作原理和种类 编码器(encoder)是将信号(如比特流)或数据进行编制、转换为可用以通讯、传输和存储的信号形式的设备。编码器把角位移或直线位移转换成电信号,前者称为码盘,后者称为码尺。按照读出方式编码器可以分为接触式和非接触式两种;按照工作原理编码器可分为增量式和绝对式两类。增量式编码器是将位移转换成周期性的电信号,再把这个电信号转变成计数脉冲,用脉冲的个数表示位移的大小。绝对式编码器的每一个位置对应一个确定的数字码,因此它的示值只与测量的起始和终止位置有关,而与测量的中间过程无关。 
根据检测原理,编码器可分为光学式、磁式、感应式和电容式。根据其刻度方法及信号输出形式,可分为增量式、绝对式以及混合式三种。
增量式编码器:增量式编码器是直接利用光电转换原理输出三组方波脉冲A、B和Z相;A、B两组脉冲相位差90度,从而可方便的判断出旋转方向,而Z相为每转一个脉冲,用于基准点定位。它的优点是原理构造简单,机械平均寿命可在几万小时以上,抗干扰能力强,可靠性高,适合于长距离传输。其缺点是无法输出轴转动的绝对位置信息。
绝对式编码器:绝对式编码器是直接输出数字的传感器,在它的圆形码盘上沿径向有若干同心码盘,每条道上有透光和不透光的扇形区相间组成,相邻码道的扇区树木是双倍关系,码盘上的码道数是它的二进制数码的位数,在码盘的一侧是光源,另一侧对应每一码道有一光敏元件,当码盘处于不同位置时,各光敏元件根据受光照与否转换出相应的电平信号,形成二进制数。这种编码器的特点是不要计数器,在转轴的任意位置都可读出一个固定的与位置相对应的数字码。显然,码道必须N条码道。目前国内已有16位的绝对编码器产品。
混合式绝对编码器:混合式绝对编码器,它输出两组信息,一组信息用于检测磁极位置,带有绝对信息功能;另一组则完全同增量式编码器的输出信息。 
光电编码器的应用
光电编码器是通过读取光电编码盘上的图案或编码信息,来表示与光电编码器相连的电机转子的位置信息的。光电编码器,是目前应用最多的传感器。  一般的光电编码器主要由光栅盘和光电检测装置组成。在伺服系统中,由于光电码盘与电动机同轴,电动机旋转时,光栅盘与电动机同速旋转,经发光二极管等电子元件组成的检测装置检测输出若干脉冲信号。通过计算每秒光电编码器输出脉冲的个数就能反映当前电动机的转速。此外,为判断旋转方向,码盘还可提供相位相差90°的2个通道的光码输出,根据双通道光码的状态变化确定电机的转向。 
根据光电编码器的工作原理可以将光电编码器分为绝对式光电编码器与增量式光电编码器。下面,简单说明一下,增量型编码器与绝对型编码器区别。
1、角度测量
汽车驾驶模拟器,对方向盘旋转角度的测量选用光电编码器作为传感器。重力测量仪,采用光电编码器,把他的转轴与重力测量仪中补偿旋钮轴相连,扭转角度仪,利用编码器测量扭转角度变化,如扭转实验机、渔竿扭转钓性测试等。摆锤冲击实验机,利用编码器计算冲击时摆角变化。 2、长度测量 计米器,利用滚轮周长来测量物体的长度和距离。拉线位移传感器,利用收卷轮周长计量物体长度距离。联轴直测,与驱动直线位移的动力装置的主轴联轴,通过输出脉冲数计量。介质检测,在直齿条、转动链条的链轮、同步带轮等来传递直线位移信息。 3、速度测量 线速度,通过跟仪表连接,测量生产线的线速度角速度,通过编码器测量电机、转轴等的速度测量 4、位置测量 机床方面,记忆机床各个坐标点的坐标位置,如钻床等自动化控制方面,控制在每个位置进行指定动作。如电梯、提升机等 5、同步控制 通过角速度或线速度,对传动环节进行同步控制,以达到张力控制
增量型编码器 (旋转型) 旋转编码器是用来测量转速的装置。它分为单路输出和双路输出两种。技术参数主要有每转脉冲数(几十个到几千个都有),和供电电压等。单路输出是指旋转编码器的输出是一组脉冲,而双路输出的旋转编码器输出两组相位差90度的脉冲,通过这两组脉冲不仅可以测量转速,还可以判断旋转的方向。
1、工作原理:由一个中心有轴的光电码盘,其上有环形通、暗的刻线,有光电发射和接收器件读取,获得四组正弦波信号组合成A、B、C、D,每个正弦波相差90度相位差(相对于一个周波为360度),将C、D信号反向,叠加在A、B两相上,可增强稳定信号;另每转输出一个Z相脉冲以代表零位参考位。  由于A、B两相相差90度,可通过比较A相在前还是B相在前,以判别编码器的正转与反转,通过零位脉冲,可获得编码器的零位参考位。 编码器码盘的材料有玻璃、金属、塑料,玻璃码盘是在玻璃上沉积很薄的刻线,其热稳定性好,精度高,金属码盘直接以通和不通刻线,不易碎,但由于金属有一定的厚度,精度就有限制,其热稳定性就要比玻璃的差一个数量级,塑料码盘是经济型的,其成本低,但精度、热稳定性、寿命均要差一些。 分辨率—编码器以每旋转360度提供多少的通或暗刻线称为分辨率,也称解析分度、或直接称多少线,一般在每转分度5~10000线。 
2、信号输出:信号输出有正弦波(电流或电压),方波(TTL、HTL),集电极开路(PNP、NPN),推拉式多种形式,其中TTL为长线差分驱动(对称A,A-;B,B-;Z,Z-),HTL也称推拉式、推挽式输出,编码器的信号接收设备接口应与编码器对应。 信号连接—编码器的脉冲信号一般连接计数器、PLC、计算机,PLC和计算机连接的模块有低速模块与高速模块之分,开关频率有低有高。 如单相联接,用于单方向计数,单方向测速。 A.B两相联接,用于正反向计数、判断正反向和测速。 A、B、Z三相联接,用于带参考位修正的位置测量。 A、A-,B、B-,Z、Z-连接,由于带有对称负信号的连接,电流对于电缆贡献的电磁场为0,衰减最小,抗干扰最佳,可传输较远的距离。 对于TTL的带有对称负信号输出的编码器,信号传输距离可达150米。
对于HTL的带有对称负信号输出的编码器,信号传输距离可达300米。
3、增量式编码器的问题:增量型编码器存在零点累计误差,抗干扰较差,接收设备的停机需断电记忆,开机应找零或参考位等问题,这些问题如选用绝对型编码器可以解决。
增量型编码器的一般应用: 测速,测转动方向,测移动角度、距离(相对)。 
绝对型编码器(旋转型) 绝对编码器光码盘上有许多道光通道刻线,每道刻线依次以2线、4线、8线、16 线。。。。。。编排,这样,在编码器的每一个位置,通过读取每道刻线的通、暗,获得一组从2的零次方到2的n-1次方的唯一的2进制编码(格雷码),这就 称为n位绝对编码器。这样的编码器是由光电码盘的机械位置决定的,它不受停电、干扰的影响。
绝对编码器由机械位置决定的每个位置是唯一的,它无需记忆,无需找参考点,而且不用一直计数,什么时候需要知道位置,什么时候就去读取它的位置。这样,编码器的抗干扰特性、数据的可靠性大大提高了。
从单圈绝对值编码器到多圈绝对值编码器
旋转单圈绝对值编码器,以转动中测量光电码盘各道刻线,以获取唯一的编码,当转动超过360度时,编码又回到原点,这样就不符合绝对编码唯一的原则,这样的编码只能用于旋转范围360度以内的测量,称为单圈绝对值编码器。  如果要测量旋转超过360度范围,就要用到多圈绝对值编码器。
编码器生产厂家运用钟表齿轮机械的原理,当中心码盘旋转时,通过齿轮传动另一组 码盘(或多组齿轮,多组码盘),在单圈编码的基础上再增加圈数的编码,以扩大编码器的测量范围,这样的绝对编码器就称为多圈式绝对编码器,它同样是由机械 位置确定编码,每个位置编码唯一不重复,而无需记忆。
多圈编码器另一个优点是由于测量范围大,实际使用往往富裕较多,这样在安装时不必要费劲找零点, 将某一中间位置作为起始点就可以了,而大大简化了安装调试难度。
|