找回密码
 立即注册

QQ登录

只需一步,快速开始

查看: 4375|回复: 13

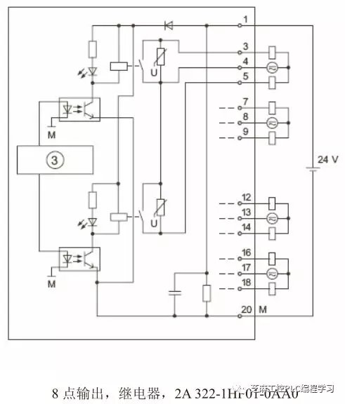
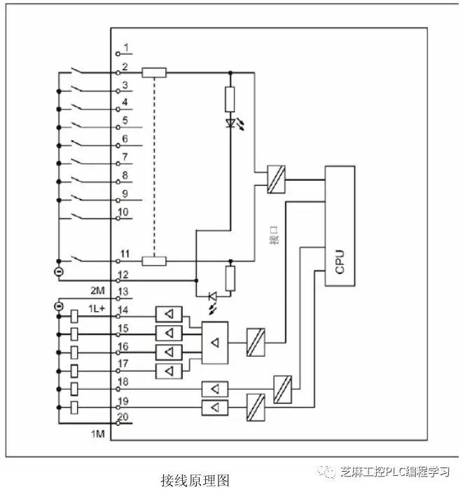
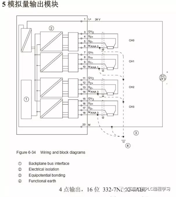
西门子S7300系列所有模块接线图汇总

 火.. [复制链接]
  • 打卡等级:即来则安
  • 打卡总天数:27
  • 打卡月天数:6
  • 打卡总奖励:7736
  • 最近打卡:2025-12-20 00:35:11

3317

主题

285

回帖

2万

积分

管理员

积分
23881
发表于 2020-1-16 21:30:01 | 显示全部楼层 |阅读模式




本帖子中包含更多资源

您需要 登录 才可以下载或查看,没有账号?立即注册

×
工控课堂 www.gkket.com

0

主题

131

回帖

373

积分

注册会员

积分
373
发表于 2020-1-16 21:30:01 | 显示全部楼层
看到这帖子真是高兴!
工控课堂 www.gkket.com

0

主题

556

回帖

1086

积分

中级会员

积分
1086
发表于 2020-3-3 11:51:55 | 显示全部楼层
强烈支持楼主ing……
工控课堂 www.gkket.com

0

主题

121

回帖

347

积分

注册会员

积分
347
发表于 2020-10-10 22:09:01 | 显示全部楼层
楼主您的技术水准,我最服你,其他都是浮云
工控课堂 www.gkket.com

0

主题

81

回帖

121

积分

新手上路

积分
121
发表于 2025-11-13 04:16:09 | 显示全部楼层
楼主辛苦啦,期待下一篇分享!
工控课堂 www.gkket.com

0

主题

71

回帖

106

积分

新手上路

积分
106
发表于 2025-11-13 04:28:15 | 显示全部楼层
笑不活了,评论区比正文还精彩
已转发给朋友,一起快乐一下
工控课堂 www.gkket.com

0

主题

109

回帖

360

积分

注册会员

积分
360
发表于 2025-11-13 17:50:52 | 显示全部楼层
求个链接 / 教程,楼主好人一生平安~
工控课堂 www.gkket.com

0

主题

86

回帖

122

积分

新手上路

积分
122
发表于 2025-11-13 21:27:26 | 显示全部楼层
学到了学到了,这波分享太实用啦!
工控课堂 www.gkket.com

0

主题

107

回帖

232

积分

注册会员

积分
232
发表于 2025-11-14 04:24:30 | 显示全部楼层
路过打卡,为优质内容疯狂打 call
工控课堂 www.gkket.com

0

主题

112

回帖

165

积分

新手上路

积分
165
发表于 2025-11-17 14:51:23 | 显示全部楼层
这波反向操作,我属实没想到!
工控课堂 www.gkket.com
您需要登录后才可以回帖 登录 | 立即注册

本版积分规则

关闭

站长推荐上一条 /1 下一条

QQ|手机版|免责声明|本站介绍|工控课堂 ( 沪ICP备20008691号-1 )

GMT+8, 2025-12-22 13:34 , Processed in 0.134773 second(s), 28 queries .

Powered by Discuz! X3.5

© 2001-2025 Discuz! Team.

快速回复 返回顶部 返回列表