找回密码
 立即注册

QQ登录

只需一步,快速开始

查看: 4266|回复: 13

实物讲解三菱PLC外围电气设备接线方法

 火.. [复制链接]
  • 打卡等级:即来则安
  • 打卡总天数:28
  • 打卡月天数:7
  • 打卡总奖励:7961
  • 最近打卡:2025-12-22 17:16:30

3317

主题

285

回帖

2万

积分

管理员

积分
24106
发表于 2020-2-29 19:13:31 | 显示全部楼层 |阅读模式
PLC基本结构
电源用于将交流电转换成PLC内部所需的直流电j目前大部分PLC采用开关式稳压电源供电。
中央处理单元(CPU)
中央处理器是PLC的控制中枢,也是PLC的核心部件,其性能决定了PLC的性能。
中央处理器由控制器、运算器和寄存器组成,这些电路都集中在一块芯片上,通过地址总线、控制总线与存储器的输入/输出接口电路相连。中央处理器的作用是处理和运行用户程序,进行逻辑和数学运算,控制整个系统使之协调。
存储器
存储器是具有记忆功能的半导体电路,它的作用是存放系统程序、用户程序、逻辑变量和其他一些信息。其中系统程序是控制PLC实现各种功能的程序,由PLC生产厂家编写,并固化到只读存储器(ROM)中,用户不能访问。
输入单元
输入单元是PLC与被控设备相连的输入接口,是信号进入PLC的桥梁,它的作用是接收主令元件、检测元件传来的信号。输入的类型有直流输入、交流输入、交直流输入。
输出单元
输出单元也是PLC与被控设备之间的连接部件,它的作用是把PLC的输出信号传送给被控设备,即将中央处理器送出的弱电信号转换成电平信号,驱动被控设备的执行元件。输出的类型有继电器输出、晶体管输出、晶闸门输出。
PLC除上述几部分外,根据机型的不同还有多种外部设备,其作用是帮助编程、实现监控以及网络通信。常用的外部设备有编程器、打印机、盒式磁带录音机、计算机等。
  plc实物接线图详解
  输入端接线方式
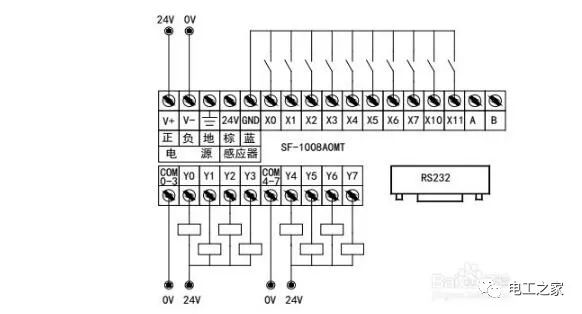
简思PLC输入端为:GND端和X端,支持所有的开关量输入,选取的开关需要是npn.no型的,常开。
1、感应器的接法:
①磁性感应器,2线,一般Blue(蓝色)接GND,Brown(棕色)接输入端的X。
②光电感应器,3线,一般Blue(蓝色)接GND,Black(黑色)接输入端的X,Brown(棕色)接24v。
2、行程开关,2线,行程开关没有正负极,选择NO一根接输入端X,选择另一根接GND。
开关电源的选取:最好是台湾明纬开关电源,直流24v输出。
  输出端接线方式
简思PLC输出端为:COM端和Y端,COM端接0V,Y端为输出控制端。简思PLC可直接驱动DC24V的气缸电磁阀,输出端6W以内可直接控制,功率高的负载,即功率》6W的负载,PLC不能直接驱动,需要用DC24V的中间继电器转接。
1、电磁阀选取:如果是气动控制直接选用24v电磁阀,可直接连接至控制器上使用。
2、液压阀控制:液压控制一般都是220v控制的,如果用控制器控制220v,中间需要一个电压的过度,选择24v继电器转接。
3、普通电机控制:电机控制需要两个过度,因为380V的高压,需要一个中间继电器和交流接触器,可以接购买24v的交流接触器。
4、步进/伺服电机控制:支持轴运动的简思PLC对于步进和伺服电机的型号选择没有特殊要求,PLC可直接连接步进/伺服电机的驱动器。
  简思PLC接线图
1、SF-1616A2MT接线图
PLC与步进电机/伺服电机的接线方式:
2、SF-1008A0MT接线图:
3、SF-0805A0MT接线图:

本帖子中包含更多资源

您需要 登录 才可以下载或查看,没有账号?立即注册

×
工控课堂 www.gkket.com

0

主题

160

回帖

450

积分

注册会员

积分
450
发表于 2020-2-29 19:13:31 | 显示全部楼层
绝对干货,楼主给力,支持了!!!
工控课堂 www.gkket.com

0

主题

556

回帖

1086

积分

中级会员

积分
1086
发表于 2020-3-3 10:41:49 | 显示全部楼层
强烈支持楼主ing……
工控课堂 www.gkket.com

0

主题

112

回帖

277

积分

注册会员

积分
277
发表于 2020-10-7 22:01:12 | 显示全部楼层
感谢分享,佩服佩服!
工控课堂 www.gkket.com

0

主题

84

回帖

130

积分

新手上路

积分
130
发表于 2025-11-17 00:44:43 | 显示全部楼层
楼主辛苦啦,期待下一篇分享!
工控课堂 www.gkket.com

0

主题

129

回帖

329

积分

注册会员

积分
329
发表于 2025-11-17 03:45:11 | 显示全部楼层
水个经验,支持楼主,加油呀
工控课堂 www.gkket.com

0

主题

46

回帖

60

积分

新手上路

积分
60
发表于 2025-11-17 16:02:29 | 显示全部楼层
楼主太会说了,字字句句都在理
工控课堂 www.gkket.com

0

主题

77

回帖

257

积分

注册会员

积分
257
发表于 2025-11-19 15:01:01 | 显示全部楼层
蹲一波同款,有没有小伙伴推荐?
工控课堂 www.gkket.com

0

主题

62

回帖

80

积分

新手上路

积分
80
发表于 2025-11-19 15:07:28 | 显示全部楼层
占个楼慢慢看,先马克一下
楼主辛苦啦,期待下一篇分享
工控课堂 www.gkket.com

0

主题

72

回帖

100

积分

新手上路

积分
100
发表于 2025-11-19 15:09:45 | 显示全部楼层
这逻辑绝了,分析得太到位了吧
工控课堂 www.gkket.com
您需要登录后才可以回帖 登录 | 立即注册

本版积分规则

关闭

站长推荐上一条 /1 下一条

QQ|手机版|免责声明|本站介绍|工控课堂 ( 沪ICP备20008691号-1 )

GMT+8, 2025-12-22 17:44 , Processed in 0.110242 second(s), 28 queries .

Powered by Discuz! X3.5

© 2001-2025 Discuz! Team.

快速回复 返回顶部 返回列表