找回密码
 立即注册

QQ登录

只需一步,快速开始

查看: 3560|回复: 12

34个动控制原理图,解决80%控制回路,留着备用

 火.. [复制链接]
  • 打卡等级:常驻代表
  • 打卡总天数:34
  • 打卡月天数:6
  • 打卡总奖励:9027
  • 最近打卡:2025-12-17 23:15:51

2823

主题

541

回帖

2万

积分

管理员

积分
22569
发表于 2020-3-2 19:51:29 | 显示全部楼层 |阅读模式
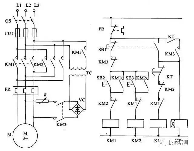
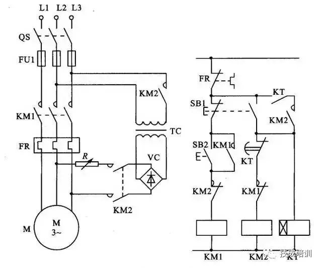
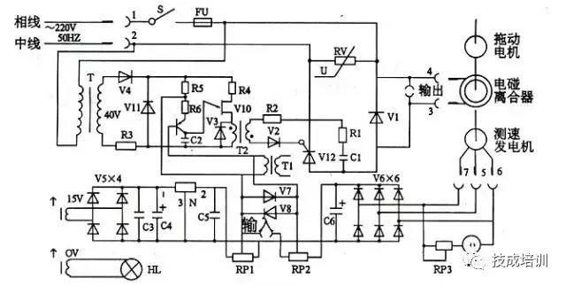
1、可控硅调速电路

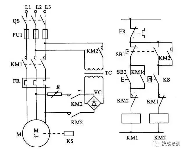
2、电磁调速电机控制
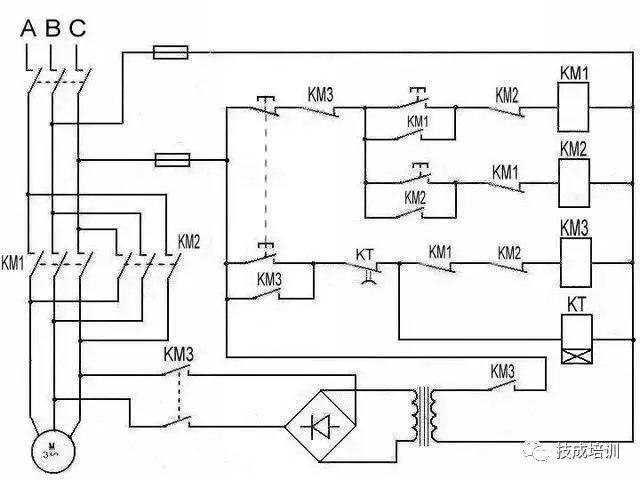
3、三相四线电度表互感器接线

4、能耗制动

5、顺序起动,逆序停止
6、锅炉水位探测装置

7、电机正反转控制电路

8、电葫芦吊机电

9、单相漏电开关电路

10、单相电机接线图

11、带点动的正反转起动电路

12、红外防盗报警器

13、电容单相电机接线图

14、自动循环往复控制线路

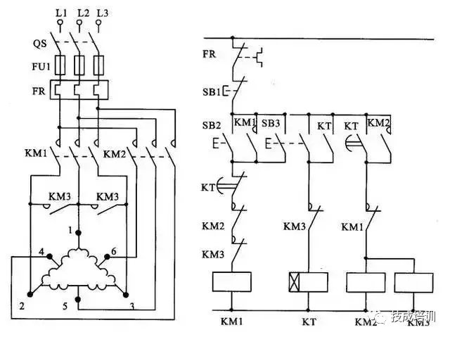
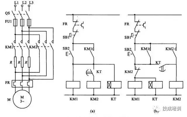
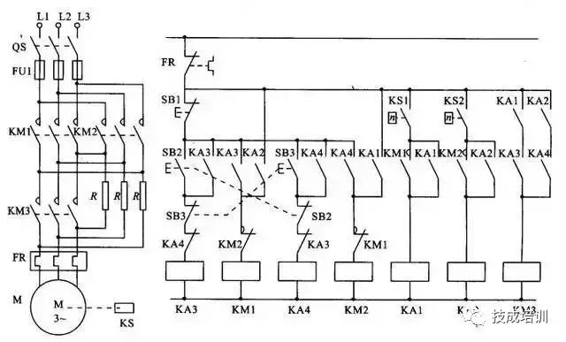
15、定子电路串电阻降压启动控制线

16、按启动钮延时运行电路

17、星形 - 三角形启动控制线路

18、单向反接制动的控制线路
19、具有反接制动电阻的可逆运行反接制动的控制线路

20、以时间原则控制的单向能耗制动线路

21、以速度原则控制的单向能耗制动控制线路

22、电动机可逆运行的能耗制动控制线路

23、双速电动机改变极对数的原理
24、双速电动机调速控制线路

25、使用变频器的异步电动机可逆调速系统控制线路

26、正确连接电器的触点

27、线圈的连接

28、继电器开关逻辑函数

29、三相半波整流电路图

30、三相全波整流电路图


31、三相全波6脉冲整流原理图

32、六相12脉冲整流原理图

33、负载两端的电压
在一个周期中,每个二极管只有三分这一的时候导通(导通角为120度)。负载两端的电压为线电压。
34、直流调速原理功能图

本帖子中包含更多资源

您需要 登录 才可以下载或查看,没有账号?立即注册

×
工控课堂 www.gkket.com

0

主题

129

回帖

339

积分

注册会员

积分
339
发表于 2020-3-2 19:55:11 | 显示全部楼层
加油,加油,不要沉下去,我是最热贴
工控课堂 www.gkket.com

0

主题

717

回帖

2166

积分

高级会员

积分
2166
发表于 2020-10-13 02:07:27 | 显示全部楼层
感谢分享,佩服佩服!
工控课堂 www.gkket.com

0

主题

404

回帖

1266

积分

中级会员

积分
1266
QQ
发表于 2025-11-14 13:00:25 | 显示全部楼层
不请自来,就想夸一句:太顶了!
工控课堂 www.gkket.com

0

主题

59

回帖

93

积分

新手上路

积分
93
发表于 2025-11-14 23:48:19 | 显示全部楼层
救命!这回复笑到我捶桌,必须置顶~
工控课堂 www.gkket.com

0

主题

63

回帖

91

积分

新手上路

积分
91
发表于 2025-11-18 19:41:50 | 显示全部楼层
路过打卡,为优质内容疯狂打 call
工控课堂 www.gkket.com

0

主题

87

回帖

277

积分

注册会员

积分
277
发表于 2025-11-21 08:46:22 | 显示全部楼层
已转发给朋友,一起感受这份快乐~
工控课堂 www.gkket.com

0

主题

77

回帖

119

积分

新手上路

积分
119
发表于 2025-11-21 08:49:11 | 显示全部楼层
蹲一波同款,有没有小伙伴推荐?
工控课堂 www.gkket.com

0

主题

112

回帖

169

积分

新手上路

积分
169
发表于 2025-11-21 08:49:48 | 显示全部楼层
原来还有这种操作,长见识了!
工控课堂 www.gkket.com

0

主题

113

回帖

400

积分

注册会员

积分
400
发表于 2025-11-21 08:51:44 | 显示全部楼层
水个经验,支持楼主,加油呀
工控课堂 www.gkket.com
您需要登录后才可以回帖 登录 | 立即注册

本版积分规则

关闭

站长推荐上一条 /1 下一条

QQ|手机版|免责声明|本站介绍|工控课堂 ( 沪ICP备20008691号-1 )

GMT+8, 2025-12-22 17:04 , Processed in 0.090621 second(s), 28 queries .

Powered by Discuz! X3.5

© 2001-2025 Discuz! Team.

快速回复 返回顶部 返回列表