|
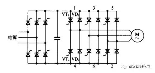
1、按变换频率的方法分类:有交-交和交-直-交两种变频器。 交-交变频器可将工频交流直接变换成频率、电压均可控制的电流,又称直接式变频器。 交-直-交变频器是先把工频交流电通过整流器变成直流电,然后再把直流通过逆变器变换成频率、电压均可控制的交流电,又称间接式变频器。 2、按直流电源的性质分类:根据缓冲无功功率的直流中间电路的储能元件是电感器还是电容器,可将变频器分为电流型和电压型两大类。 电流型变频器的主要电路如下图所示: 
电压型变频器的主电路如下图所示: 
性能比较如下: 
3、按电压等级分类:有低压变频器和高压变频器 低压变频器的电压等级为380-460v,其中单相为220-240v,三相为220v或380-460V;容量为0.2-280-500kw,一般称为中小容量变频器。 高压变频器的电压等级为3KV/6KV和10kv。有高压中、小容量变频器和高压大容量变频器。 4、按变频的控制方式分类,有以下几种 ①、第一代以U/F=C控制,又称正弦脉宽调制(SPWM)控制方式。 ②、第二代以电压空间矢量控制(磁通轨迹法),又称SVPWM控制方式。 ③、第三代以矢量控制(磁场定向法),又称VC控制方式。 ④、第四代以直接转矩控制,又称DTC控制方式。 基本参数见下表: 
注意:直接转矩控制,在带PG或编码器后i可拓宽至1:1000,静态速度精度可达±0.01%。 5、按不同用途分类:除通用变频器外,还有高性能变频器及为满足各行业不同应用特点设计的专用变频器,如地铁机车专用变频器,电动车辆专用变频器,轧机专用变频器,电梯专用变频器,起重机械专用变频器,张力控制专用变频器,风机、泵类变频器等。 风机、泵类变频器和通用变频器的主要区别见下表: 
|