找回密码
 立即注册

QQ登录

只需一步,快速开始

查看: 5420|回复: 12

低压配电室的尺寸确定及配电设备布置,非常实用,简单...

 火.. [复制链接]
  • 打卡等级:常驻代表
  • 打卡总天数:34
  • 打卡月天数:6
  • 打卡总奖励:9027
  • 最近打卡:2025-12-17 23:15:51

2823

主题

541

回帖

2万

积分

管理员

积分
22569
发表于 2020-7-8 21:22:10 | 显示全部楼层 |阅读模式

对于初入电气设计行业的朋友,低压配电及低压配电室的尺寸确定和布置是非常常见的。低压配电室一般指10kV或35kV站用变出线的400V配电室。有低压负荷的室内配电场所称为配电室,主要为低压用户配送电能,设有中压进线(可有少量出线)、配电变压器和低压配电装置。10kV及以下电压等级设备的设施,分为高压配电室和低压配电室。



高压配电室一般指6kV-10kV高压开关室;低压配电室一般指10kV或35kV站用变出线的400V配电室。今天我们来讲一讲低压配电室的尺寸确定及设备布置。

一、低压配电室的设备布置

(1)低压配电室的位置

1)应靠近用电负荷中心,设置在尘埃少、腐蚀介质少、周围环境干燥和无剧烈震动的场所,能有备用空间更好。

2)配电室的布置要考虑安全、设备的进出、安装、操作及维护。

3)除了特殊情况,比如暖气、空调等和本配电室有关的管线,其它管线不允许从配电室穿过。

(2)配电设备的布置

1)落地式配电箱的底部应抬高,比地面,室内不低于50mm,室外不低于200mm。周围还要考虑防止小动物进去的措施。



2)高低压配电设备在同一房间布置时,且两者有一侧规定有裸露的母线时,两者之间的净距不应小于2m。

3)成排布置的配电屏,其长度超过6m时,屏后通道应有两个出口;当两个出口之间的距离超过15m时,中间还要增加出口。

4)低压配电屏布置时,要考虑的距离:



5)配电室通道上方裸带电体距离地面的高度不应小于2.5m。

6)低压配电屏的防护等级一般采用IP3X。

7)如果低压变压器采用干式,可以和低压配电柜布置在一起。


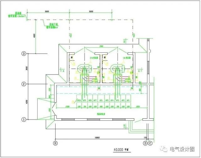
(3)一个低压配电室的布置



二、低压配电室的尺寸确定

首先要做几个假设:低压配电柜的外形尺寸:800(W)x 600(D)x 2200(H),配电柜数量为30台。

(1)当低压配电柜单列布置时

1)配电柜采用固定柜

配电柜的长度:W1=0.8x30=24(m);

配电柜的深度:D1=0.6m;

配电柜左右通道最小距离:W2=1m;

柜后维修通道:D2=1m;

柜前操作通道:D3=1.5m;

那么,配电室的长度:L=W1+2xW2=26m,考虑墙皮厚度200mm,配电室的最小长度为26.5m。

配电室的宽度:W=D1+D2+D3=3.1m,考虑墙皮厚度200mm,配电室的最小宽度为3.5m。

好,这样配电室的最小尺寸是26.5mx3.5m,对吗?........不对,错!!!

因为,规范规定,当配电装置的长度大于15m 时,应增加柜后的出口!!!也就是说,当配电装置的长度大于6m 时,柜后应有两个出口,当配电装置的长度大于15m 时,柜后应有三个出口(为什么呢,小伙伴们可以讨论)。



所以,配电室的最小尺寸应该是27.5mx3.5m,增加1m。

2)配电柜采用抽屉柜

配电柜的长度:W1=0.8x30=24(m);

配电柜的深度:D1=0.6m;

配电柜左右通道最小距离:W2=1m

柜后维修通道:D2=1m

柜前操作通道:D3=1.8m

那么,配电室的长度没有变化:L=W1+2xW2=26m,考虑墙皮厚度200mm,配电室的最小长度为26.5m。

配电室的宽度:W=D1+D2+D3=3.4m,考虑墙皮厚度200mm,配电室的最小宽度为4m。

根据规范规定,当配电装置的长度大于15m 时,应增加柜后的出口,所以,配电室的最小尺寸应该是27.5mx4m。

(2)当低压配电柜双列面对面布置时

1)配电柜采用固定柜

配电柜的长度:0.8x30=24(m);

双排:W1=12m;

配电柜的深度:D1=0.6m;

配电柜左右通道最小距离:W2=1m;

柜后维修通道:D2=1m;

柜前操作通道:D3=2m;

那么,配电室的长度:L=W1+2xW2=14m,考虑墙皮厚度200mm,配电室的最小长度为14.5m。

配电室的宽度:W=2xD1+2xD2+D3=5.2m,考虑墙皮厚度200mm,配电室的最小宽度为5.5m。

好,这样配电室的最小尺寸是14.5mx5.5m。



2)配电柜采用抽屉柜

配电柜的长度:0.8x30=24(m),

双排:W1=12m;

配电柜的深度:D1=0.6m

配电柜左右通道最小距离:W2=1m,

柜后维修通道:D2=1m;

柜前操作通道:D3=2.3m;

那么,配电室的长度:L=W1+2xW2=14m,考虑墙皮厚度200mm,配电室的最小长度为14.5m。

配电室的宽度:W=2xD1+2xD2+D3=5.5m,考虑墙皮厚度200mm,配电室的最小宽度为6m。



好,这样配电室的最小尺寸是14.5mx6m。


本帖子中包含更多资源

您需要 登录 才可以下载或查看,没有账号?立即注册

×
工控课堂 www.gkket.com

0

主题

458

回帖

2498

积分

高级会员

积分
2498
发表于 2020-7-8 21:22:11 | 显示全部楼层
强烈支持楼主ing……
工控课堂 www.gkket.com

0

主题

109

回帖

360

积分

注册会员

积分
360
发表于 2020-10-26 07:42:07 | 显示全部楼层
这个类目最活跃了!赞一个!
工控课堂 www.gkket.com

0

主题

95

回帖

149

积分

新手上路

积分
149
发表于 2025-11-14 12:00:23 | 显示全部楼层
学到干货了,感谢分享,已火速收藏
工控课堂 www.gkket.com

0

主题

185

回帖

317

积分

注册会员

积分
317
发表于 2025-11-15 12:10:35 | 显示全部楼层
路过混个脸熟,顺便为优质内容打 call~
工控课堂 www.gkket.com

0

主题

106

回帖

159

积分

新手上路

积分
159
发表于 2025-11-15 12:21:38 | 显示全部楼层
楼主辛苦啦,期待下一篇分享
工控课堂 www.gkket.com

0

主题

80

回帖

122

积分

新手上路

积分
122
发表于 2025-11-15 12:21:48 | 显示全部楼层
赞同 + 10086,完全说出了我的想法!
工控课堂 www.gkket.com

0

主题

73

回帖

104

积分

新手上路

积分
104
发表于 2025-11-15 12:25:42 | 显示全部楼层
这波分析到位,逻辑满分!
工控课堂 www.gkket.com

0

主题

49

回帖

51

积分

新手上路

积分
51
发表于 2025-11-15 12:32:00 | 显示全部楼层
救命!这波发言太秀了,直接原地封神~
疯狂认同!楼主说出了我不敢说的话
工控课堂 www.gkket.com

0

主题

90

回帖

131

积分

新手上路

积分
131
发表于 2025-11-15 12:35:27 | 显示全部楼层
笑不活了,评论区比正文还精彩!
工控课堂 www.gkket.com
您需要登录后才可以回帖 登录 | 立即注册

本版积分规则

关闭

站长推荐上一条 /1 下一条

QQ|手机版|免责声明|本站介绍|工控课堂 ( 沪ICP备20008691号-1 )

GMT+8, 2025-12-23 03:29 , Processed in 0.214402 second(s), 27 queries .

Powered by Discuz! X3.5

© 2001-2025 Discuz! Team.

快速回复 返回顶部 返回列表