找回密码
 立即注册

QQ登录

只需一步,快速开始

查看: 4117|回复: 12

在项目中学PLC—DIDO的用法:电机的启停

 火.. [复制链接]
  • 打卡等级:常驻代表
  • 打卡总天数:34
  • 打卡月天数:6
  • 打卡总奖励:9027
  • 最近打卡:2025-12-17 23:15:51

2823

主题

541

回帖

2万

积分

管理员

积分
22569
发表于 2020-8-13 20:21:30 | 显示全部楼层 |阅读模式


●项目工况介绍:
电气相关元气件罗列如下:
液压泵驱动电机:主泵电机:110KW,循环泵电机:45KW,高压泵电机:15KW,抽油泵电机:4KW,其余小电机不计。
电磁阀若干:DC24V控制。
比例阀:比例溢流阀 0-10V信号,对应0-35MPa
压力传感器:0-40MPa,0-10V信号。0-40MPa,4-20mA
温度传感器:-50-100度 ,4-20mA,两线制。
转速扭矩传感器:DC24V高速脉冲信号
流量计:DC24V高速脉冲信号
其余信号:滤油器报警信号,液位报警,热继电器报警,蝶阀。
●DIDO的用法:电机的启停:
先从简单的开始,介绍两个电机的启停:15KW,4KW。
◆第一:搞懂工况。
两个电机的控制:M1(15KW),M2(4KW),用两个个带灯按钮控制SB1控制M1,SB2控制M2启停。
限制条件:1.两个电机受急停控制,2.液位极低时不能启泵。3.两个电机分别受两个蝶阀限制(XK1,XK2),蝶阀关闭时,不允许起泵。4.两个定电机分别受热继电器保护(FR1,FR2)。其中,急停和热继电器都接常闭触点。
◆第二:所需知识点的查漏补缺。
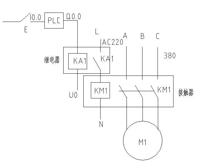
本小节只涉及到一个知识点,就是自锁回路的理解。很好理解,如下图,当SB2按下时,KM线圈得电,KM触点动作,控制回路中,和SB2并联的KM辅助触点就把回路锁住,使得当SB2抬起来时,还能能够保证线圈一直得电。当SB1动作时,KM线圈失电。这个就是两键启停的自锁回路控制原理。一键启停自锁回路原理差不多。




◆第三:出电气图


◆ 第四:程序(逻辑)编写
限制条件:1. 紧急情况下,急停(常闭)拍下,电机停止运行。急停拍下时,电机不允许启停。
2. M1电机受FR1(热继)保护,M2 电机受FR2(热继)保护。
3. XK1(蝶阀)不打开,M1不能运行。XK2(蝶阀)不打开,M2不能运行。






◆第五:调试


这个调试方法很简单,如上图所示。
第一步:断开继电器线圈的回路,断开接触器线圈回路,断开电机主回路。用SB0.0按钮按一下,自锁回路使得Q0.0得电,再恩一下,Q0.0断电。
第二步:继电器回路得电,断开接触器线圈回路,断开电机主回路。用SB0.0按钮按一下,自锁回路使得Q0.0得电,KA1吸合(带灯可以看得见),再恩一下,Q0.0断电,KA1断电。
第三步:接通接触器线圈回路,断开电机主回路。用SB0.0按钮按一下,自锁回路使得Q0.0得电,KA1吸合(带灯可以看得见),接触器KM1吸合(可以听声音判断)。再恩一下,Q0.0断电,KA1断电,接触器KM1断电。
第四部:接通所有回路,SB1摁一下,电机启,SB1再摁一下,电机停止。
注意:以上几部,主要是检查电器回路的接线。再最后一步,出现电机反转或紧急情况,注意急停的应用。

本帖子中包含更多资源

您需要 登录 才可以下载或查看,没有账号?立即注册

×
工控课堂 www.gkket.com

0

主题

96

回帖

286

积分

注册会员

积分
286
发表于 2020-8-13 20:35:08 | 显示全部楼层
论坛有你更精彩!
工控课堂 www.gkket.com

0

主题

157

回帖

426

积分

注册会员

积分
426
发表于 2020-10-9 04:30:41 | 显示全部楼层
楼主您的技术水准,我最服你,其他都是浮云
工控课堂 www.gkket.com

0

主题

96

回帖

147

积分

新手上路

积分
147
发表于 2025-11-15 11:46:15 | 显示全部楼层
楼主辛苦啦,期待下一篇分享
工控课堂 www.gkket.com

0

主题

91

回帖

134

积分

新手上路

积分
134
发表于 2025-11-15 23:21:42 | 显示全部楼层
楼主辛苦啦,期待下一篇分享!
工控课堂 www.gkket.com

0

主题

87

回帖

290

积分

注册会员

积分
290
发表于 2025-11-15 23:29:28 | 显示全部楼层
赞同 + 10086,没毛病,完全没毛病
工控课堂 www.gkket.com

0

主题

110

回帖

171

积分

新手上路

积分
171
发表于 2025-11-15 23:32:29 | 显示全部楼层
这波反向操作,我属实没想到!
工控课堂 www.gkket.com

0

主题

86

回帖

291

积分

注册会员

积分
291
发表于 2025-11-15 23:35:53 | 显示全部楼层
求个链接 / 教程,楼主好人一生平安~
工控课堂 www.gkket.com

0

主题

94

回帖

138

积分

新手上路

积分
138
发表于 2025-11-15 23:41:05 | 显示全部楼层
楼主太会说了,字字句句都在理~
工控课堂 www.gkket.com
  • 打卡等级:无名新人
  • 打卡总天数:1
  • 打卡月天数:0
  • 打卡总奖励:7
  • 最近打卡:2024-12-27 22:29:12

0

主题

122

回帖

272

积分

注册会员

积分
272
发表于 2025-11-15 23:44:47 | 显示全部楼层
理性围观,感觉大家说得都有道理
工控课堂 www.gkket.com
您需要登录后才可以回帖 登录 | 立即注册

本版积分规则

关闭

站长推荐上一条 /1 下一条

QQ|手机版|免责声明|本站介绍|工控课堂 ( 沪ICP备20008691号-1 )

GMT+8, 2025-12-22 17:44 , Processed in 0.089387 second(s), 27 queries .

Powered by Discuz! X3.5

© 2001-2025 Discuz! Team.

快速回复 返回顶部 返回列表