找回密码
 立即注册

QQ登录

只需一步,快速开始

查看: 4782|回复: 12

断路器及断路器控制回路详解

 火.. [复制链接]
  • 打卡等级:常驻代表
  • 打卡总天数:34
  • 打卡月天数:6
  • 打卡总奖励:9027
  • 最近打卡:2025-12-17 23:15:51

2823

主题

541

回帖

2万

积分

管理员

积分
22569
发表于 2020-10-16 20:26:55 | 显示全部楼层 |阅读模式
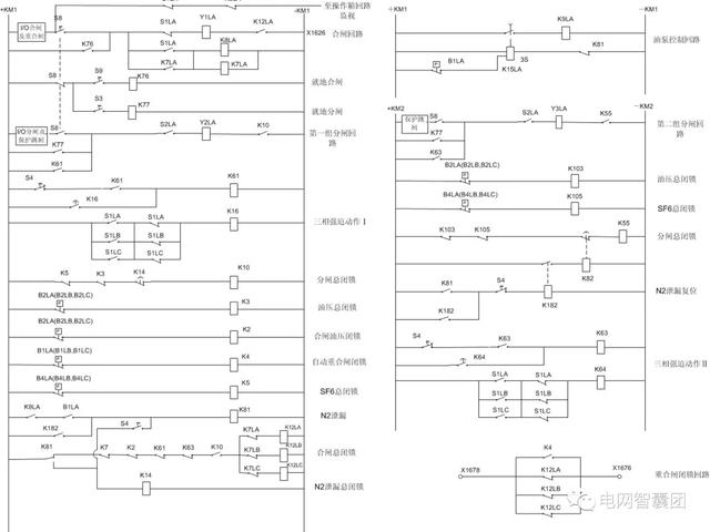
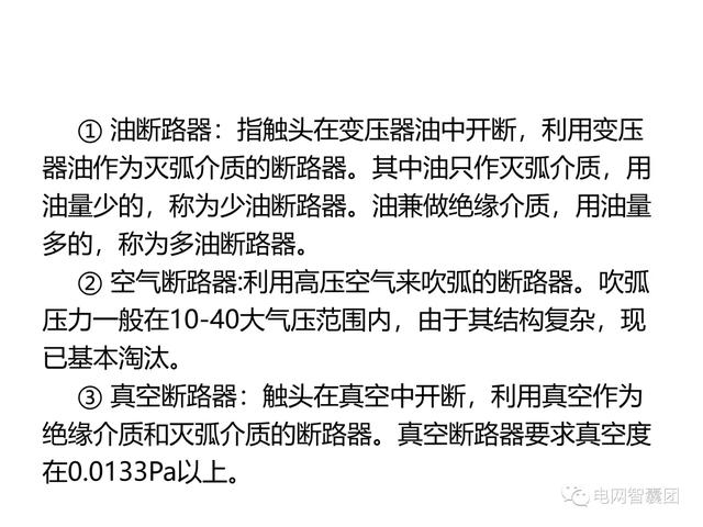
断路器内部原理,断路器控制回路,断路器使用方法,断路器接线,断路器原理














































































































































工控课堂 www.gkket.com

0

主题

126

回帖

348

积分

注册会员

积分
348
发表于 2020-10-16 20:32:08 | 显示全部楼层
真是难得给力的帖子啊。
工控课堂 www.gkket.com

0

主题

106

回帖

534

积分

中级会员

积分
534
发表于 2020-10-17 02:40:20 | 显示全部楼层
无回帖,不论坛,这才是人道。
工控课堂 www.gkket.com

0

主题

106

回帖

292

积分

注册会员

积分
292
发表于 2025-11-19 00:46:04 | 显示全部楼层
蹲一波同款,有没有小伙伴推荐?
工控课堂 www.gkket.com

0

主题

115

回帖

177

积分

新手上路

积分
177
发表于 2025-11-19 00:52:51 | 显示全部楼层
学到干货了,感谢分享,已火速收藏
工控课堂 www.gkket.com

0

主题

106

回帖

160

积分

新手上路

积分
160
发表于 2025-11-19 00:54:19 | 显示全部楼层
求个链接 / 教程,楼主好人一生平安~
工控课堂 www.gkket.com

0

主题

133

回帖

2252

积分

高级会员

积分
2252
发表于 2025-11-19 00:56:28 | 显示全部楼层
评论区人才辈出,笑到停不下来😂
工控课堂 www.gkket.com

0

主题

95

回帖

137

积分

新手上路

积分
137
发表于 2025-11-19 00:57:31 | 显示全部楼层
谁懂啊!这内容我能循环看十遍
工控课堂 www.gkket.com

0

主题

108

回帖

377

积分

注册会员

积分
377
发表于 2025-11-19 01:00:09 | 显示全部楼层
水个经验,支持楼主,加油呀
工控课堂 www.gkket.com

0

主题

69

回帖

108

积分

新手上路

积分
108
发表于 2025-11-19 01:02:45 | 显示全部楼层
内容太顶了!疯狂点赞,已默默收藏~
工控课堂 www.gkket.com
您需要登录后才可以回帖 登录 | 立即注册

本版积分规则

关闭

站长推荐上一条 /1 下一条

QQ|手机版|免责声明|本站介绍|工控课堂 ( 沪ICP备20008691号-1 )

GMT+8, 2025-12-22 13:26 , Processed in 0.229637 second(s), 26 queries .

Powered by Discuz! X3.5

© 2001-2025 Discuz! Team.

快速回复 返回顶部 返回列表