找回密码
 立即注册

QQ登录

只需一步,快速开始

查看: 3763|回复: 12

为什么有的变频器负载需要加制动电阻?

 火.. [复制链接]
  • 打卡等级:即来则安
  • 打卡总天数:27
  • 打卡月天数:6
  • 打卡总奖励:7736
  • 最近打卡:2025-12-20 00:35:11

3317

主题

285

回帖

2万

积分

管理员

积分
23881
发表于 2021-1-31 20:03:52 | 显示全部楼层 |阅读模式
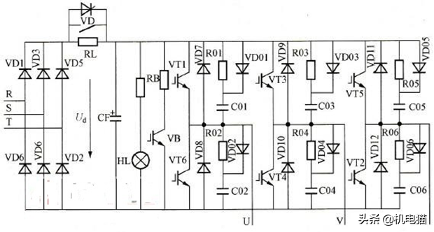
变频器加制动电阻,主要目的是消耗电机反向输出到母线电容上的能量,让电机快点停下来,电机运行过程中如果带的负载比较重,惯性非常大,能量也非常多,想让电机快速消耗掉能量快速停车,往往需要通过母线上串联一个电阻来释放掉这些能量,相当于一个电子刹车的作用,请关注:容济点火器


变频器的作用决定了有些场合需要加制动电阻
变频器被发明出来,是给交流异步电机调速使用的,可以用来控制电机的转速(矢量型和DTC的还可以控制转矩),而电机带动的负载,也会有很多种类型,负载重的时候直接可能会引起电机转速和电流波动,这时候需要及时“排泄”掉一部分负载能量,起到转速稳定的目的。


比如变频器带动一款离心机对衣服布料脱水,因为高速旋转,负载的运动势能非常大,在停车时候,假如没有制动电阻来消耗这个势能,需要非常长的时间,而加了制动电阻了以后,大部分能量会通过制动电阻来消耗掉,让离心机很快停下来,这样可以让设备的利用效率大幅度提升。停车时候,电机的实际转速会比旋转同步磁场快,转子绕组会反过来切割磁力线发电,通过开关管控制,可以实现往母线方向送电。


又比如一些吊机,收放卷控制,电梯等设备,工作时候,会出现转矩和转速方向相反,电机工作在所谓的2-4象限内,电机处于在发电机状态,这种情况往往需要精确转矩控制,比如吊车悬空在半空中,零转速而150%扭矩输出,需要源源不断的把能量消耗掉才可以稳定得住,制动电阻就可以起到这个放电作用了。


变频器母线电压需要稳定

在印象中,似乎往往是变频器减速时候制动电阻RB才起到作用,实际上并不一定的,有些加速要求比较快的场合,也会引起直流母线波动厉害而需要加制动电阻。只要直流母线过高到一定值,比如710伏,将会触发母线上的VB开关管导通,这样母线电容CF上会通过RB产生回路电流,直接在RB上发热而消耗掉能量,从而让母线电压维持在一定的范围内。


如果没有制动电阻消耗,母线的电压会持续升高,在电机处于发电机状态时候,因为母线电压比较高,直接通过VD01-VD06这6个二极管,是无法直接给母线充电的,一般会通过控制其中某个IGBT的突然关断,因为电机线圈是大电感,瞬间短路将会产生高压L*(di/dt),从而能反过来向母线电容充电,因此这种电子刹车状态是可以控制的。
有公式可以计算制动电阻和制动单元的大小,因为母线电容耐压一般是900伏以内,所以需要保护电容,一般选择制动电阻在母线电压超过710伏的时候流过电流,
制动电阻的功率大小,一般选择在电机额定功率的1-5成;而制动电阻大小,往往使用一个简单的公式,
R=(母线电压/2*电机额定电流)~(母线电压/电机额定电流)
所以制动电阻实际上并不会太精密,实际上只要根据厂家提供的制动单元和制动电阻大小来选择,一般都可以满足要求,如果制动还不够快,可以另外多并上一组的。

本帖子中包含更多资源

您需要 登录 才可以下载或查看,没有账号?立即注册

×
工控课堂 www.gkket.com

0

主题

189

回帖

452

积分

注册会员

积分
452
发表于 2021-1-31 20:03:53 | 显示全部楼层
感谢楼主无私分享!
工控课堂 www.gkket.com

0

主题

113

回帖

408

积分

注册会员

积分
408
发表于 2021-2-1 19:53:36 | 显示全部楼层
党的好公民,人民的好公仆。。。
工控课堂 www.gkket.com

0

主题

77

回帖

125

积分

新手上路

积分
125
发表于 2025-11-12 19:59:02 | 显示全部楼层
笑不活了,评论区比正文还精彩!
工控课堂 www.gkket.com

0

主题

98

回帖

157

积分

新手上路

积分
157
发表于 2025-11-12 20:19:49 | 显示全部楼层
学到了学到了,这波分享太实用啦!
工控课堂 www.gkket.com

0

主题

108

回帖

164

积分

新手上路

积分
164
发表于 2025-11-12 20:27:26 | 显示全部楼层
评论区人才辈出,笑到停不下来😂
工控课堂 www.gkket.com

0

主题

112

回帖

170

积分

新手上路

积分
170
发表于 2025-11-12 20:54:24 | 显示全部楼层
画面感太强了,仿佛身临其境!
工控课堂 www.gkket.com

0

主题

92

回帖

135

积分

新手上路

积分
135
发表于 2025-11-18 20:18:08 | 显示全部楼层
被戳中笑点 / 泪点,太真实了!
工控课堂 www.gkket.com

0

主题

79

回帖

108

积分

新手上路

积分
108
发表于 2025-11-18 20:20:38 | 显示全部楼层
水个经验,支持楼主,加油呀
工控课堂 www.gkket.com

0

主题

68

回帖

93

积分

新手上路

积分
93
发表于 2025-11-18 20:20:57 | 显示全部楼层
占个楼慢慢看,先马克一下
楼主辛苦啦,期待下一篇分享
工控课堂 www.gkket.com
您需要登录后才可以回帖 登录 | 立即注册

本版积分规则

关闭

站长推荐上一条 /1 下一条

QQ|手机版|免责声明|本站介绍|工控课堂 ( 沪ICP备20008691号-1 )

GMT+8, 2025-12-22 13:26 , Processed in 0.168601 second(s), 28 queries .

Powered by Discuz! X3.5

© 2001-2025 Discuz! Team.

快速回复 返回顶部 返回列表