找回密码
 立即注册

QQ登录

只需一步,快速开始

查看: 3107|回复: 12

变频器的工作原理及分类

 火.. [复制链接]
  • 打卡等级:常驻代表
  • 打卡总天数:34
  • 打卡月天数:6
  • 打卡总奖励:9027
  • 最近打卡:2025-12-17 23:15:51

2823

主题

541

回帖

2万

积分

管理员

积分
22569
发表于 2021-3-8 21:10:54 | 显示全部楼层 |阅读模式
变频器在我国各行业均已得到应用,解决了很多工业上的难题。应用变频器,只要根据所配套设备的特性,在变频器中设置好相关参数,用户便可以很方便地使用键盘就地控制或变频器预留端子远地控制设备的运行,通过显示屏监视变频器的运行状况,查看变频器的故障情况,还可以通过工业总线和通信接口相连实现远程监视和控制,以及通过工业总线组建DCS集散控制系统。
对变频器的分类有不同的标准,如按变频器是否通用来划分,变频器可以分为通用型变频器和专用型变频器;按变频器的工作原理划分,可以分为交—交变频器和交—直—交变频器;在交—直—交变频器中,按主回路工作方式分,可分为电流型和电压型变频器。
按电压等级划分,可以分为低压变频器,中压变频器和高压变频器;另外,从变频器技术的发展来分,可分为VVVF变频器,矢量变频器,直接转矩控制变频器等。
一般情况下,通用变频器通常采用交—直—交的工作方式,而在通用变频器中,相对来讲,低压变频器应用得最为广泛,技术成熟,成本低,易维护是其得到大量应用的主要原因。
变频器的工作原理,总体来说,变频器就是将工频交流电源转换成频率可调的电源设备,根据交流电动机同步转速 N=60f/p(式中,N为电机同步转速,f为电源频率,P为电机极对数)这一公式,只要改变频率,就可以改变交流电动机的转速,变频器就是根据这一原理研制开发出来的电源变换装置。
高压、中压、低压变频器的工作原理相同,只是主回路应用的电力电子元件的耐压等级不同,或者是高电压采用串联低压元件的方式,低压大电流采用并联小电流元件的方式组装。通用变频器和专用变频器的工作原理也相同,只是专用变频器是根据专业设备的特性,研制出来更具有针对性的变频器,如在通用变频器的基础上,增加更符合专业应用的功能,或是增强某一特殊应用功能等。如冶金和起重应用,要求变频器和电机经常处于过载运行,因此要求变频器容量要求足够大,过载能力强,纺织和冶金机械要求变频器的精度高等性能。
交—交变频器的主要缺点是所用电力元器件比交—直—交变频器多,并且只能运行在电网频率(工频)以下,但是其频率只能运行在工频以下,现在各国正在研究开发中的矩阵式交—交型变频器可以克服这一缺点。
电流型变频器和电压型变频器的工作原不大相同,电流型变频器主回路如图1,图中,整流和逆变单元的电力电子元件为可关断晶闸管。电流型变频器的主要特点是输入输出可逆,可以四象限运行,即电动机可以运行在电动、制动、发电状态。

电流型变频器主回路


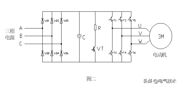
电压型变频器的主回路


电压型变频器的主回路如图2,图中,整流元件为二极管组成,逆变元件采用绝缘栅晶体管组成。该类变频器结构简单,技术成熟,在低压通用型变频器中被广泛采用,其缺点是不能四象限运行。
(本文选编自《电气技术》,原文标题为“浅谈低压通用变频器的应用和选型”,作者为罗庆祝。)

工控课堂 www.gkket.com

0

主题

389

回帖

2509

积分

高级会员

积分
2509
发表于 2021-3-8 21:10:54 | 显示全部楼层
我顶,我顶,我顶顶顶
工控课堂 www.gkket.com

0

主题

178

回帖

383

积分

注册会员

积分
383
发表于 2021-3-9 20:51:07 | 显示全部楼层
无私奉献,好工控人,32个赞送给你!!
工控课堂 www.gkket.com

0

主题

58

回帖

76

积分

新手上路

积分
76
发表于 2025-11-13 16:45:48 | 显示全部楼层
说得对!狠狠赞同,没毛病~
工控课堂 www.gkket.com

0

主题

92

回帖

138

积分

新手上路

积分
138
发表于 2025-11-17 01:46:05 | 显示全部楼层
水个经验,支持楼主,加油呀
工控课堂 www.gkket.com

0

主题

50

回帖

83

积分

新手上路

积分
83
发表于 2025-11-17 03:47:26 | 显示全部楼层
水个经验,楼主加油,支持你~
工控课堂 www.gkket.com

0

主题

118

回帖

397

积分

注册会员

积分
397
发表于 2025-11-17 04:25:31 | 显示全部楼层
画面感太强了,仿佛身临其境!
工控课堂 www.gkket.com

0

主题

113

回帖

255

积分

注册会员

积分
255
发表于 2025-11-17 04:33:31 | 显示全部楼层
路过打卡,为优质内容疯狂打 call
工控课堂 www.gkket.com

0

主题

81

回帖

123

积分

新手上路

积分
123
发表于 2025-11-17 04:49:58 | 显示全部楼层
原来还有这种操作,长见识了!
工控课堂 www.gkket.com

0

主题

74

回帖

129

积分

新手上路

积分
129
发表于 2025-11-17 05:48:00 | 显示全部楼层
救命!这波发言太秀了,直接原地封神~
疯狂认同!楼主说出了我不敢说的话
工控课堂 www.gkket.com
您需要登录后才可以回帖 登录 | 立即注册

本版积分规则

关闭

站长推荐上一条 /1 下一条

QQ|手机版|免责声明|本站介绍|工控课堂 ( 沪ICP备20008691号-1 )

GMT+8, 2025-12-22 13:19 , Processed in 0.138780 second(s), 26 queries .

Powered by Discuz! X3.5

© 2001-2025 Discuz! Team.

快速回复 返回顶部 返回列表