找回密码
 立即注册

QQ登录

只需一步,快速开始

查看: 5683|回复: 13

三菱PLC的编程方式之经验设计法及顺序控制设计法

 火.. [复制链接]
  • 打卡等级:即来则安
  • 打卡总天数:28
  • 打卡月天数:7
  • 打卡总奖励:7961
  • 最近打卡:2025-12-22 17:16:30

3317

主题

285

回帖

2万

积分

管理员

积分
24106
发表于 2021-3-10 21:07:01 | 显示全部楼层 |阅读模式
通过实例看看三菱PLC编程方式之经验设计
经验设计法用设计继电器电路的方法来设计比较简单的开关控制系统,即在一些典型电路的基础上,根据被控对象对控制系统的具体要求,不断的修改和完善梯形图。只能用于简单的控制电路的设计。
举例来看下:


功能要求:送料小车在左限位处装料,10s后装料结束,开始右行,在碰到右极限或停下来卸料,15s后开始左行。碰到左限位后停下来装料,循环工作,知道按下停止按钮。
这是一个最简单的顺序控制电路。根据功能要求逐项进行编写,编写程序如下:


根据继电器电路图进行程序设计:根据继电器控制回路来转化成梯形图的设计方法。一般用于改造以前的继电器回路。其实也很少用了,但这是最基础的。
三相异步电动机正反转控制电路




程序:


时序控制设计法:
时序控制电路一般只有一个启动命令信号,在启动命令的上升沿之后,各输出量的ON/OFF状态根据预定的时间自动地发生变化,最后回到初始状态:
看看如下的程序:


无论是经验设计法还是继电器电路转换法,都存在没有普遍的规律可以遵循,具有很大的试探性和随意性,最后的编程结果不是唯一的,对于简单的控制电路可以用,但是对于复杂的控制电路显然是不适合的,因此,顺序控制设计法和顺序功能图的使用是比较通用的一种方法。
顺序控制设计法和顺序功能图
一、顺序功能图
顺序功能图就是描述控制系统的控制过程、功能和特性的一种图形。也是PLC的顺序控制程序的有力工具,顺序功能图画对了基本上程序也就出来了。
在画好顺序功能图后怎么编程呢?
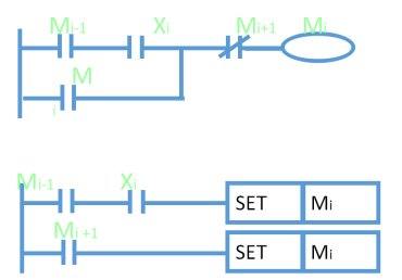
先来看看用置位和复位指令来实现的梯形图实现方法:




举个例子:信号灯控制系统举例




STL指令:步进指令简称STL指令。RET复位指令




STL指令的特点:
1. 与STL触点相连的触点应使用LD/LDI指令。
2. STL触点可以直接驱动或通过别的触点驱动 Y、M、S、T等元件的线圈,STL触点也可以使Y、M、S等元件置位或复位。
3. CPU只执行活动步对应的程序。
4. 使用STL指令时允许双线圈输出。
5. STL指令只能用于状态寄存器,在没有并行序列时,一个状态寄存器的STL触点在梯形图中只能出现一次。
6. 在STL触点驱动的电路块中不能使用MC和MCR指令,可以使用CJP/EJP指令,当执行CJP指令跳入某一个STL 触点的电路块时,不管该STL触点是否接通,均执行对应的 EJP指令之后的电路.
7. 可以对状态寄存器使用LD 、 LDI 、AND、 ANI、 OR 、ORI、 S 、R 、 OUT等指令。
8. 对状态寄存器置位的指令,如果不在STL触点驱动的电路块内置位时,系统程序不会自动将前级步对应的状态寄存器复位。




是不是对怎么写顺序控制程序有所了解。后面我还介绍下复杂工序的编程。

本帖子中包含更多资源

您需要 登录 才可以下载或查看,没有账号?立即注册

×
工控课堂 www.gkket.com

0

主题

52

回帖

260

积分

注册会员

积分
260
发表于 2021-3-10 21:14:02 | 显示全部楼层
看到这帖子真是高兴!
工控课堂 www.gkket.com

0

主题

92

回帖

218

积分

注册会员

积分
218
发表于 2021-3-10 21:18:12 | 显示全部楼层
楼主您的技术水准,我最服你,其他都是浮云
工控课堂 www.gkket.com

0

主题

231

回帖

505

积分

高级会员

积分
505
发表于 2024-7-22 09:19:25 | 显示全部楼层
强烈支持楼主ing……
工控课堂 www.gkket.com

0

主题

83

回帖

125

积分

新手上路

积分
125
发表于 2025-11-13 06:46:05 | 显示全部楼层
来凑个热闹,增加点人气~
工控课堂 www.gkket.com

0

主题

113

回帖

333

积分

注册会员

积分
333
发表于 2025-11-21 08:12:31 | 显示全部楼层
内容太顶了!疯狂点赞,已默默收藏~
工控课堂 www.gkket.com

0

主题

100

回帖

147

积分

新手上路

积分
147
发表于 2025-11-21 08:19:52 | 显示全部楼层
赞同 + 10086,完全说出了我的想法!
工控课堂 www.gkket.com

0

主题

123

回帖

186

积分

新手上路

积分
186
发表于 2025-11-21 08:20:53 | 显示全部楼层
浅评一下:内容优质,值得推荐~
工控课堂 www.gkket.com

0

主题

95

回帖

143

积分

新手上路

积分
143
发表于 2025-11-21 08:22:17 | 显示全部楼层
说得对!狠狠赞同,没毛病~
工控课堂 www.gkket.com

0

主题

111

回帖

169

积分

新手上路

积分
169
发表于 2025-11-21 08:24:05 | 显示全部楼层
赞同 + 10086,没毛病,完全没毛病
工控课堂 www.gkket.com
您需要登录后才可以回帖 登录 | 立即注册

本版积分规则

关闭

站长推荐上一条 /1 下一条

QQ|手机版|免责声明|本站介绍|工控课堂 ( 沪ICP备20008691号-1 )

GMT+8, 2025-12-22 17:22 , Processed in 0.158735 second(s), 27 queries .

Powered by Discuz! X3.5

© 2001-2025 Discuz! Team.

快速回复 返回顶部 返回列表