找回密码
 立即注册

QQ登录

只需一步,快速开始

查看: 3918|回复: 12

PLC实现多路彩灯控制电路

 火.. [复制链接]
  • 打卡等级:即来则安
  • 打卡总天数:29
  • 打卡月天数:1
  • 打卡总奖励:7791
  • 最近打卡:2025-12-13 17:25:16

2540

主题

1353

回帖

2万

积分

管理员

积分
21301
发表于 2021-3-21 12:39:16 | 显示全部楼层 |阅读模式
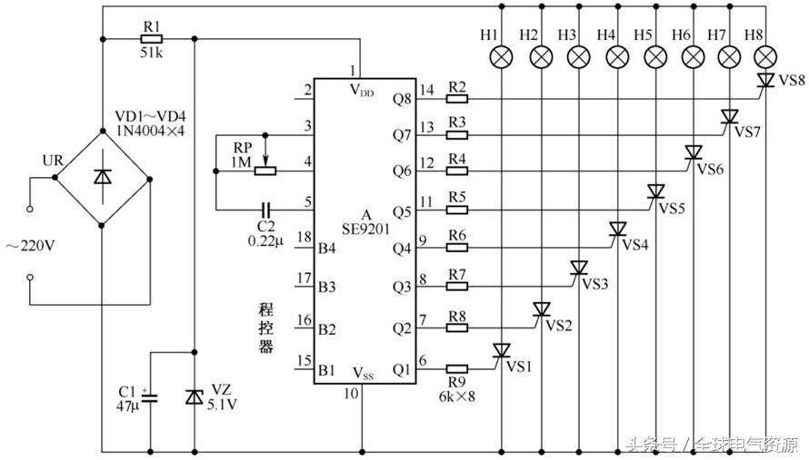
多路彩灯控制电路的核心器件是大规模集成电路 SE9201,该集成电路具有花样新颖、功能多、电压低、功耗小等优点,通过晶闸管控制可用于节日彩灯、广告招牌、门面灯光装饰控制等。
电路图
多路彩灯控制电路如图1-22所示。
工作原理
集成电路SE9201有4个花样选择端B1~B4,通过程控器进行不同的电平连接,可组成众多变化的闪光花样。有8个输出端Q1~Q4和Q5~Q8,可驱动八路彩灯,由于Q1~Q4与Q5~Q8具有对称性,故也可简化成四路控制彩灯。集成电路SE9201使用的电源电压为3~8V,典型值为5V。该电路外围元件少,只需外接一只电阻器和一只电容器,它们的值决定振荡器的时钟频率。通常电容器的容量取0.1~0.22μF,电阻采用1MΩ可变电阻器,通过改变其阻值就可以改变闪光的快慢。

图1-22 多路彩灯控制电路


集成电路SE9201具有8种基本花样:①四点追逐;②弹性张缩;③跳马右旋;④跳马左旋;⑤依次亮同时灭;⑥同时亮依次灭;⑦左右扩张;⑧全亮间隔闪光。通过花样选择端B1~B4不同电平的编程组合,可实现8种基本花样单循环、双循环以及自动变换的全循环和双全循环等4种循环功能的选择和控制。表1-1提供了27种花样控制方式供用户选择。自动转换全循环时,每种花样闪光的次数,除全亮间隔闪光四次外,其他花样都是八次。而双循环和双全循环的每种花样的闪光次数都为自动转换次数的一半。

表1-1 SE9201集成电路控制彩灯花样组合


来源:《电工常用经典线路应用范例》

本帖子中包含更多资源

您需要 登录 才可以下载或查看,没有账号?立即注册

×
工控课堂 www.gkket.com

0

主题

102

回帖

353

积分

注册会员

积分
353
发表于 2021-3-22 20:34:14 | 显示全部楼层
感恩无私的分享与奉献
工控课堂 www.gkket.com

0

主题

110

回帖

328

积分

注册会员

积分
328
发表于 2021-3-23 05:31:26 | 显示全部楼层
楼主您的技术水准,我最服你,其他都是浮云
工控课堂 www.gkket.com

0

主题

161

回帖

338

积分

注册会员

积分
338
发表于 2025-11-13 08:18:55 | 显示全部楼层
评论区人才辈出,笑到停不下来😂
工控课堂 www.gkket.com

0

主题

93

回帖

152

积分

新手上路

积分
152
发表于 2025-11-13 09:20:16 | 显示全部楼层
笑不活了,评论区比正文还精彩
已转发给朋友,一起快乐一下
工控课堂 www.gkket.com

0

主题

81

回帖

131

积分

新手上路

积分
131
发表于 2025-11-13 09:38:29 | 显示全部楼层
哈哈哈哈笑不活,楼主这脑洞绝了!
工控课堂 www.gkket.com

0

主题

116

回帖

333

积分

注册会员

积分
333
发表于 2025-11-13 09:50:12 | 显示全部楼层
来凑个热闹,增加点人气~
工控课堂 www.gkket.com

0

主题

146

回帖

460

积分

注册会员

积分
460
发表于 2025-11-13 14:03:43 | 显示全部楼层
说得对!狠狠赞同,没毛病~
工控课堂 www.gkket.com

0

主题

50

回帖

65

积分

新手上路

积分
65
发表于 2025-11-14 12:16:52 | 显示全部楼层
浅评一下:内容优质,值得推荐~
工控课堂 www.gkket.com

0

主题

106

回帖

173

积分

新手上路

积分
173
发表于 2025-11-14 15:59:19 | 显示全部楼层
蹲个后续,楼主记得更新呀,在线等挺急的~
工控课堂 www.gkket.com
您需要登录后才可以回帖 登录 | 立即注册

本版积分规则

关闭

站长推荐上一条 /1 下一条

QQ|手机版|免责声明|本站介绍|工控课堂 ( 沪ICP备20008691号-1 )

GMT+8, 2025-12-22 15:39 , Processed in 0.083719 second(s), 27 queries .

Powered by Discuz! X3.5

© 2001-2025 Discuz! Team.

快速回复 返回顶部 返回列表