找回密码
 立即注册

QQ登录

只需一步,快速开始

查看: 3119|回复: 12

变频器缺相故障维修检测分析

 火.. [复制链接]
  • 打卡等级:常驻代表
  • 打卡总天数:34
  • 打卡月天数:6
  • 打卡总奖励:9027
  • 最近打卡:2025-12-17 23:15:51

2823

主题

541

回帖

2万

积分

管理员

积分
22569
发表于 2021-6-2 21:34:31 | 显示全部楼层 |阅读模式
变频器缺相故障维修是常见的故障之一,要知道变频器产品中主要有单相220V与三相380V的区分,当然输入缺相检测只存在于三相的产品中。图1所示为变频器主电路,R、S、T为三相交流输入,当其中的一相因为熔断器或断路器的故障而断开时,便认为是发生了输入缺相故障。


图1 变频器主回路
变频器缺相故障除了输入缺相外,还有一种是输出缺相,这将直接导致电机缺相运行。缺相时,电机静止时启动,电机就转不起来。若是在运行中缺相十分危险,电机电流增大1.2倍,发热严重,震动加剧,急易烧坏电机。变频器通过检测输出电流,就可以判断三相输出是否缺相。

变频器输入缺相的检测方法

当变频器不发生缺相的正常情况下工作时,Udc上的电压如图2所示,一个工频周期内将有6个波头,此时直流电压Udc将不会低于470V,实际上对于一个7.5kW的变频器而言,其C的值大小一般为900uf,当满载运行时,可以计算出周期性的电压降落大致为40V,纹波系数不会超过7.5%。而当输入缺相发生时,一个工频周期中只有2个电压波头,且整流电压最低值为零。此时在上述条件下,可以估算出电压降落大致为150V,纹波系数要达到30%左右。


图2 Udc上的电压波形
由此可以看出,在变频器输入缺相后仍在运行时,电容C将被反复大范围的充电,这种情况是不允许的,它必然将使电容器损坏,从而造成整台变频器的损坏。并且,若负载较轻,虽然不会造成电容的损坏,但是直流电压的纹波系数相比于正常时将会增大很多,而且目前变频器一般具有恒电压控制功能,这将造成开关占空比的振荡和负载电流的振荡。而负载较重时,则进一步损坏整流桥,促使变频器故障几率增大,如在送电时就发生缺相,由于单相大电流运行极易造成变频器烧毁。
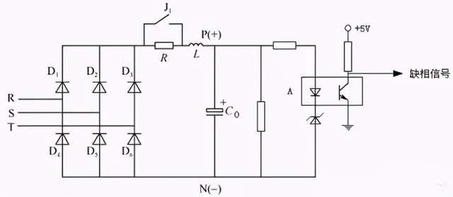
检测变频器输入缺相,最简单的一种方法就是使用硬件检测,如图3所示是其中的一种方法。该电路中C0上的电压高低将反映R、S、T三相输入有无缺相,当发生缺相时,C0上的电压降低,光藕器件将不导通,A点的信号为高电平,对应缺相的发生。


图3 变频器输入缺相的硬件检测方法
当然,还可以从软件上进行输入缺相的检测,这是因为Udc在正常情况下,除直流成分外,其主要交流成分的周期为3.33ms,而在缺相的情况下,其主要交流成分的周期将变为10ms,因此通过检测Udc的交流成分的周期,就可以判断其是否缺相。

变频器缺相故障的对策

对于变频器发生缺相故障时,可以从以下几方面进行检查:首先,通过电压表或钳型表来判断变频器输入输出是否正常。主回路电气测量的说明如表1所示。


表1 主回路电气测量
(1)检查变频器的输入和输出线路是否正常。
变频器的很多故障是来自于外围线路,如断路器、接触器、电抗器、滤波器等,只有确保外围线路是正确无误的情况下,才能使变频器工作在安全可靠的电气环境中。
(2)检查变频器内部的主回路,包括整流桥、IGBT和驱动板

工控课堂 www.gkket.com

0

主题

137

回帖

350

积分

注册会员

积分
350
发表于 2021-6-5 01:23:01 | 显示全部楼层
真是难得给力的帖子啊。
工控课堂 www.gkket.com

0

主题

113

回帖

408

积分

注册会员

积分
408
发表于 2021-6-5 09:02:56 | 显示全部楼层
加油,加油,不要沉下去,我是最热贴
工控课堂 www.gkket.com

0

主题

58

回帖

86

积分

新手上路

积分
86
发表于 2025-11-17 12:40:23 | 显示全部楼层
蹲一波同款,有没有姐妹 / 兄弟推荐?
工控课堂 www.gkket.com

0

主题

91

回帖

133

积分

新手上路

积分
133
发表于 2025-11-17 12:58:18 | 显示全部楼层
学到干货了,感谢分享,已火速收藏
工控课堂 www.gkket.com

0

主题

89

回帖

136

积分

新手上路

积分
136
发表于 2025-11-17 13:16:23 | 显示全部楼层
哈哈哈哈笑不活,楼主这脑洞绝了!
工控课堂 www.gkket.com

0

主题

133

回帖

209

积分

注册会员

积分
209
发表于 2025-11-17 13:18:37 | 显示全部楼层
浅评一下:内容优质,值得推荐~
工控课堂 www.gkket.com
  • 打卡等级:即来则安
  • 打卡总天数:29
  • 打卡月天数:1
  • 打卡总奖励:7791
  • 最近打卡:2025-12-13 17:25:16

2540

主题

1353

回帖

2万

积分

管理员

积分
21301
发表于 2025-11-17 13:20:37 | 显示全部楼层
赞同 + 10086,完全说出了我的想法!
工控课堂 www.gkket.com

0

主题

67

回帖

91

积分

新手上路

积分
91
发表于 2025-11-17 13:21:32 | 显示全部楼层
救命!这波发言太秀了,直接原地封神~
疯狂认同!楼主说出了我不敢说的话
工控课堂 www.gkket.com

0

主题

84

回帖

127

积分

新手上路

积分
127
发表于 2025-11-17 13:21:39 | 显示全部楼层
不请自来,只为说一句:太精彩了!
工控课堂 www.gkket.com
您需要登录后才可以回帖 登录 | 立即注册

本版积分规则

关闭

站长推荐上一条 /1 下一条

QQ|手机版|免责声明|本站介绍|工控课堂 ( 沪ICP备20008691号-1 )

GMT+8, 2025-12-22 14:48 , Processed in 0.089010 second(s), 25 queries .

Powered by Discuz! X3.5

© 2001-2025 Discuz! Team.

快速回复 返回顶部 返回列表