找回密码
 立即注册

QQ登录

只需一步,快速开始

查看: 4351|回复: 12

三相五线供电,总闸带漏保,老是跳闸,怎么查找漏电点?

 火.. [复制链接]
  • 打卡等级:常驻代表
  • 打卡总天数:34
  • 打卡月天数:6
  • 打卡总奖励:9027
  • 最近打卡:2025-12-17 23:15:51

2823

主题

541

回帖

2万

积分

管理员

积分
22569
发表于 2021-9-12 12:17:44 | 显示全部楼层 |阅读模式
三相漏保的动作机理,通俗地讲就是通过漏保互感器过来多少电流就必须有多少电流通过互感器回去,如果过来后有少量电流不通过互感器回去,也就是有少量电流进入大地(漏电),则互感器中就会感应出电流,经放大后驱动执行机构断电。如果你老跳闸,要么是漏保容量选小了,要么是漏保质量有问题,要么真的有漏电了,也就是相线有电流通过PE这条地线溜掉了,造成流入互感器的电流和流出互感器的电流不一致造成的跳闸。


如果漏电开关确定没有选小,也没有质量问题,要找漏电点还真是一件麻烦的事情了。这里简单提供一些思路方向。
1、如果你是工业用电,有装变频器这些,估计是这些引起的,变频器这些负载不宜使用漏电保护开关,如果使用了,就会造成频繁跳闸。
2、可能有三相不平衡,可以用钳表通过每条相线单独测量去找大方向,确定了一个方向后,再往负载下一个分路去跟踪。
3、可以用笨方法去逐个断开负载回路来查找问题,这招可能还是比较管用的,如果断开某条支路后,漏保没有跳闸,说明就是这条支路问题,然后再逐个断开这条支路的下一层支路,一直找到负载层面上去。
4、如果是电机类负载或者线路,可以用摇表测量绝缘,一般要有5兆欧以上才是正常的。


剩余电流动作保护装置的误动分析及故障判断


一、剩余电流动作保护器的动作分类
动作(即剩余电流动作保护器的漏电动作可以分成两大类,即正常动作和不正常误动作)。正常动作:因漏电、触电及接地故障等原因引起的漏电保护器的动作为正常动作。不正常动作(即误动作):不正常动作即误动作,基本上是由剩余电流动作保护器本身引起的误动作和由线路引起的误动作。
1、由剩余电流动作保护器本身原因引起的误动作:
(1)因保护器的质量不好(稳定性不好、平衡性差及抗干扰能力低)引起的误动作。
(2)因保护器动作电流值选取不当引起的误动作。
2、由线路原因引起的误动作:
(1)由于接线错误引起的误动作;
(2)由于接地不当引起的误动作;
(3)由于过电压引起的误动作;
(4)由于电磁场干扰引起的误动作;
(5)由于循环电流引起的误动作;
(6)由于工作中性线绝缘电阻过低引起的误动作。
(7)由于三相漏电(或单相负荷)不平衡人为地形成剩余电流过大引起的误动作。
二、剩余电流动作保护器的几种误动作原因及防止方法
1、因接线错误引起的误动作
在三相四线制供电线路中,若单相负载连接错误会导致剩余电流动作保护器产生误动作。单相负载的工作中性线没有穿零序电流互感器,会引起误动作,正确接线应使工作中性线穿过零序电流互感器。
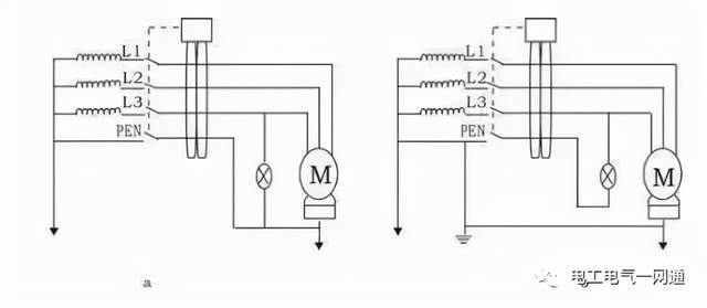
电气设备具有保护接零线路中,安装剩余电流动作保护器时,若误将保护接零导线穿过零序电流互感器,将使电气设备的剩余电流无法被检测出来,造成剩余电流动作保护器拒动,如图6-1 a,正确接线见图6-1 b。




由上述可知,安装剩余电流动作保护器时,一定要注意线路中的中性线的正确接法,即工作中性线一定要穿过零序电流互感器,而保护接零线绝对不能穿过零序电流互感器。
2、由于接地不当而引起的误动作
a、剩余电流动作保护器后面的工作中性线不能进行重复接地。
在6-2a接法中,由于零序电流互感器后面对工作中性线实施了重复接地,这样使一部分工作电流通过重复接地极流入大地而造成剩余电流动作保护器的误动作,而当电气设备发生漏电故障时,漏电电流则又可能通过工作中性线回流,使零序电流互感器检测不出漏电故障信号,使保护器不动作,正确接线如图6-2b,将重复接地点移至零序电流互感器的前面。


气体放电的变频放电
b、装设剩余电流动作保护器和不装设保护器的设备不能公用接地极,若装设剩余电流动作保护器和不装设剩余电流动作保护器的电气设备共用一个公共接地极,如图6-3。因为不装保护器的电气设备发生漏电故障时,危险的接触电压(Ud)将通过公共接地极传到已装设保护器的电气设备上,而发生触电故障,剩余电流动作保护器并不能动作,不起保护作用,造成触电危险。


过电压造成剩余电流保护器的误动作
例:有一幢大楼每户的各种用电设备都接到自来水管或其他金属管件网上,当某户用电设备发生碰壳漏电故障时,则可将危险接触电压传到其他用户的所有用电设备上,即使安装剩余电流动作保护器也不能避免传过来危险接触电压,尤其是当金属管网未实施可靠接地或中间使用塑料管接头时,此危险接触电压是相当高的,这是相当危险的,决不能错误地以此作为能使用公共接地极和电气设备的保护接地。
c、负载为自耦变压器,装设保护器时,自耦变压器不能接地。
若剩余电流动作保护器的负载有自耦变压器时,而自耦变压器又进行了接地,如图6-4。这时,将形成自耦变压器底座的接地线对工作电流的分流,也会导致剩余电流动作保护器误动作。这种自耦变压器不能接地,并应放置在绝缘底座上。
d、零序电流互感器一次导体带有金属管(或带有金属管电缆)时,金属管的接地线应装在负载侧,若金属的接地线装的零序电流互感器的电源侧a 点,由于漏电故障电流穿过零序电流互感器,剩余电流动作保护器不会动作,如图6-5。正确接法应把金属管的接地线和移到零序电流互感器的负载侧b点,或把零序电流互感器安装在无金属管的导线处。


零线重复接地的连接


零线重复接地的连接
3、由于过电压引起的误动作
低压电网的过电压主要有:架空线路因雷电感应产生过电压;在接有电感性负载(变压器、电磁接触器等)的电路中,接通和分断电路时产生操作过电压;在分断空载变压器时,会产生高压侧过电压窜入到低压侧形成的过电压等。过电压的峰值可高达6000V。
由于低压电网存在对地漏电电阻和对地电容,当电路中有过电压时,会瞬时增加剩余电流,因为过电压时的电压很高,对地电容的容抗就很小使得充电电流很大,往往会造成保护器的误动作,如图6-6。为防止过电压引起剩余电流动作保护器的误动作,可选用脉冲电压不动作型剩余电流动作保护器,该型保护器在入线端装设了过电压吸收电路,就可避免瞬时过电压引起的误动作。
4、由高频对地电流的影响而引起的误动作
在低压电网中,由于变压器、电动机的磁饱和特性的影响,以及使用大功率的整流器、晶闸管、电弧炉、气体放电灯等都会产生高频电流。当供电线路长、对地电容大时,高频电流对地的漏电就会引起剩余电流动作保护器的误动作,见图6-7。
当负载侧或电源侧产生高次谐波引起漏电电流时,应注意提高电网。

本帖子中包含更多资源

您需要 登录 才可以下载或查看,没有账号?立即注册

×
工控课堂 www.gkket.com

0

主题

303

回帖

759

积分

中级会员

积分
759
发表于 2021-9-17 01:49:40 | 显示全部楼层
天书奇谭,建议列为中文专业博士学位答辩翻译必考题目。
工控课堂 www.gkket.com

0

主题

104

回帖

236

积分

注册会员

积分
236
发表于 2021-9-17 03:07:14 | 显示全部楼层
我十目一行也还是看不懂啊。
工控课堂 www.gkket.com

0

主题

66

回帖

119

积分

新手上路

积分
119
发表于 2025-11-12 23:17:16 | 显示全部楼层
来凑个热闹,增加点人气~
工控课堂 www.gkket.com

0

主题

91

回帖

307

积分

注册会员

积分
307
发表于 2025-11-15 07:07:53 | 显示全部楼层
理性围观,感觉大家说得都有道理
工控课堂 www.gkket.com

0

主题

97

回帖

141

积分

新手上路

积分
141
发表于 2025-11-15 07:19:21 | 显示全部楼层
赞同 + 10086,没毛病,完全没毛病
工控课堂 www.gkket.com

0

主题

75

回帖

107

积分

新手上路

积分
107
发表于 2025-11-15 07:19:56 | 显示全部楼层
学到了学到了,这波分享太实用啦!
工控课堂 www.gkket.com

0

主题

97

回帖

148

积分

新手上路

积分
148
发表于 2025-11-15 07:23:02 | 显示全部楼层
被戳中笑点 / 泪点,太真实了!
工控课堂 www.gkket.com

0

主题

68

回帖

88

积分

新手上路

积分
88
发表于 2025-11-15 07:23:52 | 显示全部楼层
救命!这波发言太秀了,直接原地封神~
疯狂认同!楼主说出了我不敢说的话
工控课堂 www.gkket.com

0

主题

138

回帖

495

积分

注册会员

积分
495
发表于 2025-11-15 07:24:08 | 显示全部楼层
这波分析到位,逻辑满分!
工控课堂 www.gkket.com
您需要登录后才可以回帖 登录 | 立即注册

本版积分规则

关闭

站长推荐上一条 /1 下一条

QQ|手机版|免责声明|本站介绍|工控课堂 ( 沪ICP备20008691号-1 )

GMT+8, 2025-12-22 14:22 , Processed in 0.122887 second(s), 27 queries .

Powered by Discuz! X3.5

© 2001-2025 Discuz! Team.

快速回复 返回顶部 返回列表