全新的 S7-200 SMART 带来两种不同类型的 CPU 模块,标准型和经济型,全方位满足不同行业、不同客户、不同设备的各种需求。标准型作为可扩展 CPU 模块,可满足对 I/O 规模有较大需求,逻辑
控制较为复杂的应用 ;而经济型 CPU 模块直接通过单机本体满足相对简单的控制需求。
作为欧系代表品牌西门子,在
编程方面一贯以严谨,开发,好用舒适性高为特点。而我们在实际的
设计中,最长遇到的一直情况就是,类似的程序片段反复使用,比如10台
电机的
星三角降压
启动。当然,我们可以通过一个一个网络,一台一台电机慢慢写出来。这样肯定没问题。但是,这种事情,做多了就发现,脑力劳动变成了体力劳动。同样的结构,改变里面的软元件,一台电机改一次。效率低,程序质量差,出错难检查。
西门子在这方面有一个很好的解决方案。那就是通过局部变量,设计出程序框架,做成库。后面就可以反复调用。一个电机调用一次,只需要填写按钮的输入点,接触器的输出点就可以,这样编程效率大大提高;出错概率大大降低,程序一致性很好。
接下来我们分享如何创建一个星三角降压启动的子程序,同时分享如何把建立的子程序做成库并反复多次调用
第一步当然打开STEP 7-MicroWIN SMART
软件添加CPU这里不再阐述了。
第二步是打开一个程序,建立对应的局部变量表,如下图所示

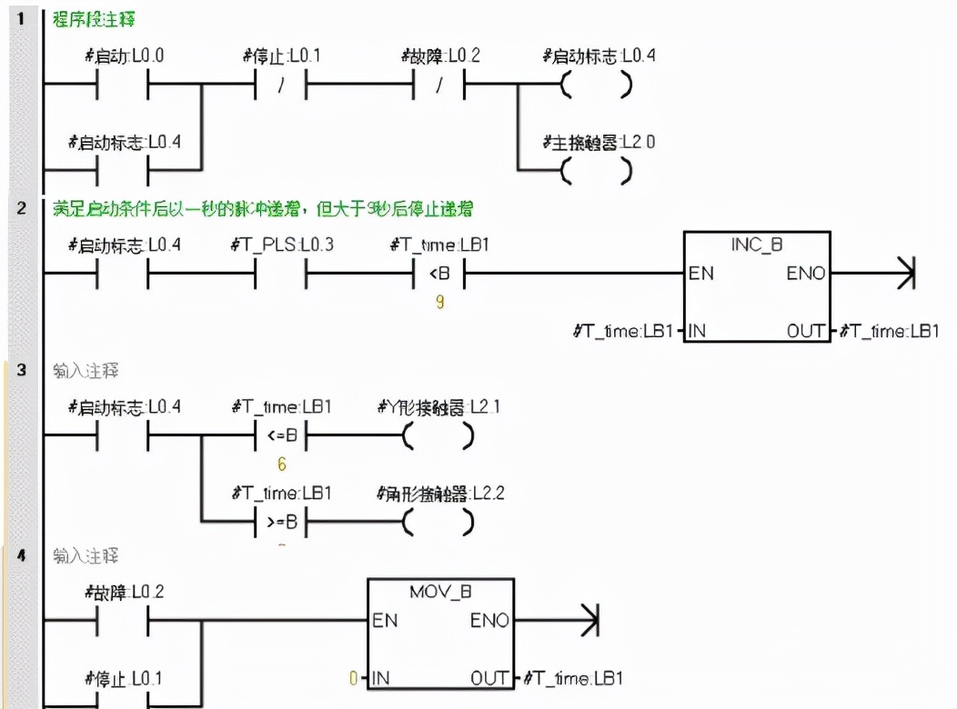
第三步则是关键的一步,程序的设计编写

第四步,那就是MIAN主程序中调用我们编写好的子程序

至此,一段简单的子程序就建立并调用完成了;
最后我们分享下如何把建立好的子程序做成库(此方法同样适用于添加其他的库文件,如模拟量转换库、频率计算库等)
第一步:在软件指令树中找到“库”右键点击选择“创建库”

第二步:则会出现下图所示的对话框,可输入新建库的名称以及库的保存路径,一般默认存在STEP 7-MicroWIN SMART的Lib文件夹中即可。选择对用的存放路径后点击保存,然后点击下一页

第三步:选择需要创建库对应的程序块后点击添加,接着点击下一页;如下图所示

第四步:此时,我们可以根据需要选择是否对其库文件进行密码
保护;如需要则勾选“是........”输入相关的数字串后点击下一页;如下图所示

第五步:在这里我们可以选择自己想要生成的版本;紧接着同样选择下一页,此时“生成”对话框会提醒我们库所在的路径;如下图所示

第六步:参照第一步选择“打开库文件夹”则会显示我们刚刚创建的库文件:如下图所示

这时我们参照第一步选择“刷新库”后关闭软件后再次打开软件,找到库。则会出现我们刚刚创建的库了;如下图所示

第七步:我们可根据需要反复不断的调用库文件,选择不同的实参就可以了

这就是通过子程序局部变量做出来的效果
通过以上几步我们可以清晰的看到,一台电机只需要输入最关键的几个量。而中间的转换过程由事先设计好的子程序完成就可以了。并且在同一个主程序中子程序是可以反复调用的。也就是你有几台电机,就调用几次;从而完全免去了反复修改变量的麻烦。