找回密码
 立即注册

QQ登录

只需一步,快速开始

查看: 336|回复: 10

复合按钮实现点动与长动控制电路由于触点竞争导致失效原因分析

  [复制链接]
  • 打卡等级:常驻代表
  • 打卡总天数:34
  • 打卡月天数:6
  • 打卡总奖励:9027
  • 最近打卡:2025-12-17 23:15:51

2823

主题

541

回帖

2万

积分

管理员

积分
22569
发表于 2025-6-19 22:44:22 | 显示全部楼层 |阅读模式
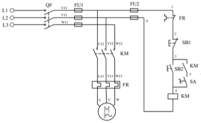
在一些场合电动机既要求可以实现点动控制又要求可以实现长动控制,此时需要电动机点动与长动控制电路。下面介绍由复合按钮实现点动与长动控制电路。


上图工作原理为:合上电源开关QF,按下按钮SB2,接触器KM线圈得电,其主触点闭合,电动机M得电,电动机开始运行;松开按钮SB2,接触器KM线圈失电,其主触点断开,电动机M失电,电动机停止运行。所以,按下SB2实现的是点动控制。SB3是一个复合按钮,按下复合按钮SB3时,其常闭触点先断开,将接触器KM自锁回路断开,然后常开触点再闭合,接触器KM线圈得电,其主触点闭合。松开复合按钮SB3后,常开触点先断开,接触器KM线圈失电,其主触点和辅助常开触点断开,复合按钮常闭触点闭合,因为此时没有与接触器KM线圈构成的回路,所以按下SB3实现的是点动控制。
综上分析可知,上图中电路既可以实现点动控制,也可以实现长动控制。但是有时候按照上述电路图进行安装接线完毕,进行调试发现按下按钮SB3不能实现点动控制,而是实现长动控制,此时电路就不能实现点动控制,只能实现长动控制。产生这种现象的原因是由于触点之间竞争造成的,在释放按钮SB3过程中,从接触器KM线圈失电,其辅助常开触点由闭合状态变成断开状态所用时间为t1,从松开复合按钮,常闭触点由断开状态变成闭合状态所用时间为t2。如果t1>t2,此时会造成松开复合按钮SB3后,常闭触点都已经恢复闭合,但是接触器辅助常开触点此时还处于闭合状态,会导致接触器KM线圈一直得电,无法实现点动控制,只能实现长动控制。
针对上述由复合按钮实现点动与长动控制电路由于触点存在竞争问题,导致点动控制失效的现象,对上述电路进行改造,改造后的电路如下图所示。


由转换开关实现点动与长动控制,当转换开关打开时,接触器KM自锁回路断开,此时按下SB2实现点动控制。当转换开关闭合时,可以将转换开关认为一根导线,此时接触器KM辅助常开触点闭合可以构成自锁回路,按下SB2实现长动控制,按下停止按钮SB1,电动机停止运行。通过安装、接线和调试,表示由转换开关实现的点动与长动控制工作更加可靠。
设计电动机控制线路时要考虑触点竞争问题,要避免线路出现竞争,要对设计好的电动机控制线路进行认真分析,尤其电路中电器元件动作过程,因为竞争产生的主要原因就是触点竞争造成的。

工控课堂 www.gkket.com

0

主题

77

回帖

101

积分

新手上路

积分
101
发表于 2025-11-18 02:09:45 | 显示全部楼层
谁懂啊!这内容我能循环看十遍
工控课堂 www.gkket.com

0

主题

1451

回帖

4571

积分

金牌会员

积分
4571
发表于 2025-11-19 04:18:21 | 显示全部楼层
楼主太会说了,字字句句都在理
工控课堂 www.gkket.com

0

主题

296

回帖

1149

积分

中级会员

积分
1149
发表于 2025-11-19 08:32:50 | 显示全部楼层
水贴也要有仪式感,我先来打卡~
工控课堂 www.gkket.com

0

主题

83

回帖

127

积分

新手上路

积分
127
发表于 2025-11-19 08:42:54 | 显示全部楼层
学到了学到了,这波分享太实用啦!
工控课堂 www.gkket.com

0

主题

104

回帖

235

积分

注册会员

积分
235
发表于 2025-11-19 08:43:53 | 显示全部楼层
路过混个脸熟,顺便为优质内容打 call~
工控课堂 www.gkket.com

0

主题

77

回帖

117

积分

新手上路

积分
117
发表于 2025-11-19 08:45:28 | 显示全部楼层
浅蹲一个后续,楼主更新踢我一下
工控课堂 www.gkket.com

0

主题

107

回帖

151

积分

新手上路

积分
151
发表于 2025-11-19 08:48:49 | 显示全部楼层
谁懂啊!真的被戳中笑点 / 泪点了
工控课堂 www.gkket.com

0

主题

406

回帖

1269

积分

中级会员

积分
1269
QQ
发表于 2025-11-19 08:49:36 | 显示全部楼层
原来还有这种操作,长见识了!
工控课堂 www.gkket.com

0

主题

167

回帖

347

积分

注册会员

积分
347
发表于 2025-11-19 08:59:15 | 显示全部楼层
蹲一波同款,有没有小伙伴推荐?
工控课堂 www.gkket.com
您需要登录后才可以回帖 登录 | 立即注册

本版积分规则

关闭

站长推荐上一条 /1 下一条

QQ|手机版|免责声明|本站介绍|工控课堂 ( 沪ICP备20008691号-1 )

GMT+8, 2025-12-23 04:30 , Processed in 0.149501 second(s), 28 queries .

Powered by Discuz! X3.5

© 2001-2025 Discuz! Team.

快速回复 返回顶部 返回列表