找回密码
 立即注册

QQ登录

只需一步,快速开始

查看: 9642|回复: 20

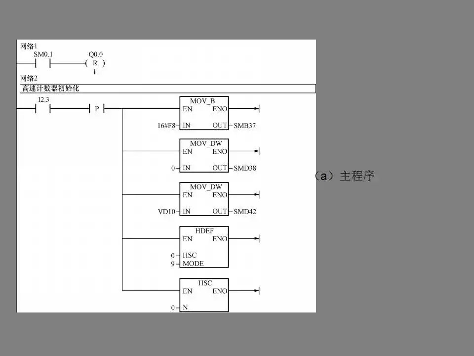
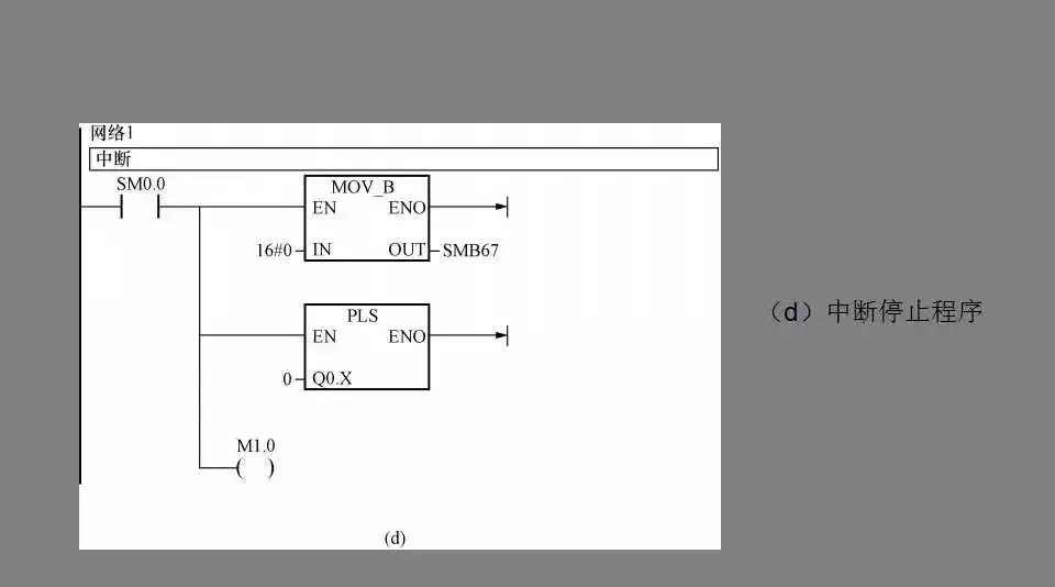
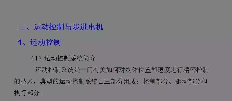
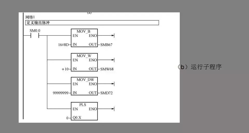
西门子S7200PLC控制步进电机方法讲解

  [复制链接]
  • 打卡等级:即来则安
  • 打卡总天数:29
  • 打卡月天数:1
  • 打卡总奖励:7791
  • 最近打卡:2025-12-13 17:25:16

2540

主题

1353

回帖

2万

积分

管理员

积分
21301
发表于 2019-2-28 21:27:38 | 显示全部楼层 |阅读模式


本帖子中包含更多资源

您需要 登录 才可以下载或查看,没有账号?立即注册

×
工控课堂 www.gkket.com

0

主题

176

回帖

299

积分

注册会员

积分
299
发表于 2019-2-28 21:28:58 | 显示全部楼层
看了楼主的帖子,不由得精神一振,豁然开朗,牛掰
工控课堂 www.gkket.com

0

主题

163

回帖

379

积分

注册会员

积分
379
发表于 2019-2-28 21:42:01 | 显示全部楼层
看到这帖子真是高兴!
工控课堂 www.gkket.com

0

主题

134

回帖

255

积分

注册会员

积分
255
发表于 2019-2-28 22:06:44 | 显示全部楼层
看了楼主的帖子,不由得精神一振,豁然开朗,牛掰
工控课堂 www.gkket.com

0

主题

177

回帖

508

积分

中级会员

积分
508
发表于 2019-2-28 22:19:34 | 显示全部楼层
谢谢您的分享!
工控课堂 www.gkket.com

0

主题

101

回帖

318

积分

注册会员

积分
318
发表于 2019-2-28 22:25:48 | 显示全部楼层
老师四个微信公众号都可以关注吗?是否有免费资料下载!
工控课堂 www.gkket.com

12

主题

444

回帖

2681

积分

高级会员

积分
2681
发表于 2019-4-18 13:29:41 | 显示全部楼层
感恩无私的分享与奉献
工控课堂 www.gkket.com

0

主题

433

回帖

2634

积分

高级会员

积分
2634
发表于 2019-4-18 21:22:24 | 显示全部楼层
在遇到你之前我对人世间是否有技术大佬保有怀疑,现在我是彻底被你征服了
工控课堂 www.gkket.com

0

主题

168

回帖

669

积分

中级会员

积分
669
发表于 2019-4-29 10:14:29 | 显示全部楼层
感谢分享,佩服佩服!
工控课堂 www.gkket.com

0

主题

144

回帖

414

积分

注册会员

积分
414
发表于 2019-5-15 04:56:19 | 显示全部楼层
楼主加油,我们都看好你哦。
工控课堂 www.gkket.com
您需要登录后才可以回帖 登录 | 立即注册

本版积分规则

关闭

站长推荐上一条 /1 下一条

QQ|手机版|免责声明|本站介绍|工控课堂 ( 沪ICP备20008691号-1 )

GMT+8, 2025-12-22 13:33 , Processed in 0.236039 second(s), 27 queries .

Powered by Discuz! X3.5

© 2001-2025 Discuz! Team.

快速回复 返回顶部 返回列表