找回密码
 立即注册

QQ登录

只需一步,快速开始

查看: 9944|回复: 20

电工必备电路原理图汇总,个个顶用!

  [复制链接]
  • 打卡等级:即来则安
  • 打卡总天数:29
  • 打卡月天数:1
  • 打卡总奖励:7791
  • 最近打卡:2025-12-13 17:25:16

2540

主题

1355

回帖

2万

积分

管理员

积分
21304
发表于 2019-3-27 19:59:37 | 显示全部楼层 |阅读模式

电磁调速电机控制

三相四线电度表互感器接线

能耗制动

顺序启动,逆序停止

锅炉水位探测装置

电机正反转控制电路

电葫芦吊机电
单相漏电开关电路

单相电机接线图
带点动的正反转起动电路

红外线防盗报警器

电容单相电机接线图

自动循环往复控制线路

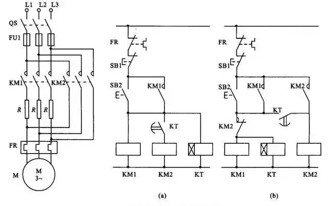
定子电路串电阻降压起动控制线

按启动钮延时运行电路
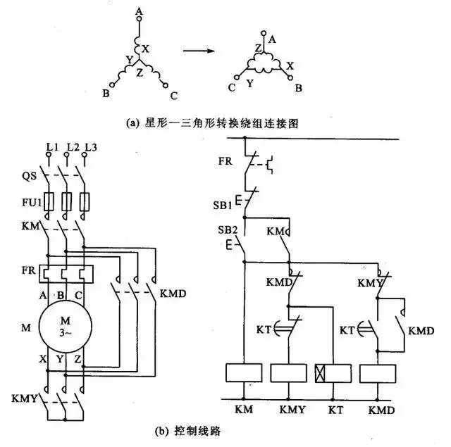
星形-三角形启动控制线路

单向反接制动的控制线路

具有反接制动电阻的可逆运行反接制动的控制线路
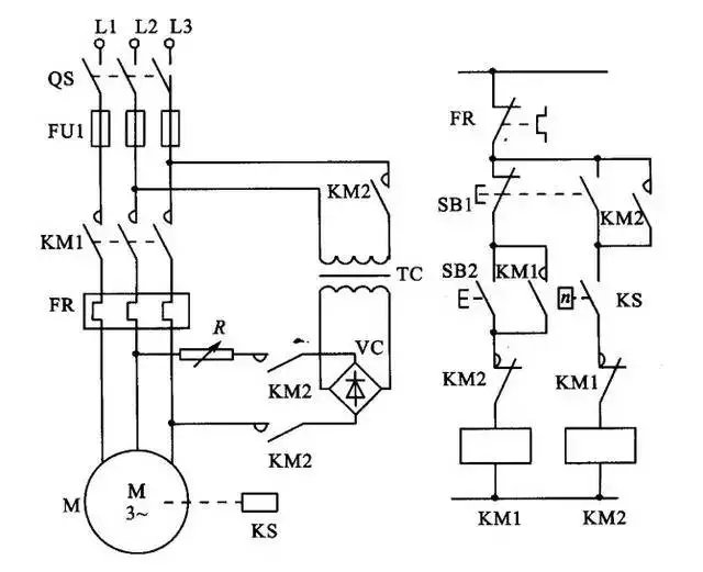
以时间原则控制的单向能耗制动线路
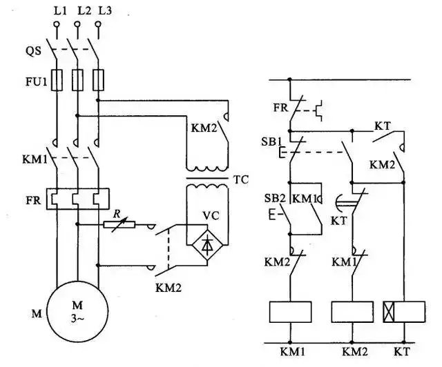
以速度原则控制的单向能耗制动控制线路

电动机可逆运行的能耗制动控制线路

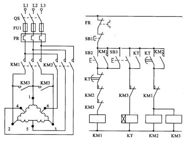
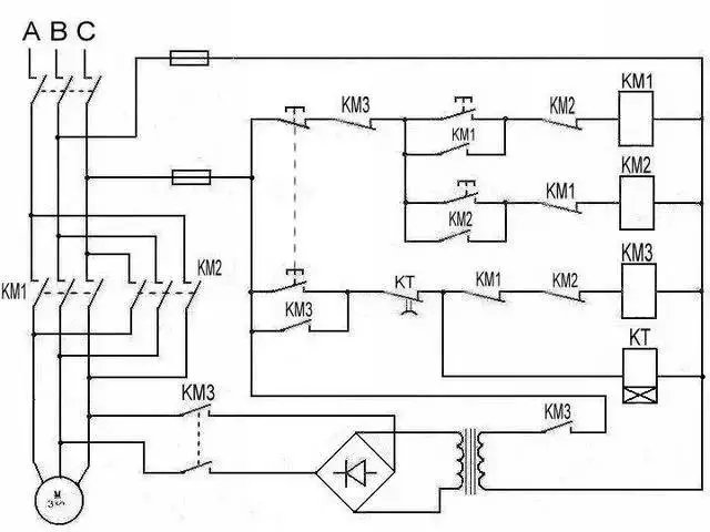
双速电动机改变极对数的原理

双速电动机调速控制线路

使用变频器的异步电动机可逆调速系统控制线路

正确连接电器的触点

线圈的连接

继电器开关逻辑函数

三相半波整流电路图

三相全波整流电路图

三相全波6脉冲整流原理图

六相12脉冲整流原理图

负载两端的电压
在一个周期中,每个二极管只有三分这一的时候导通(导通角为120度)。负载两端的电压为线电压。

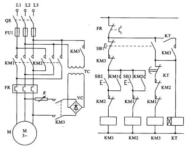
直流调速原理功能图

本帖子中包含更多资源

您需要 登录 才可以下载或查看,没有账号?立即注册

×
工控课堂 www.gkket.com

0

主题

132

回帖

458

积分

注册会员

积分
458
发表于 2019-3-27 20:00:11 | 显示全部楼层
真是难得给力的帖子啊。
工控课堂 www.gkket.com

0

主题

163

回帖

544

积分

中级会员

积分
544
发表于 2019-3-27 20:03:57 | 显示全部楼层
感恩无私的分享与奉献
工控课堂 www.gkket.com

0

主题

170

回帖

374

积分

注册会员

积分
374
发表于 2019-3-27 20:04:08 | 显示全部楼层
加油,加油,不要沉下去,我是最热贴
工控课堂 www.gkket.com

0

主题

129

回帖

499

积分

注册会员

积分
499
发表于 2019-3-27 20:07:46 | 显示全部楼层
看了楼主的帖子,不由得精神一振,豁然开朗,牛掰
工控课堂 www.gkket.com

0

主题

156

回帖

567

积分

中级会员

积分
567
发表于 2019-3-27 20:13:09 | 显示全部楼层
看了楼主的帖子,不由得精神一振,豁然开朗,牛掰
工控课堂 www.gkket.com

0

主题

314

回帖

2270

积分

高级会员

积分
2270
发表于 2019-3-30 07:12:30 | 显示全部楼层
真是被感动的痛哭流涕……
工控课堂 www.gkket.com

0

主题

339

回帖

2540

积分

高级会员

积分
2540
发表于 2019-4-8 05:39:01 | 显示全部楼层
看了楼主的帖子,不由得精神一振,豁然开朗,牛掰
工控课堂 www.gkket.com

0

主题

422

回帖

2642

积分

高级会员

积分
2642
发表于 2019-4-11 01:43:24 | 显示全部楼层
淡定,淡定,淡定……
工控课堂 www.gkket.com

0

主题

193

回帖

837

积分

中级会员

积分
837
发表于 2019-5-6 05:23:16 | 显示全部楼层
在遇到你之前我对人世间是否有技术大佬保有怀疑,现在我是彻底被你征服了
工控课堂 www.gkket.com
您需要登录后才可以回帖 登录 | 立即注册

本版积分规则

关闭

站长推荐上一条 /1 下一条

QQ|手机版|免责声明|本站介绍|工控课堂 ( 沪ICP备20008691号-1 )

GMT+8, 2025-12-23 01:58 , Processed in 0.275017 second(s), 26 queries .

Powered by Discuz! X3.5

© 2001-2025 Discuz! Team.

快速回复 返回顶部 返回列表