找回密码
 立即注册

QQ登录

只需一步,快速开始

查看: 8396|回复: 20

三相异步电动机定子绕组首尾端的判别方法

  [复制链接]
  • 打卡等级:常驻代表
  • 打卡总天数:34
  • 打卡月天数:6
  • 打卡总奖励:9027
  • 最近打卡:2025-12-17 23:15:51

2823

主题

541

回帖

2万

积分

管理员

积分
22569
发表于 2019-4-3 20:35:44 | 显示全部楼层 |阅读模式
1 前言
三相异步电动机的三相定子绕组的首尾端应正确连接。星形接法的电动机应把三个尾端或三个首端连接在一起 , 其余三个线头作为三个引出线与三相电源相连; 三角形接法的电动机三个绕组的首尾端依次相连 , 从三个连接点引出三根线与三相电源相连。首尾端接错 , 轻则引起电动机输出功率下降 , 带载能力降低 , 重则烧毁电动机。
在实际工作中 , 当电动机接线板损坏或其它原因造成定子绕组的六个线头分不清楚时 , 不可盲目接线 , 以免引起电动机内部故障 , 故判别定子绕组首尾端就显得尤为重要。
2 几种实用判别首尾端的方法
2. 1剩磁法
在天轮边缘处按要求选择 m 、n 点。m 、n点处于水平位置时 , 测出 m 与 n 点坐标 , 然后转动天轮180°,再测出 m 与 n 点坐标。在受到观测条件的限制时 , 应尽可能的使之处于水平位置 ,以保证m 、n 点间在水平距离上尽量远离。
转动滚筒 , 使钢丝绳弦处于最外位置A处 ,然后在钢丝绳弦靠近 A 点一侧选取 A1 点 ,使 A1 O 尽量远 , 并测量 A1 点和 O 点的三维坐标; 转动滚筒 ,使钢丝绳弦处于最外 B 点 , 同样在靠近 B 点绳弦上选取一点 B1 , 并测量 B1 点和 O点的三维坐标。
内业计算 , 按照推导的公式求最大内 、外偏角。
4 实践
用上述方法对唐山矿业分公司的三号井和相绕组同名端接在一起 , 则矢量和为零 , 即感生电流的和为零。所以表的读数为零。实际中由于电动机的结构等原因 , 会产生一些误差 , 即电流表的读数不为零( 读数非常小) 。
2. 236V 交流电源和灯泡判别首尾端
如图 2 所示 , 将 U2 、V1 连接起来 , 构成两相绕组串联 ,将 U1 、V2 线头接上一只灯炮 W1 、W2 两个线头上接通 36 V 交流电源。

如果灯泡发亮 , 说明线头 U1 、U2 和 V1 、V2
的编号正确。如果灯泡不亮 ,则把 U1 、U2 或 V1 、
V2    中任意两个线头的编号对调一下即可。按上述方法对 W1 、W2 两线头进行判别。
三相对称绕组绕在同一定子铁芯上 , 在一组绕组上通上交流电 , 则在另外两个绕组上感应出互感电动势。如果两个绕组的异名端 ( 首尾) 相连 ,即两个电动势正向串联 , 使灯泡亮; 反之 , 两个电动势反向串联 ,总电动势为零 ,灯泡不亮。2. 3极性判别器法

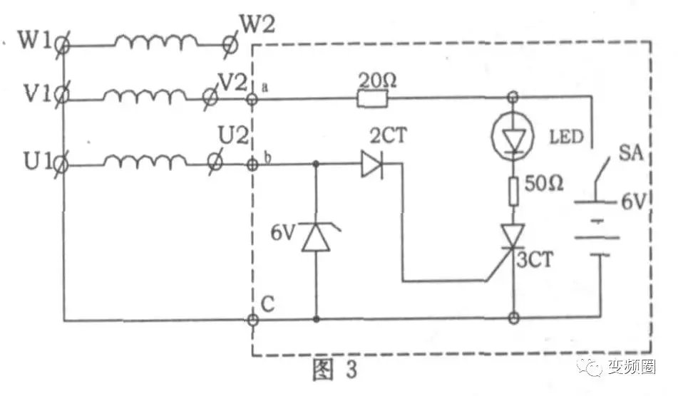
按图 3 虚线框所列元件制作极性判别器 , 然后按图 3 连线 ,当 SA 闭合瞬间 ,L ED 亮了 , 则说明U1 和 V2 为正极性端( 同名端) , 此时 a 端和 b 端均为正极性 ,晶闸管导通 ,发光二极管被点亮。
如果 L ED 不亮 ,说明 U1 和 V2 为异名端 , 此时 a 端为正 , b 端为负 , 3 CT 正向阻断 , L ED 不亮。同理 ,将 V2 从 a 端移开 ,将 W2 接 a 端 ,重复上述方法可确定 W2 和 U2 的极性关系。

先用摇表或万用表电阻档分别找出三相绕组的各相两个线头 , 给各相绕组假设编号为 U1 、U2 、V1 、V2 和 W1 、W2  。按图 1 接线 ,用手转动电动机转子 ,如果万用表( 用微安档或毫安档) 指针不动或表的读数非常小 , 则证明假设的编号是正确的 , 若表的读数大 , 说明其中有一相首尾端假设编号不对 ,应逐相对调重测 ,直至正确为止。
此时异步电动机相当于一个发电机 , 三相绕组对称产生三个大小相等的感应电动势 ,如果三
老回风井进行了测量天轮偏角工作 , 较快地完成了测量任务 ,保证了测量的精度。
4结束语
在测量过程中必须严格组织 , 认真施测 , 满足在施测前制定的各种技术要求。由于只进行测量天轮偏角工作 , 因而可进行全站仪任意设站 ,假定坐标系进行测量工作。利用全站仪测量天轮偏角工作 ,测量过程简单 , 测量精度高 ,能够满足测量要求 ,也扩大了全站仪在矿山中的应用范围 ,提高了工作效率 ,降低了劳动强度。
2 . 4用电池和万用表判别首尾端
按图 4 接线 , 合上开关瞬间 , 若指针摆向大于零的一边 ,则接电池正极的线头与万用表负极所接的线头同为首端或尾端; 如指针反向摆动 , 则接电池正极的线头与万用表正极所接的线头同为首端或尾端。再将电池和开关接另一相两个线头 ,进行测试 ,就可正确判断各相首尾端。


3 结语
在实际应用中 , 当三相异步电机定子绕组的六个线头分不清楚时 , 采用剩磁法和极性判别法等上述 4 种方法可以判别定子绕组的首尾端。

本帖子中包含更多资源

您需要 登录 才可以下载或查看,没有账号?立即注册

×
工控课堂 www.gkket.com

0

主题

197

回帖

406

积分

注册会员

积分
406
发表于 2019-4-3 20:37:41 | 显示全部楼层
我顶,我顶,我顶顶顶
工控课堂 www.gkket.com

0

主题

177

回帖

508

积分

中级会员

积分
508
发表于 2019-4-3 20:41:08 | 显示全部楼层
楼主加油,我们都看好你哦。
工控课堂 www.gkket.com

0

主题

145

回帖

233

积分

注册会员

积分
233
发表于 2019-4-3 20:41:52 | 显示全部楼层
太生气了,无法HOLD啦 >_<......
工控课堂 www.gkket.com

0

主题

139

回帖

315

积分

注册会员

积分
315
发表于 2019-4-3 20:47:38 | 显示全部楼层
论坛有你更精彩!
工控课堂 www.gkket.com

0

主题

163

回帖

544

积分

中级会员

积分
544
发表于 2019-4-3 20:59:13 | 显示全部楼层
感恩无私的分享与奉献
工控课堂 www.gkket.com

9

主题

429

回帖

2537

积分

高级会员

积分
2537
发表于 2019-4-3 22:22:48 | 显示全部楼层
感恩无私的分享与奉献
工控课堂 www.gkket.com

13

主题

396

回帖

2653

积分

高级会员

积分
2653
发表于 2019-4-4 17:53:19 | 显示全部楼层
党的好公民,人民的好公仆。。。
工控课堂 www.gkket.com

0

主题

432

回帖

2643

积分

高级会员

积分
2643
发表于 2019-4-10 00:08:05 | 显示全部楼层
真是被感动的痛哭流涕……
工控课堂 www.gkket.com

0

主题

96

回帖

304

积分

注册会员

积分
304
发表于 2019-5-6 11:44:12 | 显示全部楼层
太生气了,无法HOLD啦 >_<......
工控课堂 www.gkket.com
您需要登录后才可以回帖 登录 | 立即注册

本版积分规则

关闭

站长推荐上一条 /1 下一条

QQ|手机版|免责声明|本站介绍|工控课堂 ( 沪ICP备20008691号-1 )

GMT+8, 2025-12-22 16:16 , Processed in 0.404207 second(s), 26 queries .

Powered by Discuz! X3.5

© 2001-2025 Discuz! Team.

快速回复 返回顶部 返回列表