找回密码
 立即注册

QQ登录

只需一步,快速开始

查看: 7871|回复: 20

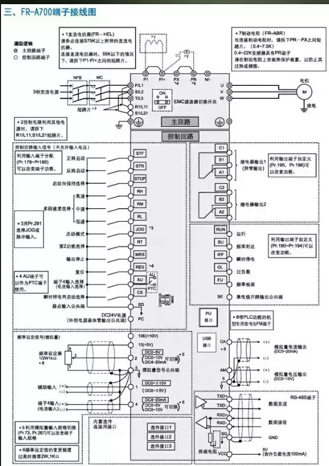
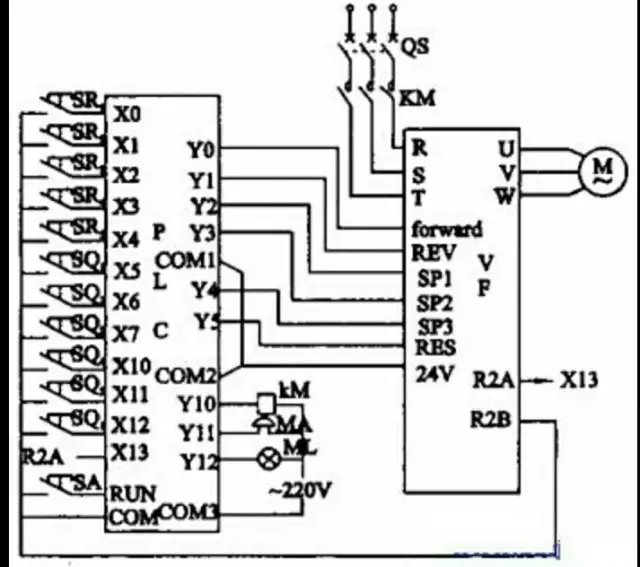
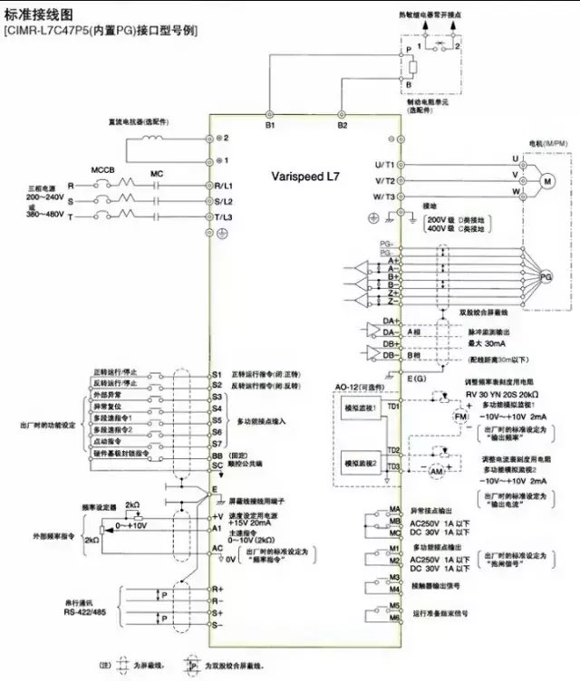
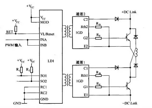
变频器外部接线大全,全实用是实物接线图,实用!

  [复制链接]
  • 打卡等级:即来则安
  • 打卡总天数:27
  • 打卡月天数:6
  • 打卡总奖励:7736
  • 最近打卡:2025-12-20 00:35:11

3317

主题

285

回帖

2万

积分

管理员

积分
23881
发表于 2019-4-18 22:15:01 | 显示全部楼层 |阅读模式


































本帖子中包含更多资源

您需要 登录 才可以下载或查看,没有账号?立即注册

×
工控课堂 www.gkket.com

0

主题

132

回帖

351

积分

注册会员

积分
351
发表于 2019-4-18 22:15:01 | 显示全部楼层
太生气了,无法HOLD啦 >_<......
工控课堂 www.gkket.com

0

主题

157

回帖

514

积分

中级会员

积分
514
发表于 2019-4-18 22:26:47 | 显示全部楼层
楼主您的技术水准,我最服你,其他都是浮云
工控课堂 www.gkket.com

0

主题

132

回帖

458

积分

注册会员

积分
458
发表于 2019-4-18 22:27:04 | 显示全部楼层
看完楼主的帖子,我的心情竟是久久不能平息,受教了
工控课堂 www.gkket.com

0

主题

148

回帖

412

积分

注册会员

积分
412
发表于 2019-4-18 22:27:49 | 显示全部楼层
加油,加油,不要沉下去,我是最热贴
工控课堂 www.gkket.com

0

主题

137

回帖

350

积分

注册会员

积分
350
发表于 2019-4-18 22:31:01 | 显示全部楼层
大家都不容易!
工控课堂 www.gkket.com

0

主题

425

回帖

2449

积分

高级会员

积分
2449
发表于 2019-4-20 18:57:35 | 显示全部楼层
绝对干货,楼主给力,支持了!!!
工控课堂 www.gkket.com

0

主题

473

回帖

2666

积分

高级会员

积分
2666
发表于 2019-4-22 17:36:46 | 显示全部楼层
看了楼主的帖子,不由得精神一振,豁然开朗,牛掰
工控课堂 www.gkket.com

0

主题

1451

回帖

4571

积分

金牌会员

积分
4571
发表于 2019-5-16 13:10:27 | 显示全部楼层
楼主加油,我们都看好你哦。
工控课堂 www.gkket.com

0

主题

443

回帖

2470

积分

高级会员

积分
2470
发表于 2019-5-16 13:10:29 | 显示全部楼层
无私奉献,好工控人,32个赞送给你!!
工控课堂 www.gkket.com
您需要登录后才可以回帖 登录 | 立即注册

本版积分规则

关闭

站长推荐上一条 /1 下一条

QQ|手机版|免责声明|本站介绍|工控课堂 ( 沪ICP备20008691号-1 )

GMT+8, 2025-12-22 15:47 , Processed in 0.084700 second(s), 26 queries .

Powered by Discuz! X3.5

© 2001-2025 Discuz! Team.

快速回复 返回顶部 返回列表