找回密码
 立即注册

QQ登录

只需一步,快速开始

查看: 4815|回复: 18

S7-200SMART通过MODBUS库与称重仪表通讯

  [复制链接]
  • 打卡等级:常驻代表
  • 打卡总天数:34
  • 打卡月天数:6
  • 打卡总奖励:9027
  • 最近打卡:2025-12-17 23:15:51

2823

主题

541

回帖

2万

积分

管理员

积分
22569
发表于 2019-6-1 22:07:12 | 显示全部楼层 |阅读模式
首先介绍我们的硬件准备工作

1一台支持Modbus协议的称重仪表
支持Modbus协议的称重仪表

2设置好仪表的通讯参数
根据自己的要求可以调整,只要和PLC端统一就可以

波特率:9600

数据格式:8n1:8位数据/无校验位

通讯方式:Modbus协议

校验和:OFF

仪表通讯地址:1

3确定所要读取的变量地址
这里我们只需要读取仪表的当前实时重量即可

仪表实时重量的地址为0,对应Modbus通讯里的40001

4200smartPLC一台
200smartPLC

5连接端口
将仪表端的RS485接口A,B与PLC端的DB9接口相连(DB9接口的3为A,8为B)


我记得是3为A,8为B,不知此图为什么这样,不过不要紧,如果不同,将两根线颠倒一下

准备工作完毕,接下来就开始我们的PLC编程了,因为200smart软件自身就带了Modbus协议库,所以,不需要我们另外去添加了,下面就介绍下怎么编程的。

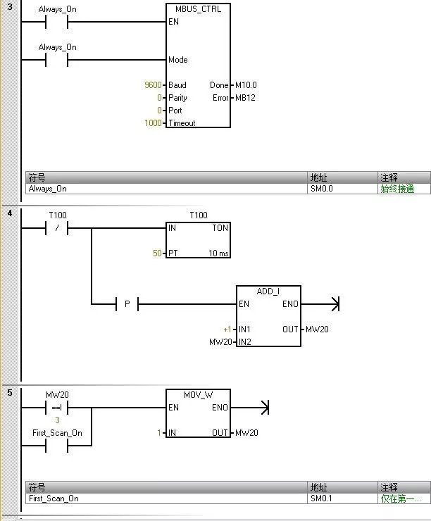
6初始化主站指令

“模式”(Mode) 输入的值用于选择通信协议。输入值为 1 时,将 CPU 端口分配给 Modbus 协议并启用该协议。

参数“奇偶校验”(Parity) 应设置为与 Modbus 从站设备的奇偶校验相匹配。0(无奇偶校验)

参数“端口”(Port)设置物理通信端口(0 = CPU 中集成的 RS-485)。

参数“超时”(Timeout) 设为等待从站做出响应的毫秒数。典型值是 1000 ms (1 s)。

当 MBUS_CTRL指令完成时,指令将“真”(TURE) 返回给“完成”(Done) 输出。

“错误”(Error) 输出包含指令执行的结果。

以上的参数设置与称重仪表端的对应

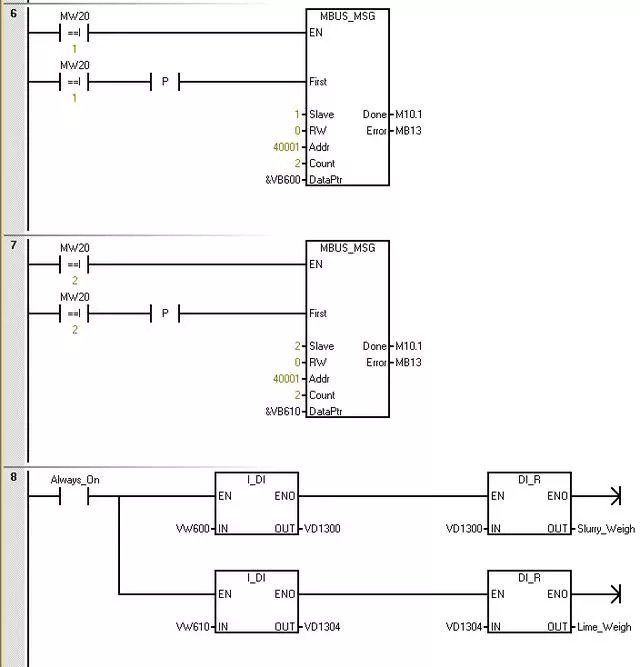
7两个仪表的轮询访问
参数“从站”(Slave) 是 Modbus 从站设备的地址。允许范围为 0 至 247。地址 0 是广播地址。仅将地址 0 用于写入请求。系统不会响应对地址 0 的广播请求。并非所有从站设备都支持广播地址。S7-200 SMART Modbus 从站库不支持广播地址。

使用参数 RW 指示是读取还是写入该消息。0(读取)

参数地址 (Addr) 是起始 Modbus 地址。寄存器地址为0,对应Modbus通讯里的地址40001

参数“计数”(Count) 用于分配要在该请求中读取或写入的数据元素数。读取仪表中保持寄存器字数。

参数 DataPtr 是间接地址指针,指向 CPU 中与读请求相关的数据的 V 存储器。将 DataPtr 设置为用于存储从 Modbus 从站读取的数据的第一个 CPU 存储单元。

地址1的仪表数据被存入到VW600中,地址2的仪表数据被存入到VW610中。

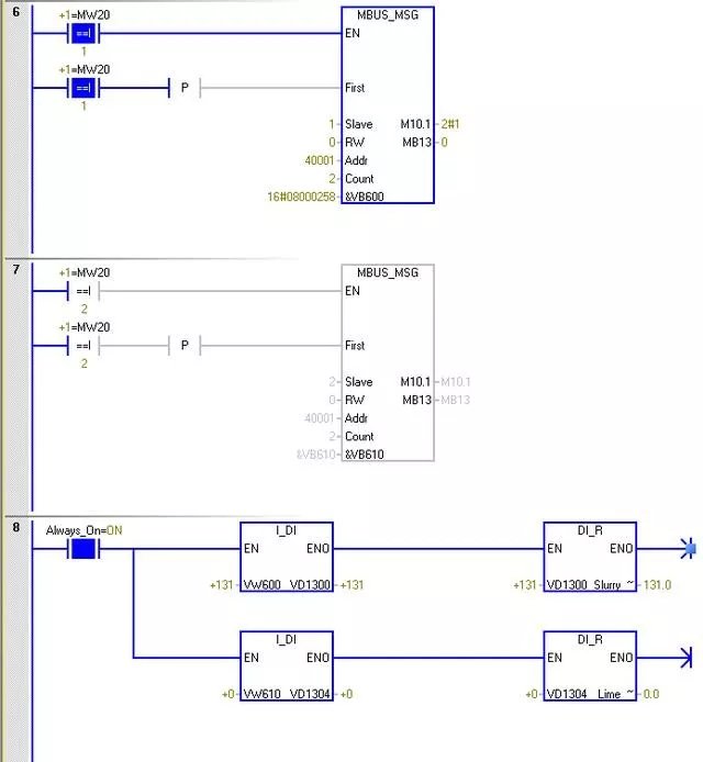
编程结束,下面我们看下监控效果。

主站初始化指令运行正常,没有报错

地址1仪表数据为131,地址2仪表数据为0

到这里结束了我们这次关于西门子S7-200SMART通过MODBUS库与称重仪表通讯的介绍。

本帖子中包含更多资源

您需要 登录 才可以下载或查看,没有账号?立即注册

×
工控课堂 www.gkket.com

0

主题

121

回帖

426

积分

注册会员

积分
426
发表于 2019-6-1 22:09:12 | 显示全部楼层
论坛有你更精彩!
工控课堂 www.gkket.com

0

主题

98

回帖

278

积分

注册会员

积分
278
发表于 2019-6-1 22:09:20 | 显示全部楼层
党的好公民,人民的好公仆。。。
工控课堂 www.gkket.com

0

主题

122

回帖

504

积分

中级会员

积分
504
发表于 2019-6-1 22:09:27 | 显示全部楼层
无回帖,不论坛,这才是人道。
工控课堂 www.gkket.com

0

主题

150

回帖

417

积分

注册会员

积分
417
发表于 2019-6-1 22:10:06 | 显示全部楼层
无私奉献,好工控人,32个赞送给你!!
工控课堂 www.gkket.com

0

主题

115

回帖

327

积分

注册会员

积分
327
发表于 2019-6-1 22:12:12 | 显示全部楼层
绝对干货,楼主给力,支持了!!!
工控课堂 www.gkket.com

0

主题

88

回帖

321

积分

注册会员

积分
321
发表于 2019-6-3 02:22:09 | 显示全部楼层
无私奉献,好工控人,32个赞送给你!!
工控课堂 www.gkket.com

0

主题

163

回帖

379

积分

注册会员

积分
379
发表于 2019-6-3 08:33:30 | 显示全部楼层
我只是路过打酱油的。
工控课堂 www.gkket.com

0

主题

86

回帖

291

积分

注册会员

积分
291
发表于 2019-6-12 13:53:01 | 显示全部楼层
看了楼主的帖子,不由得精神一振,豁然开朗,牛掰
工控课堂 www.gkket.com

0

主题

67

回帖

91

积分

新手上路

积分
91
发表于 2025-11-15 23:36:35 | 显示全部楼层
画面感太强了,仿佛身临其境!
工控课堂 www.gkket.com
您需要登录后才可以回帖 登录 | 立即注册

本版积分规则

关闭

站长推荐上一条 /1 下一条

QQ|手机版|免责声明|本站介绍|工控课堂 ( 沪ICP备20008691号-1 )

GMT+8, 2025-12-22 13:57 , Processed in 0.104712 second(s), 26 queries .

Powered by Discuz! X3.5

© 2001-2025 Discuz! Team.

快速回复 返回顶部 返回列表