找回密码
 立即注册

QQ登录

只需一步,快速开始

工控课堂 首页 工控文库 变频器学习 查看内容

变频器入门课堂-一台15KW水泵做PID控制

2022-4-24 17:24| 发布者: 198366809| 查看: 2760| 评论: 0

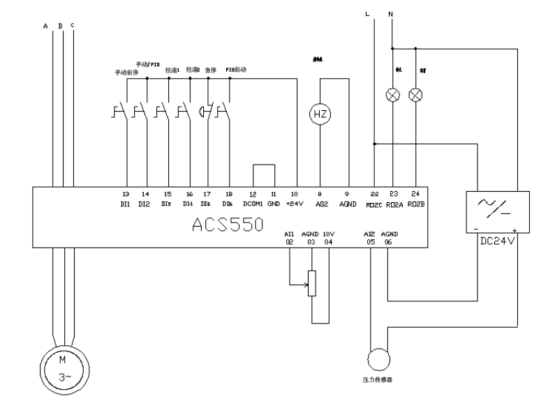
摘要: 一台15KW水泵做PID控制,控制水泵出口压力稳定。1、设计思路 选用一台15KW具有PID功能的变频器,可以不考虑输入电抗器,电机速度由设定频率与泵出口压力作比较进行PID调节,设计应考虑能手/自动转换。2、变频器控制 ...
一台15KW水泵做PID控制,控制水泵出口压力稳定。
1、设计思路
    选用一台15KW具有PID功能的变频器,可以不考虑输入电抗器,电机速度由设定频率与泵出口压力作比较进行PID调节,设计应考虑能手/自动转换。
2、变频器控制回路设计图


3、变频器参数设定


其它参数可用变频器默认值,改善变频器及对电机的控制特性,如加、减速,U/F曲线等由调试中按实际运行调节设定;PID调节参数需实际调试时对40参数组进行修整改善,特别注意的是泵的出口压力与电机转速应取反,即压力高时要求降速,此参数在4005中设定。
4、控制原理说明
手动控制时,将手/自动转换开关断开(DI2=0),手动转换开关闭合(DI1=1),变频器将以AI1为参考控制速度,调整电机转速。如果需要固定某一频率点,也开以利用恒速1(DI3)、恒速2(DI4)开关的组合,得到三段速度,设定为20Hz、40Hz、50Hz,可在参数1202、1203、1204中修改设定频率。
自动作PID控制时,将手/自动转换开关闭合(DI2=1),自动PID转换开关闭合(DI6=1),此时DI1、DI3、DI4均不起作用,电机将以AI1为设定点,AI2为实际值进行PID调节,泵出口压力高,将会自动降低电机转速,以降低出口压力,反之相反。
当出现紧急事故时,可拍下急停按钮(DI5=0),将不允许电机启动,起到保护作用。电机的速度可由频率表查看,由AO2输出,应注意模拟量与表量程值的对应设定。装有二个指示灯表示电机的运行、停止,由输出继电器2的常开常、闭点分别取得信号。
关注公众号,加入500人微信群,下载100G免费资料!

最新评论

最新资讯
关闭

站长推荐上一条 /1 下一条

QQ|手机版|免责声明|本站介绍|工控课堂 ( 沪ICP备20008691号-1 )

GMT+8, 2025-12-22 17:05 , Processed in 0.078002 second(s), 23 queries .

Powered by Discuz! X3.5

© 2001-2025 Discuz! Team.

返回顶部