找回密码
 立即注册

QQ登录

只需一步,快速开始

工控课堂 首页 工控文库 变频器学习 查看内容

变频器可控硅的工作原理和检测方法

2021-12-8 20:55| 发布者: 198366809| 查看: 2059| 评论: 0|来自: 变频器维修论坛

摘要: 单向可控硅的测试可控硅的意思:可控的硅整流器,其整流输出电压是受控的,常与移相或过零触发电路配合,应用于交、直流调压电路。可控硅是在晶体管基础上发展起来的一种集成式半导体器件。单向可控硅的等效原理及测 ...

单向可控硅的测试


可控硅的意思:可控的硅整流器,其整流输出电压是受控的,常与移相或过零触发电路配合,应用于交、直流调压电路。可控硅是在晶体管基础上发展起来的一种集成式半导体器件。单向可控硅的等效原理及测量电路见下图1:

图1 可控硅器件等效及测量电路


单向可控硅为具有三个PN结的四层结构,由最外层的P层、N层引出两个电极——阳极A和阴极K,由中间的P层引出控制极G。电路符号好像为一只二极管,但好多一个引出电极——控制极或触发极G。SCR或MCR为英文缩写名称。

从控制原理上可等效为一只PNP三极管与一只NPN三极管的连接电路,两管的基极电流和集电极电流互为通路,具有强烈的正反反馈作用。一旦从G、K回路输入NPN管子的基极电流,由于正反馈作用,两管将迅即进入饱合导通状态。可控硅导通之后,它的导通状态完全依靠管子本身的正反馈作用来维持,即使控制电流(电压)消失,可控硅仍处于导通状态。控制信号UGK的作用仅仅是触发可控硅使其导通,导通之后,控制信号便失去控制作用。

单向可控硅的导通需要两个条件:

1)、A、K之间加正向电压;

2)、G、K之间输入一个正向触发电流信号,无论是直流或脉冲信号。

若欲使可控硅关断,也有两个关断条件:

1)、使正向导通电流值小于其工作维持电流值;

2)、使A、K之间电压反向。

可见,可控硅器件若用于直流电路,一旦为触发信号开通,并保持一定幅度的流通电流的话,则可控硅会一直保持开通状态。除非将电源开断一次,才能使其关断。若用于交流电路,则在其承受正向电压期间,若接受一个触发信号,则一直保持导通,直到电压过零点到来,因无流通电流而自行关断。在承受反向电压期间,即使送入触发信号,可控硅也因A、K间电压反向,而保持于截止状态。

可控硅器件因工艺上的离散性,其触发电压、触发电流值与导通压降,很难有统一的标准。可控硅器件控制本质上如同三极管一样,为电流控制器件。功率越大,所需触发电流也越大。触发电压范围一般为1.5V—3V左右,触发电流为10mA—几百mA左右。峰值触发电压不宜超过10V,峰值触发电流也不宜超过2A。A、K间导通压降为1—2V。主要工作参数有正、反向耐压值和正向平均电流、触发电流(电压)值、维持电流值等。

可控硅器件的检测:

1)、用万用表粗测可控硅的好坏。用电阻x1k档,正、反向测量A、K之间的电阻值,均接近无穷大;用电阻x10Ω档测量G、K之间的电阻,从十几欧姆至百欧姆,功率越大欧姆值越小。正、反向电阻值相等或差异极小。说明可控硅的G、K并不像一般三极管的发射结,有明显的正、反向电阻的差异。这种测量方式是有局限性的,当A、K之间已呈故障开路状态时,则无法测出好坏。有的G、K间电阻值极小,也难以判别两控制极是否已经短路。

2)、较为准确的测量方法,是如图1中的右图,为可控硅连接上电源和负载,才能得出好坏的结论。方法是:将可控硅接入电路,可控硅因无触发信号输入,小灯泡HL1无电流通路不发光;将A、G短接一下再断开,可控硅受触发而导通,并能维持导通(灯泡的额定电流应大于100mA),灯泡一直发光,直到断开电源。再接通电源时,灯泡不亮。可控硅器件基本上是好的。

3)、可控硅有以下几种损坏情况:

a、A、K极间短路或断路;b、G、A极间短路或断路;c、三个电极之间的短路。

还有一种损坏情况很让人迷惑(这种状态当然极为少见),用上述1、2种检测方法检测,可控硅是好的,但接到交流电路中,便失去可控整流作用。故障可控硅在未接受触发信号前,呈开路状态,是对的。触发电流输入后,可控硅开通了,交流输入的正、负半波都一齐过去了,单向可控硅成了一只“交流开关”!变频器整流电流中,若有这种情况发生,储能电容非喷液了不可。可控硅的这种损坏情况,不能用短路或击穿来说明了,只能说这只可控硅已经失效——失去整流作用了!

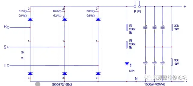
图2 变频器主电路的可控三相整流电路

变频器的主电路的整流电路中,往往采用上三臂单向可控硅和下三臂整流二极管组成的三相可控整流电路,以代替充电接触器实现上电瞬间对直流回路储能电容的“软充电”控制。三相可控整流电路的形式如图2所示。

中功率机型的变频器,整流电路是由三只半控桥模块构成,每只模块内部,含一只整流二极管和一只单向可控硅器件,每只模块有三个主端子:1,交流输入端;2,可控硅整流正电压输出端;3、整流负输出端。还有两个触发端子,4,控制栅极引出端;5,阴极控制线引出端。

三相整流电路中对可控硅模块的测量方法:]

如果是整机停电状态下,对可控硅模块进行测量,可采用图1中右图的测试电路。

图3 变频器主电路的可控硅测试电路1

做一个测试器:由小型6V电池1块、6V小电珠1只、万用表的表笔(触碰针)一支和鳄鱼夹2只,可以组装于肥皂塑料盒或其它适宜的壳体中,那么一只高效准确和使用方便的“可控硅测试仪”就制作成功了!

停掉变频器的整机电源,不需将模块从电路中拆下,整机正常连接状态下,即可对可控硅模块进行测试了。测试步骤如下:

1)、用鳄鱼夹连接任一只可控硅模块的阳极和阴极(注意电池负端的鳄鱼夹连接阴极),触碰针不去触碰可控硅的栅极,小电珠不亮。(这时若小电珠亮,说明可控硅已经短路或漏电坏掉了。);

2)、用触碰针触碰一下可控硅阴极后,小电珠点亮(正常亮度很亮啊)。拿掉触碰针后,小电珠一直亮。(此时有两种情况,触碰针与栅极接触时,小电珠亮,拿掉触碰针,小电珠不亮,可控硅内部阴极、阴极间断路损坏;触碰针接触栅极时,小电珠也不亮,可控硅的栅极、阴极出现断路性损坏。)

3)将一只鳄鱼夹脱开连接,小电珠熄灭;再连接鳄鱼夹,小电珠仍不亮。直到触碰针触碰一下栅极后,小电珠点亮。

测试结束。可控硅是好的,测试过程中,通过小电珠异常的亮/灭状态,已将可控硅的损坏状态,明白无误地检测出来了。

分别用鳄鱼夹连接连接另两只可控硅模块的阳级和阴极,对其进行测试,三只可控硅的好坏情况便一目了然了。

这种检测方法最为安全可靠,操作简便。测试的准确度也较高。


变频器可控硅整流电路的上电检测,检测电路见下图:

图4 变频器主电路的可控硅测试电路2

为变频器供入380V维修电源(隔离变压器提供),为了测试电压值的方便,可将P、P1端子短接线拆除(也可以不拆),在整流输出的正、负端连接两只灯泡,灯泡的功率值越大越好,用1000W的更好,测试准确度会高一些。

用二极管和电阻串接构成简单的触发电路,串二极管的目的,使可控硅栅极不承受反向电压。当用“触发电路”短接可控被测试可控硅的阳极和栅极时,会出现以下两种情况:

1)、灯泡亮度正常,此时测量灯泡两端的直流电压值,为380×0.45=170V(半波整流值)。触发电路一直连接也没有问题,1k10W电阻无温升。连接触发电路,灯泡即显示正常亮度,断开触发电路,灯泡即灭。说明可控硅模块是好的;

2)连接触发电路,亮度微弱,说明灯泡电流是通过1k10W电阻供给的,电阻有温升,不要长时间连接,以免烧毁。如果测试灯泡两端的电压,仅为几十伏。说明模块坏掉,不能被正常触发。

这种测试方法,通过灯泡的亮度来判断可控硅的好坏,准确度还是可以的,但测试上不如第一种方法简便和安全,是带电操作的,一定要注意安全!三只模块也可以一只一只地测量。同时测量不准的。

关注公众号,加入500人微信群,下载100G免费资料!
发表评论

最新评论

最新资讯
关闭

站长推荐上一条 /1 下一条

QQ|手机版|免责声明|本站介绍|工控课堂 ( 沪ICP备20008691号-1 )

GMT+8, 2025-12-22 15:26 , Processed in 0.081234 second(s), 23 queries .

Powered by Discuz! X3.5

© 2001-2025 Discuz! Team.

返回顶部