找回密码
 立即注册

QQ登录

只需一步,快速开始

工控课堂 首页 工控文库 变频器学习 查看内容

西门子MM430变频器实现PID恒压供水,参数设置及接线!

2022-2-20 11:50| 发布者: 198366809| 查看: 2224| 评论: 10|原作者: 198366809

摘要: 西门子MM430变频器实现PID恒压供水,案例以动力站水泵变频控制进行分解:注意设定参数 PID控制 P2200---P2293 一、恒压控制原理:1、通过变频器PID功能 控制,实现恒压控制。2、恒压控制必须有主设定、反馈值两路输 ...
西门子MM430变频器实现PID恒压供水,案例以动力站水泵变频控制进行分解:
注意设定参数 PID控制 P2200---P2293


一、恒压控制原理:
1、通过变频器PID功能 控制,实现恒压控制。
2、恒压控制必须有主设定、反馈值两路输入同时控制,变频器将反馈值实 时与主设定值进行比较,然后把偏差保存到参数R2273中,PID调节是基于偏差进行的,如果偏差为正数,即反馈量小于主设定时,变频器频率会自动提升,以提高目标压力,反之则变频频率会自动降低。
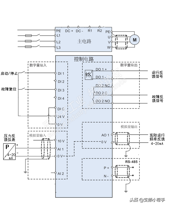
二、恒压供水接线:

MM430接线


压力反馈使用2线制仪表的接线


三、恒压供水参数设置
DI端子设置
P0700[0]=2 端子启动
P0701[0]=1 DI1 作为启动信号
P0703[0]=9 DI3作为故障复位
DO端子设置
P0731[0]=52.2 DO1设置为运行信号
P0732[0]=52.3 DO2设置为故障信号
P0748.1=1 DO2作为故障输出,有故障时NO触点闭合,
无故障时NO触点断开。
AI端子设置
P0756[0] =2 模拟量输入通道1,电流信号
P0757[0] =4 模拟量输入通道1定标X1=4mA
P0758[0] =0 模拟量输入通道1定标Y1=0%
P0759[0] =20 模拟量输入通道1定标X2=20mA
P0760[0] =100 模拟量输入通道1定标Y2=100%
P0761[0] =4 模拟量输入通道1死区宽度4mA
AO端子设置
P0771[0]=21 模拟量输出通道1,设置为实际频率输出
P0773[0]=50 模拟量输出通道1,滤波时间50ms
P0777[0]=0 模拟量输出通道 定标X1=0%
P0778[0]=4 模拟量输出通道 定标Y1=4mA
P0779[0]=100 模拟量输出通道 定标X2=100%
P0780[0]=20 模拟量输出通道 定标Y2=20mA
P0781[0]=4 模拟量输出通道死区宽度4mA
PID恒压控制功能调试2.3.4 AO端子设置
P0771[0]=21 模拟量输出通道1,设置为实际频率输出
P0773[0]=50 模拟量输出通道1,滤波时间50ms
P0777[0]=0 模拟量输出通道 定标X1=0%
P0778[0]=4 模拟量输出通道 定标Y1=4mA
P0779[0]=100 模拟量输出通道 定标X2=100%
P0780[0]=20 模拟量输出通道 定标Y2=20mA
P0781[0]=4 模拟量输出通道死区宽度4mA
P2200[0]=1 使能PID控制器
P2240[0]=X 依用户需求设置压力设定值的百分比
P2253[0]=2250 BOP作为PID目标给定源
P2264[0]=755.0 PID反馈源于模拟通道1
P2265=1 PID反馈滤波时间常数
P2274=0 微分时间设置。通常微分需要关闭,设置为0
P2280=P参数 比例增益设置(需要根据现场调试)
P2285=I参数 积分时间设置(需要根据现场调试)


根据现场电机、变频器及控制压力的大小等实际情况 设定以上参数即可实现简单的PID恒压供水控制。








3a47f88d7a9d403b8c2985040302648a.jpg
关注公众号,加入500人微信群,下载100G免费资料!
发表评论

最新评论

引用 1554488 2025-11-21 13:18
不请自来,就想夸一句:太顶了!
引用 觉醒 2025-11-21 13:23
评论区人才辈出,笑到停不下来😂
引用 明华 2025-11-21 13:32
原来还有这种操作,长见识了!
引用 张威 2025-11-21 13:34
理性围观,感觉大家说得都有道理
引用 ktt123456 2025-11-21 13:34
蹲一波同款,有没有小伙伴推荐?
引用 如果爱 2025-11-21 13:38
蹲一波同款,有没有姐妹 / 兄弟推荐?
引用 Hackass 2025-11-21 13:39
这逻辑绝了,分析得太到位了吧
引用 zy740827 2025-11-21 13:40
同款经历!我当初也这么过来的😂
引用 wx_CMw9IquM 2025-11-21 13:41
楼主辛苦啦,期待下一篇分享!
引用 石头 2025-11-21 13:44
浅蹲一个后续,楼主更新踢我一下

查看全部评论(10)

最新资讯
关闭

站长推荐上一条 /1 下一条

QQ|手机版|免责声明|本站介绍|工控课堂 ( 沪ICP备20008691号-1 )

GMT+8, 2025-12-22 17:16 , Processed in 0.103677 second(s), 30 queries .

Powered by Discuz! X3.5

© 2001-2025 Discuz! Team.

返回顶部