找回密码
 立即注册

QQ登录

只需一步,快速开始

工控课堂 首页 工控文库 变频器学习 查看内容

变频器带动电机运行时产生抖动怎么处理?

2021-11-6 14:35| 发布者: gk-auto| 查看: 1330| 评论: 0

摘要: 用变频器的电机为什么发抖?变频器带动电机运行时产生抖动怎么处理?一、用变频器的电机为什么发抖1、编码器信号检测不准,或者信号线接触不好。检查一下编码器本身,然后检查一下信号线的连接情况。2、电机发生共震 ...

变频器电机为什么发抖?变频器带动电机运行时产生抖动怎么处理?一、用变频器的电机为什么发抖

变频器带动电机运行时产生抖动怎么处理?

1、编码器信号检测不准,或者信号线接触不好。检查一下编码器本身,然后检查一下信号线的连接情况。

变频器带动电机运行时产生抖动怎么处理?

2、电机发生共震。这种情况,需要设定变频器的跳跃频率,设定这个参数的意思是,比如设定10-14为跳跃频率,则变频器不输出10-14Hz的频率,直接跳过。


详解


跳跃频率功能:一般的通用变频器,都有3点(或者以上)的频率跳跃点,也就是说,如果变频器运行在某一频率上(例如说13Hz),电机发生共振,可通过设置变频器参数跳跃频率(或者是回避频率,详情参考说明书)为这个频率(例如13Hz),然后设置振幅(例如正负1Hz),那么,变频器就不会运行在13-1=12Hz和13+1=14Hz范围之内。


例如,加速过程中,如果你给定为12.5Hz,变频器运行在12HZ,给定13.5Hz,也是运行在12HZ;如果给定为14HZ或者以上,才会运行在14HZ或者以上。如果是在减速过程中,如果你给定13.5HZ,变频器依然运行在14HZ,给定12.5HZ,运行14HZ;如果给定是12HZ或者以下,才会运行到12HZ或者以下。请仔细阅读说明书,并联系厂家。


二、变频器带动电机运行时产生抖动的处理方案


以三菱变频器带动电机运行时产生抖动分析为例,如下:


(一)、机械共振


原因:机械共振产生的振动会影响变频器的控制,导致输出电流(转矩)不稳定。根据控制方块图 (如图1),可以通过改变输出频率来减少输出电流(转矩)的变动,从而减轻振动。

变频器带动电机运行时产生抖动怎么处理?

处理步骤如下:


1、将Pr.653 设定为100%,以振动最大的运行频率运行数秒后确认振动是否得到缓解。


2、没有效果时,请慢慢调高Pr.653 的设定值,反复运行并确认效果,将效果最明显的值作为 (Pr.653) 的最终设定值。


3、 调高Pr.653 后振动反而更大时,请将Pr.653 从100%开始慢慢调低并同样进行效果确认。


(二)、电源高次谐波过大


原因:电源高次谐波是由变频器的整流部分产生的,对发电机及进相电容器等都会产生影响。高次谐波的产生源、频率范围和传输路径与噪音及漏电流不同。

变频器带动电机运行时产生抖动怎么处理?

处理方法:


1、安装电抗器


2、接线示意图

变频器带动电机运行时产生抖动怎么处理?

(三)、变频器产生噪音


原因:由于变频器是以高载波频率断续输出的,所以成为噪音的发生源。这种噪音的发生而使周边设备误动作。


处理方法:


1、避免变频器动力线 (输出输入线)与信号线平行接线和成束接线,应分散接线。


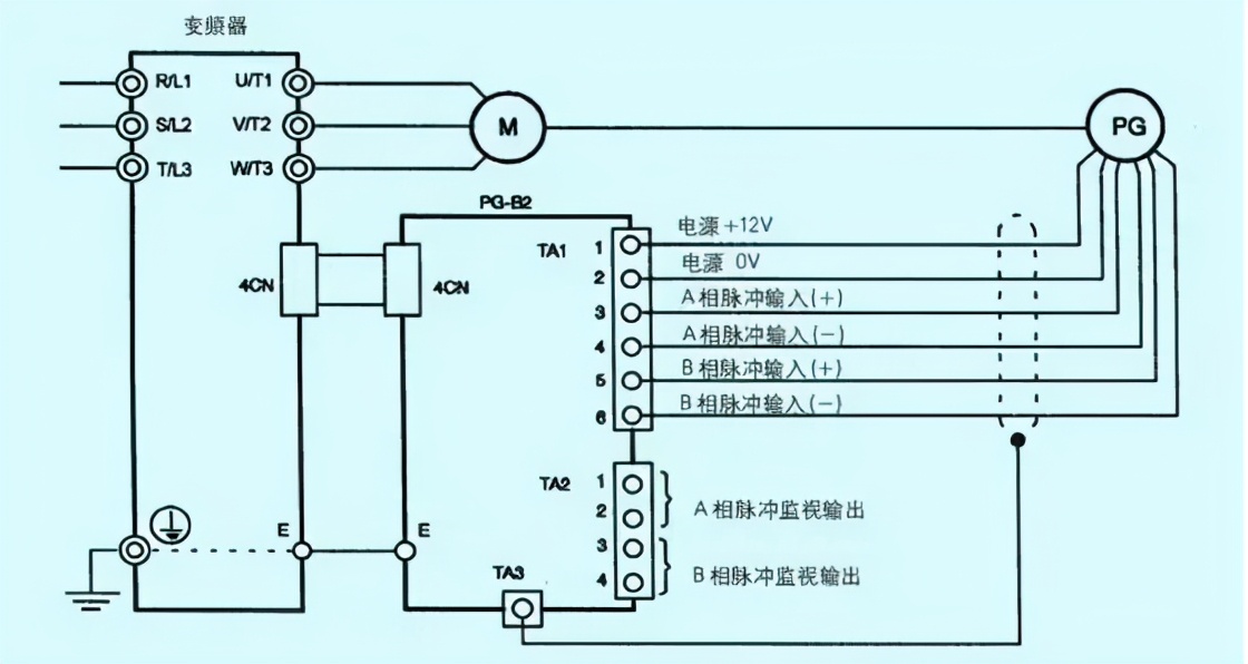
2、检测器的连接线、控制用信号线使用双绞屏蔽线,屏蔽线的覆皮连接SD端子


3、在较多产生噪音的机器上装设浪涌抑制器,抑制噪音的发生,在信号线上安装数据线滤波器。

变频器带动电机运行时产生抖动怎么处理?
关注公众号,加入500人微信群,下载100G免费资料!
发表评论

最新评论

最新资讯
关闭

站长推荐上一条 /1 下一条

QQ|手机版|免责声明|本站介绍|工控课堂 ( 沪ICP备20008691号-1 )

GMT+8, 2025-12-22 19:26 , Processed in 0.118484 second(s), 23 queries .

Powered by Discuz! X3.5

© 2001-2025 Discuz! Team.

返回顶部