找回密码
 立即注册

QQ登录

只需一步,快速开始

工控课堂 首页 工控文库 自动化控制 查看内容

75例自动控制原理图、接线图

2021-11-7 10:03| 发布者: gk-auto| 查看: 3491| 评论: 0

摘要: 今天为大家整理了一些各类电气控制接线图、电子元件工作原理图,还有可控硅整流电路及负反馈调速装置原理等等,希望对大家的工作有所帮助,一起来了解一下吧。(此处已添加圈子卡片,请到今日头条客户端查看)《技术 ...

今天为大家整理了一些各类电气控制接线图、电子元件工作原理图,还有可控硅整流电路及负反馈调速装置原理等等,希望对大家的工作有所帮助,一起来了解一下吧。

(此处已添加圈子卡片,请到今日头条客户端查看)

《技术/商务咨询:dianli936》《电力工程技术群:100299193》

关注订阅号电力工程技术(china-dianli),更多的电力知识等你来学习!

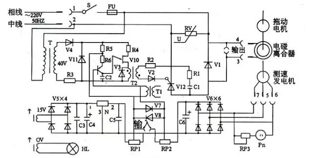
1.可控硅调速电路

太全面了!75例自动控制原理图、接线图

2.电磁调速电机控制图

太全面了!75例自动控制原理图、接线图

3.三相四线电度表互感器接线

太全面了!75例自动控制原理图、接线图

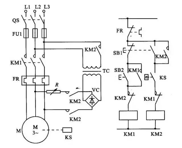
4.能耗制动

太全面了!75例自动控制原理图、接线图

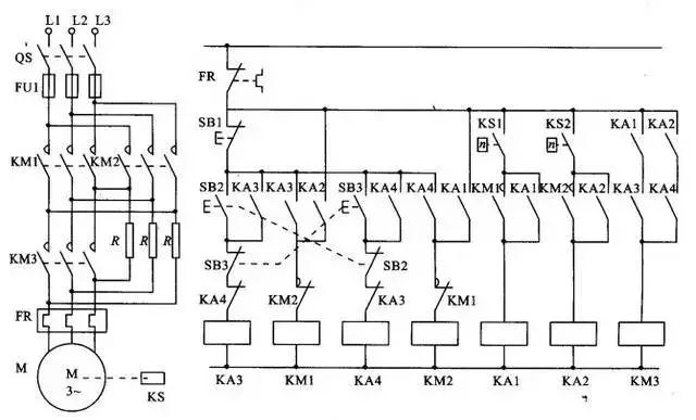
5.顺序起动,逆序停止

太全面了!75例自动控制原理图、接线图

6.锅炉水位探测装置

太全面了!75例自动控制原理图、接线图

7.电机正反转控制电路

太全面了!75例自动控制原理图、接线图

8.电葫芦吊机电

太全面了!75例自动控制原理图、接线图

9.单相漏电开关电路

太全面了!75例自动控制原理图、接线图

10.单相电机接线图

太全面了!75例自动控制原理图、接线图

11.带点动的正反转起动电路

太全面了!75例自动控制原理图、接线图

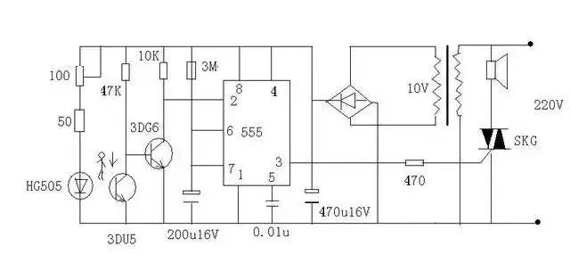
12.红外防盗报警器

太全面了!75例自动控制原理图、接线图

13.双电容单相电机接线图

太全面了!75例自动控制原理图、接线图

14.自动循环往复控制线路

太全面了!75例自动控制原理图、接线图

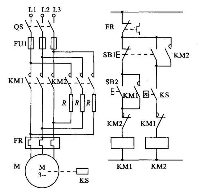
15.定子电路串电阻降压启动控制线

太全面了!75例自动控制原理图、接线图

16.按启动钮延时运行电路

太全面了!75例自动控制原理图、接线图

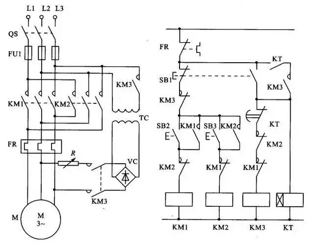
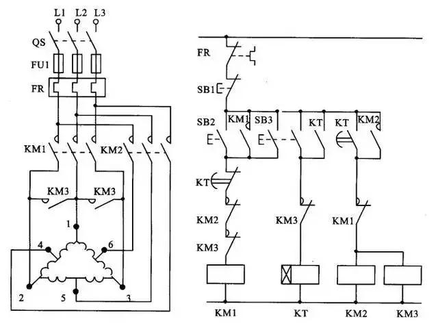
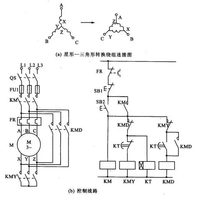
17.星形 - 三角形启动控制线路

太全面了!75例自动控制原理图、接线图

18.单向反接制动的控制线路

太全面了!75例自动控制原理图、接线图

19.具有反接制动电阻的可逆运行反接制动的控制线路

太全面了!75例自动控制原理图、接线图

20.以时间原则控制的单向能耗制动线路

太全面了!75例自动控制原理图、接线图

21.以速度原则控制的单向能耗制动控制线路

太全面了!75例自动控制原理图、接线图

22.电动机可逆运行的能耗制动控制线路

太全面了!75例自动控制原理图、接线图

23.双速电动机改变极对数的原理

太全面了!75例自动控制原理图、接线图

24.双速电动机调速控制线路

太全面了!75例自动控制原理图、接线图

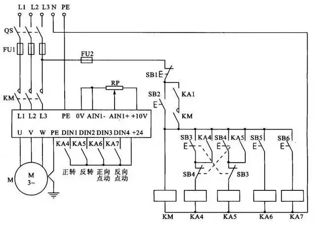
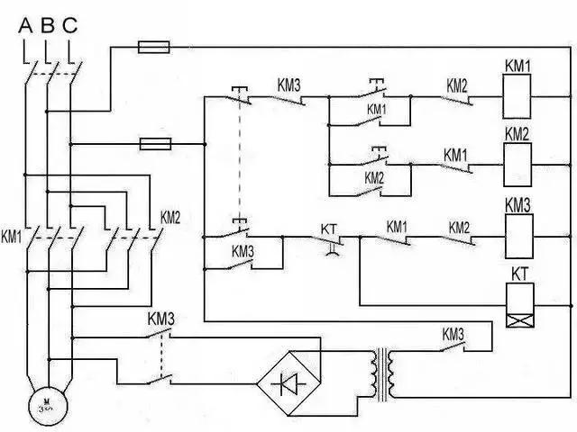
25.使用变频器的异步电动机可逆调速系统控制线路

太全面了!75例自动控制原理图、接线图

26.正确连接电器的触点

太全面了!75例自动控制原理图、接线图

27.线圈的连接

太全面了!75例自动控制原理图、接线图

28.继电器开关逻辑函数

太全面了!75例自动控制原理图、接线图

29.三相半波整流电路图

太全面了!75例自动控制原理图、接线图

30.三相全波整流电路图

太全面了!75例自动控制原理图、接线图

31.三相全波6脉冲整流原理图

太全面了!75例自动控制原理图、接线图

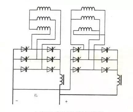
32.六相12脉冲整流原理图

太全面了!75例自动控制原理图、接线图

33.负载两端的电压

太全面了!75例自动控制原理图、接线图

在一个周期中,每个二极管只有三分这一的时候导通(导通角为120度)。负载两端的电压为线电压。

34.直流调速原理功能图

太全面了!75例自动控制原理图、接线图

35.电动机接线

一般常用三相交流电动机接线架上都引出6个接线柱,当电动机铭牌上标为Y形接法时,D6、D4、D5相连接,D1~D3接电源;为△形接法时,D6与D1连接,D4与D2连接,D5与D3连接,然后D1~D3接电源。可参见图1所示连接方法连接。

太全面了!75例自动控制原理图、接线图

36.三相吹风机接线

有部分三相吹风机有6个接线端子,接线方法如图2所示。采用△形接法应接入220V三相交流电源,采用Y形接法应接入380V三相交流电源。一般3英寸、3.5英寸、4英寸、4.5英寸的型号按此法接。其他吹风机应按其铭牌上所标的接法连接。

太全面了!75例自动控制原理图、接线图

37.单相电容运转电动机接线

单相电动机接线方法很多,如果不按要求接线,就会有烧坏电动机的可能。因此在接线时,一定要看清铭牌上注明的接线方法。

图为IDD5032型单相电容运转电动机接线方法。其功率为60W,电容选用耐压500V、容量为4μF的产品。图3(a)为正转接线,图3(b)为反转接线。

太全面了!75例自动控制原理图、接线图

38.单相电容运转电动机接线

太全面了!75例自动控制原理图、接线图

图4是JX07A-4型单相电容运转电动机接线方法。电动机功率为60W,用220V/50Hz交流电源、电流为0.5A。它的转速为每分钟1400转。电容选用耐压400~500V、容量8μF的产品。图(a)为正转接线,图(b)为反转接线。

39.单相吹风机接线

太全面了!75例自动控制原理图、接线图

有的单相吹风机引出4个接线端子,接线方法如图5所示。采用并联接法应接入110V交流电源,采用串联接法应接入220V交流电源。

40.Y100LY系列电动机接线

目前,Y系列电动机被广泛应用。Y系列电动机具有体积小、外形美观、节电等优点。它的接线方式有两种:一种为△形,它的接线端子W2与U1相连,U2与V1相连,V2与W1相连,然后接电源;另一种为Y形,接线端子W2、U2、V2相连接,其余3个接线端子U1、V1、W1接电源。接线见图6。

太全面了!75例自动控制原理图、接线图

关注公众号,加入500人微信群,下载100G免费资料!
发表评论

最新评论

热门文章
关闭

站长推荐上一条 /1 下一条

QQ|手机版|免责声明|本站介绍|工控课堂 ( 沪ICP备20008691号-1 )

GMT+8, 2025-12-23 06:01 , Processed in 0.074911 second(s), 23 queries .

Powered by Discuz! X3.5

© 2001-2025 Discuz! Team.