找回密码
 立即注册

QQ登录

只需一步,快速开始

工控课堂 首页 工控文库 自动化控制 查看内容

60多种自动控制原理图,能看懂的都是自动化高手,我基本都看不懂 ...

2021-11-7 10:01| 发布者: gk-auto| 查看: 2849| 评论: 0

摘要: 另外28个自动控制电气原理图:1单相照明双路互备自投供电电路2双路三相电源自投电路3茶炉水加热自动控制电路4简单的温度控制器电路5简易晶闸管温度自动控制电路6用双向晶闸管控制温度电路7XCT-101动圈式温度调节仪控 ...
60多种自动控制原理图,能看懂的都是自动化高手,我基本都看不懂

60多种自动控制原理图,能看懂的都是自动化高手,我基本都看不懂

60多种自动控制原理图,能看懂的都是自动化高手,我基本都看不懂

60多种自动控制原理图,能看懂的都是自动化高手,我基本都看不懂

60多种自动控制原理图,能看懂的都是自动化高手,我基本都看不懂

60多种自动控制原理图,能看懂的都是自动化高手,我基本都看不懂

60多种自动控制原理图,能看懂的都是自动化高手,我基本都看不懂

60多种自动控制原理图,能看懂的都是自动化高手,我基本都看不懂

60多种自动控制原理图,能看懂的都是自动化高手,我基本都看不懂

60多种自动控制原理图,能看懂的都是自动化高手,我基本都看不懂

60多种自动控制原理图,能看懂的都是自动化高手,我基本都看不懂

60多种自动控制原理图,能看懂的都是自动化高手,我基本都看不懂

60多种自动控制原理图,能看懂的都是自动化高手,我基本都看不懂

60多种自动控制原理图,能看懂的都是自动化高手,我基本都看不懂

60多种自动控制原理图,能看懂的都是自动化高手,我基本都看不懂

60多种自动控制原理图,能看懂的都是自动化高手,我基本都看不懂

60多种自动控制原理图,能看懂的都是自动化高手,我基本都看不懂

60多种自动控制原理图,能看懂的都是自动化高手,我基本都看不懂

60多种自动控制原理图,能看懂的都是自动化高手,我基本都看不懂

60多种自动控制原理图,能看懂的都是自动化高手,我基本都看不懂

60多种自动控制原理图,能看懂的都是自动化高手,我基本都看不懂

60多种自动控制原理图,能看懂的都是自动化高手,我基本都看不懂

60多种自动控制原理图,能看懂的都是自动化高手,我基本都看不懂

60多种自动控制原理图,能看懂的都是自动化高手,我基本都看不懂

60多种自动控制原理图,能看懂的都是自动化高手,我基本都看不懂

60多种自动控制原理图,能看懂的都是自动化高手,我基本都看不懂

60多种自动控制原理图,能看懂的都是自动化高手,我基本都看不懂

60多种自动控制原理图,能看懂的都是自动化高手,我基本都看不懂

60多种自动控制原理图,能看懂的都是自动化高手,我基本都看不懂

60多种自动控制原理图,能看懂的都是自动化高手,我基本都看不懂

60多种自动控制原理图,能看懂的都是自动化高手,我基本都看不懂

60多种自动控制原理图,能看懂的都是自动化高手,我基本都看不懂

60多种自动控制原理图,能看懂的都是自动化高手,我基本都看不懂

60多种自动控制原理图,能看懂的都是自动化高手,我基本都看不懂

60多种自动控制原理图,能看懂的都是自动化高手,我基本都看不懂

60多种自动控制原理图,能看懂的都是自动化高手,我基本都看不懂

另外28个自动控制电气原理图

1

单相照明双路互备自投供电电路

60多种自动控制原理图,能看懂的都是自动化高手,我基本都看不懂

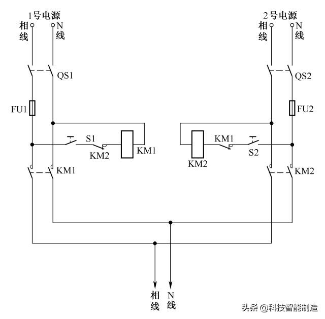
2

双路三相电源自投电路

60多种自动控制原理图,能看懂的都是自动化高手,我基本都看不懂

3

茶炉水加热自动控制电路

60多种自动控制原理图,能看懂的都是自动化高手,我基本都看不懂

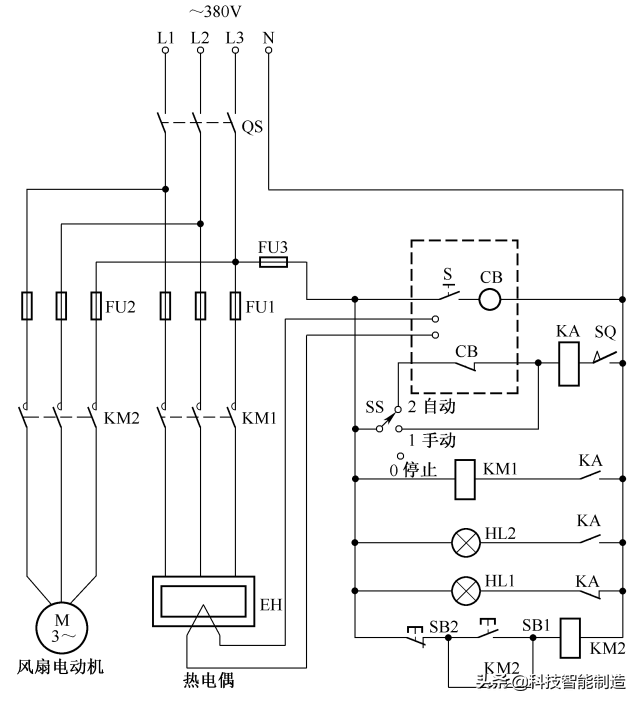
4

简单的温度控制器电路

60多种自动控制原理图,能看懂的都是自动化高手,我基本都看不懂

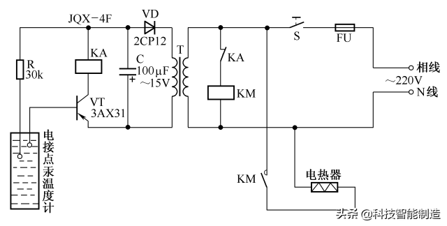
5

简易晶闸管温度自动控制电路

60多种自动控制原理图,能看懂的都是自动化高手,我基本都看不懂

6

用双向晶闸管控制温度电路

60多种自动控制原理图,能看懂的都是自动化高手,我基本都看不懂

7

XCT-101动圈式温度调节仪控温电路

60多种自动控制原理图,能看懂的都是自动化高手,我基本都看不懂

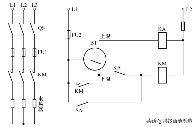
8

电接点压力式温度表控温电路

60多种自动控制原理图,能看懂的都是自动化高手,我基本都看不懂

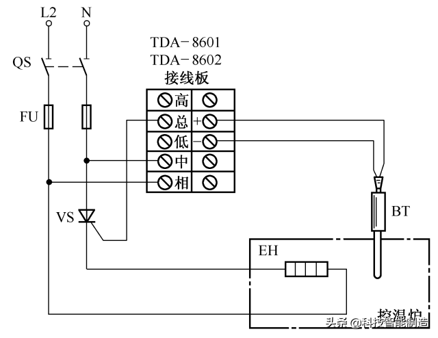
9

TDA-8601型温度指示调节仪控温电路

60多种自动控制原理图,能看懂的都是自动化高手,我基本都看不懂

10

XMT-DA数字显示调节仪控温电路

60多种自动控制原理图,能看懂的都是自动化高手,我基本都看不懂

11

△/Y变换的炉温控制电路

60多种自动控制原理图,能看懂的都是自动化高手,我基本都看不懂

12

简易温度控制电路

60多种自动控制原理图,能看懂的都是自动化高手,我基本都看不懂

13

双功能三相电阻加热炉控制电路

60多种自动控制原理图,能看懂的都是自动化高手,我基本都看不懂

14

自动气体循环炉控温电路

60多种自动控制原理图,能看懂的都是自动化高手,我基本都看不懂

15

喷水池自动喷水控制电路

60多种自动控制原理图,能看懂的都是自动化高手,我基本都看不懂

16

关注公众号,加入500人微信群,下载100G免费资料!
发表评论

最新评论

热门文章
关闭

站长推荐上一条 /1 下一条

QQ|手机版|免责声明|本站介绍|工控课堂 ( 沪ICP备20008691号-1 )

GMT+8, 2025-12-22 23:35 , Processed in 0.063315 second(s), 22 queries .

Powered by Discuz! X3.5

© 2001-2025 Discuz! Team.

返回顶部