找回密码
 立即注册

QQ登录

只需一步,快速开始

工控课堂 首页 工控文库 液压控制 查看内容

液压卸荷回路的工作原理

2021-12-25 21:31| 发布者: 198366809| 查看: 4078| 评论: 0

摘要: 所谓卸荷,就是使液压泵在输出压力接近为零的状态下工作。什么样的系统需要配置卸荷回路呢?实际上,只要在执行元件的整个工作过程中,有那么一段时间是处于停歇状态的工况,就需要配置卸荷回路。因为在这个状态下, ...
液压回路入门——卸荷回路

所谓卸荷,就是使液压泵在输出压力接近为零的状态下工作。

什么样的系统需要配置卸荷回路呢?

实际上,只要在执行元件的整个工作过程中,有那么一段时间是处于停歇状态的工况,就需要配置卸荷回路。

因为在这个状态下,执行元件短时停止,不需要供油,如果还是满载供油的话,油液势必全都从溢流阀处硬挤出去了,这就造成了功率损失和油液发热。

有人要说了,那我在执行元件短时停止的时候,直接把电机停了不就行了。话虽如此,但我们要知道,电机和泵都不是适合频繁启停的东西,来来回回折腾几次,估计也就坏了。

液压回路入门——卸荷回路

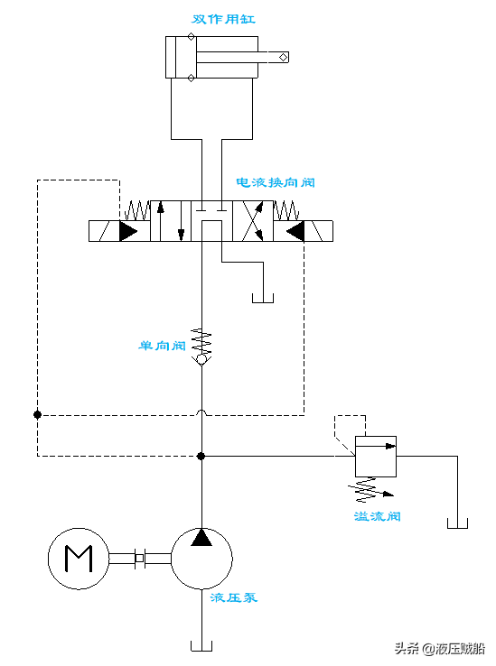
我们今天讲的卸荷回路比较简单,主要是利用三位四通换向阀的M型中位机能来构成卸荷回路。之前的文章中还介绍过其他一些卸荷方式,有兴趣的可以看一下。

该回路在泵的出口还设置了一个单向阀,主要作用是当泵处于卸荷状态时,仍然能提供一定的控制油压,用于保证电液换向阀正常换向。

最后我们看看换向阀处于不同工作位置时的油液流动方向。

当前是换向阀处于左位时的油液流动方向。

液压回路入门——卸荷回路

当前是换向阀处于中位时的油液流动方向。

液压回路入门——卸荷回路

当前是换向阀处于右位时的油液流动方向。

液压回路入门——卸荷回路
来源:液压贼船
原文:https://www.toutiao.com/a7021468957475389956/?log_from=8d0a7f4090b8c_1640439038123
关注公众号,加入500人微信群,下载100G免费资料!
发表评论

最新评论

热门文章
关闭

站长推荐上一条 /1 下一条

QQ|手机版|免责声明|本站介绍|工控课堂 ( 沪ICP备20008691号-1 )

GMT+8, 2025-12-22 22:35 , Processed in 0.149822 second(s), 23 queries .

Powered by Discuz! X3.5

© 2001-2025 Discuz! Team.

返回顶部