找回密码
 立即注册

QQ登录

只需一步,快速开始

工控课堂 首页 工控文库 液压控制 查看内容

液压平衡回路的工作原理

2021-12-25 21:32| 发布者: 198366809| 查看: 3574| 评论: 0

摘要: 平衡回路的作用主要有两个:一是当液压缸不工作时,防止液压缸(包含挂着的重物)自由下落;二是防止当液压缸处于下行过程中时,由于自重而造成失控失速的不稳定运动。平衡的核心思想平衡的核心思想是在液压缸的回油 ...
液压回路入门——常见平衡回路

平衡回路的作用主要有两个:

一是当液压缸不工作时,防止液压缸(包含挂着的重物)自由下落;

二是防止当液压缸处于下行过程中时,由于自重而造成失控失速的不稳定运动。

液压回路入门——常见平衡回路

平衡的核心思想

平衡的核心思想是在液压缸的回油管路上,设置一定的背压,用来平衡油缸及其附属件的重力。

液压回路入门——常见平衡回路

常见平衡回路有3种:

  • 单向顺序阀平衡回路
  • 单向节流阀和液控单向阀组成的平衡回路
  • 遥控单向平衡阀平衡回路

今天先看第一种

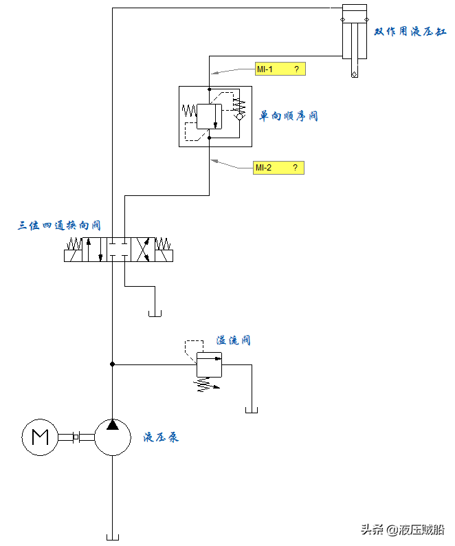
单向顺序阀平衡回路

当油缸拖动的负载变小时,系统的功率损失会增加。且由于顺序阀存在泄漏,油缸是无法长时间停留在某一固定位置上的,它会慢慢的下降。当然了,如果确实需要保压的话,可以在单向顺序阀和液压缸之间加一个液控单向阀来改善保压性能。

下面是该回路的工作状态:

换向阀工作在中位:

液压回路入门——常见平衡回路

需要注意的是,此位置处,需要调整顺序阀的开启压力,使油缸下腔产生的压力稍大于自身重力和负载力,防止油缸突然下滑。

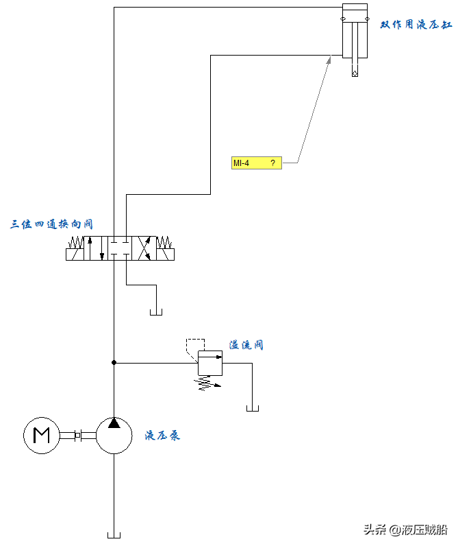
换向阀工作在左位:

液压回路入门——常见平衡回路

换向阀工作在右位:

液压回路入门——常见平衡回路
来源:液压贼船
原文:https://www.toutiao.com/a7024043085751517709/?log_from=8ae9aa7fc5877_1640439093491
关注公众号,加入500人微信群,下载100G免费资料!
发表评论

最新评论

热门文章
关闭

站长推荐上一条 /1 下一条

QQ|手机版|免责声明|本站介绍|工控课堂 ( 沪ICP备20008691号-1 )

GMT+8, 2025-12-23 02:32 , Processed in 0.065631 second(s), 23 queries .

Powered by Discuz! X3.5

© 2001-2025 Discuz! Team.

返回顶部