找回密码
 立即注册

QQ登录

只需一步,快速开始

工控课堂 首页 工控文库PLC学习

PLC学习

S7站配置的详细步骤
  1、假如应用MPI方法免费下载,最先将DP电源插头插进plc的MPI插口上,在操作面板 SET PG/PC Interface中挑选 XXXX MPI,在其中 XXXX意味着免费下载用的机器设备,如CP5611, PC Adapter。在特性中挑选恰当的串口波 ...
2022-6-21 22:07
西门子PLCS7-200/S7-200SMART Modbus地址问题应用解析
  Modbus详细地址事实上分成二种状况即plc作Modbus主网,Modbus详细地址和PLC指南里的地址一与PLC作从站,PLC无需管哪些Modbus详细地址。  Modbus详细地址事实上分成二种状况。下边以西门子PLCS7-200/S7-200SMART ...
2022-6-21 22:07
博图的键盘快捷方式
  在程序编写时假如娴熟的应用便捷电脑键盘相互配合键盘和鼠标那样程序编写高效率会提升 许多。博图内置了便捷电脑键盘的挑选协助,查询协助的方式 以下:1,开启博图软件之后会见到对话框菜单栏有一个“”选择项“ ...
2022-6-21 22:06
西门子S7-200CN与S7-200SMART的区别
  S7-200 SMART是西门子公司发布的性价比高中小型plc,是中国普遍应用的S7-200的升级换代商品。我根据很多应用S7-200 SMART,觉得与S7-200对比,它有很多闪光点。由于刚问世,也有一些存在的不足,能够期待2021年9 ...
2022-6-21 22:06
PLC的循环处理过程
CPU的程序流程分成电脑操作系统和可执行程序。电脑操作系统用于解决plc的运行、更新全过程印象键入/输出区、启用可执行程序、解决终断和不正确、管理方法储存区和通讯等每日任务。可执行程序由客户转化成,用于完成 ...
2022-6-21 22:06
PLC的逻辑运算
在数据量(或称开关量)自动控制系统中,自变量仅有二种反过来的运行状态,比如上拉电阻和低电频、汽车继电器电磁线圈的插电和关闭电源,能够各自用逻辑代数中的1和0来表明这种情况,在波形中,用上拉电阻表明1情况 ...
2022-6-21 22:05
SCL语言实现的FIFO队列功能块(基于循环数组)
  近期新项目使用S7-1500,在网上找了FIFO序列的完成,有STL语言表达写的,但STL确实不方便阅读文章,就自身用SCL搞了一个,把序列的基本要素封裝成块,用着还好,跟大伙儿共享一下吧。若有缺陷也请大伙儿强调。操 ...
2022-6-21 22:05
DB块实际值和初始值相关问题
大家是不是遇到过那样的难题:将DB块免费下载到CPU,此DB块数据信息复位,或是wincc相匹配的键入值被清零,大家初学者怎样防止那样的难题?下边大家看一下DB块的页面:它是DB块的申明方式,也是大家建立DB块的页面。 ...
2022-6-21 22:03
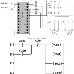
多重输出控制的PLC线路与梯形图
多重输出控制的PLC线路与梯形图
 plc路线与子程序表明以下:(1)启动操纵(2)终止操纵
2022-6-21 22:03
定时器与计数器组合延长定时控制的PLC线路与梯形图
定时器与计数器组合延长定时控制的PLC线路与梯形图
plc路线与子程序表明以下:图上的计时器T0按时企业为0.1s(100ms),它与电子计数器C0组成应用后,其按时時间T=30000×0.一秒×30000=90000000秒=25000钟头。如要再次按时,可将电源开关QS2断掉,让X000常闭点合 ...
2022-6-21 22:01
PLC的主控继电器启动(激活)和主控继电器停止指令(取消激活) ...
①STL方式的主控芯片汽车继电器运行命令MCRA和主控芯片汽车继电器终止命令MCRD。MCRA激话主控芯片汽车继电器。实行MCRA命令,表明进到依照MCR操纵的地区。MCRD撤销激话主控芯片汽车继电器。实行MCRD命令,表明离去依 ...
2022-6-21 22:01
PLC的主控继电器接通指令和主控继电器断开指令
①STL方式的开启主控芯片汽车继电器命令“MCR(”。应用“MCR(”开启一个MCR地区命令,能够将RLO储存在MCR局部变量中,并开启一个MCR地区。MCR地区是程序编写在命令“MCR(”和相对应命令“)MCR”中间的命令。命令“M ...
2022-6-21 22:00
三菱PLC浮点数运算功能指令
浮点数运算指令(FNC110-FNC1320)用于浮点数的处理,浮点数为32位数,包括浮点数的比较、变换、四则运算、开平方运算和三角函数等13条指令。所有的浮点数处理指令都是32位指令,在使用时,大多数指令的助记符前面必 ...
2022-6-15 20:46
4-20ma电流信号一根线进PLC模块怎么形成回路
4~20毫安 ,是工业领域 的一个标准 ,此外 ,还有0~10毫伏标准 。4~20毫安信号 ,与仪表构成电流环 ,形成信号通道 。广泛用于传感器仪表 领域 。仪表内配置 标准电阻,电流信号 就可以转变为电压信号 。智能仪表 采 ...
2022-6-15 20:46
如何通过三菱CC-LINK前面板LED等判断模块运行故障
CC-LINK系统在电缆连接和软件设置完毕后(详见《三菱CC-LINK教程下载》),首要任务就是要保证各个子站(本地站,智能站和I/O)站与主站间的通讯正常,然后在此基础上才能编程。本文仅就前者对CC-LINK的调试方法做 ...
2022-6-15 20:44
热门文章
关闭

站长推荐上一条 /1 下一条

QQ|手机版|免责声明|本站介绍|工控课堂 ( 沪ICP备20008691号-1 )

GMT+8, 2025-12-23 17:12 , Processed in 0.140564 second(s), 14 queries .

Powered by Discuz! X3.5

© 2001-2025 Discuz! Team.

返回顶部