找回密码
 立即注册

QQ登录

只需一步,快速开始

工控课堂 首页 工控文库 PLC学习 查看内容

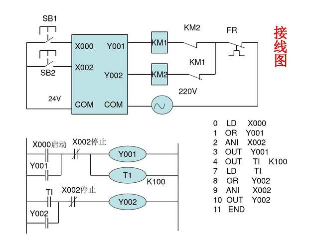
三菱PLC快速入门 | 从编写经典PLC编程案例开始~

2022-9-18 10:57| 发布者: gk-auto| 查看: 1229| 评论: 0

关注公众号,加入500人微信群,下载100G免费资料!

最新评论

热门文章
关闭

站长推荐上一条 /1 下一条

QQ|手机版|免责声明|本站介绍|工控课堂 ( 沪ICP备20008691号-1 )

GMT+8, 2025-12-23 00:33 , Processed in 0.181056 second(s), 23 queries .

Powered by Discuz! X3.5

© 2001-2025 Discuz! Team.

返回顶部