找回密码
 立即注册

QQ登录

只需一步,快速开始

工控课堂 首页 工控文库 PLC学习 查看内容

西门子S7-1200系列PLC全套接线图

2023-4-5 20:14| 发布者: gk-auto| 查看: 1653| 评论: 1

摘要: 导读西门子S7-1200是一款紧凑型、模块化的PLC,可完成简单逻辑控制、高级逻辑控制、HMI 和网络通信等任务。对于需要网络通信功能和单屏或多屏HMI的自动化系统,易于设计和实施。具有支持小型运动控制系统、过程控制 ...

导读


西门子S7-1200是一款紧凑型、模块化的PLC,可完成简单逻辑控制、高级逻辑控制、HMI 和网络通信等任务。对于需要网络通信功能和单屏或多屏HMI的自动化系统,易于设计和实施。具有支持小型运动控制系统、过程控制系统的高级应用功能。SIMATIC S7-1200 具有用于进行计算和测量、闭环回路控制和运动控制的集成技术,是一个功能非常强大的系统,可以实现多种类型的自动化任务。下面分享S7-1200系列PLC全套接线图给大家,收藏起来慢慢看!


01

S7-1200输入输出接线图


CPU 1211C 接线图

CPU 1211C AC/DC/继电器 (6ES7 211-1BE40-0XB0)

① 24 VDC 传感器电源

② 对于漏型输入将负载连接到“-”端(如图示);对于源型输入将负载连接到“+”端


CPU 1211C DC/DC/继电器 (6ES7 211-1HE40-0XB0)

① 24 VDC 传感器电源

② 对于漏型输入将负载连接到“-”端(如图示);对于源型输入将负载连接到“+”端


CPU 1211C DC/DC/DC (6ES7 211-1AE40-0XB0)

① 24 VDC 传感器电源

② 对于漏型输入将负载连接到“-”端(如图示);对于源型输入将负载连接到“+”端


CPU 1212C 接线图

CPU 1212C AC/DC/继电器 (6ES7 212-1BE40-0XB0)

① 24 VDC 传感器电源

② 对于漏型输入将负载连接到“-”端(如图示);对于源型输入将负载连接到“+”端


CPU 1212C DC/DC/继电器 (6ES7 212-1HE40-0XB0)

① 24 VDC 传感器电源

② 对于漏型输入将负载连接到“-”端(如图示);对于源型输入将负载连接到“+”端


CPU 1212C DC/DC/DC (6ES7 212-1AE40-0XB0)

① 24 VDC 传感器电源

② 对于漏型输入将负载连接到“-”端(如图示);对于源型输入将负载连接到“+”端


CPU 1214C 接线图

CPU 1214C AC/DC/继电器 (6ES7 214-1BG40-0XB0)

① 24 VDC 传感器电源

② 对于漏型输入将负载连接到“-”端(如图示);对于源型输入将负载连接到“+”端


CPU 1214C DC/DC/继电器 (6ES7 214-1HG40-0XB0)

① 24 VDC 传感器电源

② 对于漏型输入将负载连接到“-”端(如图示);对于源型输入将负载连接到“+”端


CPU 1214C DC/DC/DC (6ES7 214-1AG40-0XB0)

① 24 VDC 传感器电源

② 对于漏型输入将负载连接到“-”端(如图示);对于源型输入将负载连接到“+”端


CPU 1215C 接线图

CPU 1215C AC/DC/继电器 (6ES7 215-1BG40-0XB0)

① 24 VDC 传感器电源

② 对于漏型输入将负载连接到“-”端(如图示);对于源型输入将负载连接到“+”端


CPU 1215C DC/DC/继电器 (6ES7 215-1HG40-0XB0)


① 24 VDC 传感器电源

② 对于漏型输入将负载连接到“-”端(如图示);对于源型输入将负载连接到“+”端


CPU 1215C DC/DC/DC (6ES7 215-1AG40-0XB0)

① 24 VDC 传感器电源

② 对于漏型输入将负载连接到“-”端(如图示);对于源型输入将负载连接到“+”端


CPU 1217C 接线图

CPU 1217C DC/DC/DC (6ES7 217-1AG40-0XB0)

① 24 VDC 传感器电源

② 对于漏型输入将负载连接到“-”端(如图示);对于源型输入将负载连接到“+”端

③ 5V差分信号输入

④ 5V差分信号输出


常见问题


1217C的 5V差分信号能不能当普通的DI/DO点使用?

答:不能。详情可见《 S7-1200 系统手册 》的附录


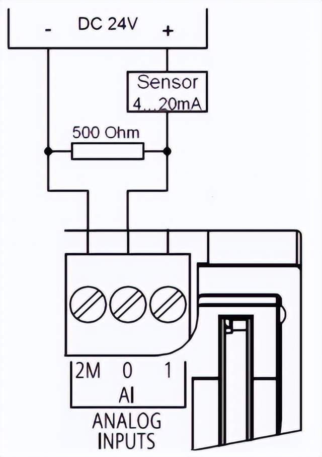
S7-1200 CPU 自带模拟量输入通道能否接入 0-20mA 电流信号?怎么接线?

答:S7-1200 自带模拟量输入通道支持 0-10 V 电压信号。如果需要接 0-20mA 电流信号, 可并联 1个 500ohm 的电阻

注意:使用 500Ω 电阻时,必须注意这种测量方式的功率消耗。并确保电阻两端外加 DC 24 V 电压时,电阻功率消耗至少为 1.16 W。同时, 此方法精度无法保证。


以 S7-1200 自带模拟量输入通道接入常用的两线制传感器 4-20mA 电流信号为例, 如下图:

02

数字量信号模块输入输出接线图


SM 1221 数字量输入

对于漏型输入将“-”连接到“M”(如图示);对于源型输入将“+”连接到“M”


SM 1222 数字量输出

SM1222 DQ 8 继电器切换模块使用公共端子控制两个电路:一个常闭触点和一个常开触点。


例如输出"0",当输出点断开时,公共端子 (0L) 与常闭触点 (.0X) 相连并与常开触点 (.0) 断开。当输出点接通时,公共端子 (0L) 与常闭触点 (.0X) 断开并与常开触点 (.0) 相连。

SM 1223 数字量输入/输出

对于漏型输入将负载连接到“-”端(如图示);对于源型输入将负载连接到“+”端


SM 1223 也有交流电压输入、继电器输出的模块, 如下所示:

SM 1223 DI 8 x 120/230 VAC,DQ 8 x 继电器 (6ES7 223-1QH32-0XB0)

数字量信号板
通过信号板 (SB, Signal Board) 可以给 CPU 增加 I/O。提供所有 SIMATIC S7-1200 控制器的低成本有效扩展,同时保持原有空间, SB 连接在 CPU 的前端。

SB 1221 200KHZ数字量输入接线

仅支持源型输入

SB 1222 200KHZ数字量输出接线


对于源型输出将负载连接到“-”端(如图示);对于漏型输出将负载连接到“+”端


SB 1223 200KHZ数字量输入/输出接线

① 仅支持源型输入

② 对于源型输出将负载连接到“-”端(如图示);对于漏型输出将负载连接到“+”端


SB 1223 数字量输入/输出接线

仅支持漏型输入

源型/漏型输入接线说明
支持源型输入的信号板:

6ES7 221-3BD30-0XB0
6ES7 221-3AD30-0XB0
6ES7 223-3BD30-0XB0
6ES7 223-3AD30-0XB0
支持漏型输入的信号板:

6ES7 223-0BD30-0XB0
支持源型输入的信号模板:

6ES7 221-1BF32-0XB0
6ES7 221-1BH32-0XB0
6ES7 223-1PH32-0XB0
6ES7 223-1PL32-0XB0
6ES7 223-1BH32-0XB0
6ES7 223-1BL32-0XB0
支持漏型输入的信号模板:

6ES7 221-1BF32-0XB0
6ES7 221-1BH32-0XB0
6ES7 223-1PH32-0XB0
6ES7 223-1PL32-0XB0
6ES7 223-1BH32-0XB0
6ES7 223-1BL32-0XB0
可以参考 《 S7-1200 系统手册》

数字量的输入信号类型总结:CPU 集成的输入点和信号模板的所有输入点都既支持漏型输入又支持源型输入,而信号板的输入点只支持源型输入或者漏型输入的一种。


漏型输入见模板接线图,源型输入接线参考下图。

源型/漏型输出接线说明
支持源型输出的信号板:

6ES7 222-1AD30-0XB0
6ES7 222-1BD30-0XB0
6ES7 223-3AD30-0XB0
6ES7 223-3BD30-0XB0
6ES7 223-0BD30-0XB0
注意:所有支持源型输出的晶体管输出信号模块都只支持源型输出,不支持漏型输出。


支持漏型输出的信号板:

6ES7 222-1AD30-0XB0
6ES7 222-1BD30-0XB0
6ES7 223-3AD30-0XB0
6ES7 223-3BD30-0XB0
注意:数字量的输出信号类型,只有 200 KHZ的信号板输出既支持漏型输出又支持源型输出,其他信号板、信号模块和 CPU 集成的晶体管输出都只支持源型输出。


常见问题

为何SM1223已连接,信号输出通道指示灯也亮,但无电压输出?

答:S7-1200扩展模块输出通道指示灯电源由总线提供,但信号输出需要模块供电,正确接线方式如下图所示:

03

模拟量模块输入输出接线图


SM1231 模拟量输入

SM 1232 模拟量输出

SM 1234 模拟量输入/输出

SB 1231 模拟量输入(信号板)

SB 1232 模拟量输出(信号板)

AI 连接传感器接线方式


图1. 4 线制传感器

图2. 3 线制传感器

图3. 2 线制传感器

TC 信号模块

TC 信号模块接线

TC 信号板接线

RTD 信号模块

RTD 信号模块接线

RTD 信号板接线

关注公众号,加入500人微信群,下载100G免费资料!
发表评论

最新评论

引用 hmg哲 2023-4-6 11:53
内容具体细致

查看全部评论(1)

热门文章
关闭

站长推荐上一条 /1 下一条

QQ|手机版|免责声明|本站介绍|工控课堂 ( 沪ICP备20008691号-1 )

GMT+8, 2025-12-23 13:30 , Processed in 0.130284 second(s), 23 queries .

Powered by Discuz! X3.5

© 2001-2025 Discuz! Team.

返回顶部